Curiosii for ever!: Car repair manuals for everyone.

EVAP System








2GR-FE ENGINE CONTROL SYSTEM: SFI SYSTEM: EVAP System

EVAP System

RELATED DTCS





If any EVAP system DTCs are set, the malfunctioning area can be determined using the table below.





NOTE: If the reference pressure difference between the first and second checks is greater than the specification, all the DTCs relating to the reference pressure (P043E, P043F, P2401, P2402 and P2419) are stored.

DESCRIPTION









NOTE: In this vehicle's EVAP system, turning ON the vent valve does not seal off the EVAP system. To check for leaks in the EVAP system, disconnect the air inlet vent hose and apply pressure from the atmospheric side of the canister.

While the engine is running, if a predetermined condition (closed-loop, etc.) is met, the purge VSV is opened by the ECM and fuel vapors stored in the canister are purged into the intake manifold. The ECM changes the duty cycle ratio of the purge VSV to control purge flow volume.
The purge flow volume is also determined by the intake manifold pressure. Atmospheric pressure is allowed into the canister through the vent valve to ensure that the purge flow is maintained when negative pressure (vacuum) is applied to the canister.
The following two monitors run to confirm the appropriate EVAP system operation.
1. Key-off monitor
This monitor checks for EVAP (Evaporative Emission) system leaks and canister pump module malfunctions. The monitor starts 5 hours* after the engine switch is turned off. At least 5 hours are required for the fuel to cool down to stabilize the EVAP pressure, thus making the EVAP system monitor more accurate.
The leak detection pump creates negative pressure (vacuum) in the EVAP system and the pressure is measured. Finally, the ECM monitors for leaks from the EVAP system, and malfunctions in both the canister pump module and purge VSV, based on the EVAP pressure.
HINT: *: If the engine coolant temperature is not below 35°C (95°F) 5 hours after the engine switch is turned off, the monitor check starts 2 hours later. If it is still not below 35°C (95°F) 7 hours after the engine switch is turned off, the monitor check starts 2.5 hours later.

2. Purge flow monitor
The purge flow monitor consists of the two monitors. The 1st monitor is conducted every time and the 2nd monitor is activated if necessary.

- The 1st monitor
While the engine is running and the purge VSV (Vacuum Switching Valve) is ON (open), the ECM monitors the purge flow by measuring the EVAP pressure change. If negative pressure is not created, the ECM begins the 2nd monitor.
- The 2nd monitor
The vent valve is turned OFF (open) and the EVAP pressure is measured. If the variation in the pressure is less than 0.5 kPa-g (3.75 mmHg-g), the ECM interprets this as the purge VSV being stuck closed, and illuminates the MIL and sets DTC P0441 (2 trip detection logic).

Atmospheric pressure check:
In order to ensure reliable malfunction detection, the variation between the atmospheric pressures, before and after conduction of the purge flow monitor, is measured by the ECM.





















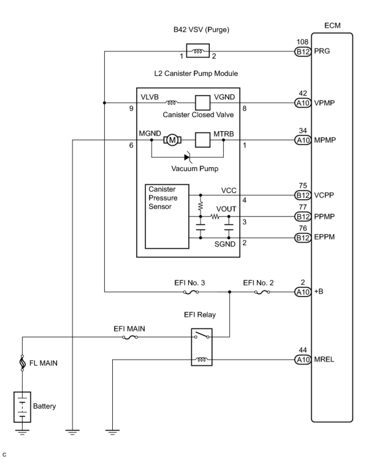
WIRING DIAGRAM





INSPECTION PROCEDURE
NOTE: Techstream is required to conduct the following diagnostic troubleshooting procedure.
HINT:
- Using Techstream monitor results enables the EVAP (Evaporative Emission) system to be confirmed.
- Read freeze frame data using Techstream. The ECM records vehicle and driving condition information as freeze frame data the moment a DTC is stored. When troubleshooting, freeze frame data can be helpful in determining whether the vehicle was running or stopped, whether the engine was warmed up or not, whether the air-fuel ratio was lean or rich, as well as other data recorded at the time of a malfunction Freeze Frame Data.

PROCEDURE

1. CONFIRM DTC
(a) Turn the engine switch off and wait for 10 seconds.
(b) Turn the engine switch on (IG).
(c) Turn the engine switch off and wait for 10 seconds.
(d) Connect Techstream to the DLC3.
(e) Turn the engine switch on (IG) and turn the tester ON.
(f) Select the following menu items: Powertrain / Engine / Trouble Code.
(g) Confirm DTCs and freeze frame data.
If any EVAP system DTCs are set, the malfunctioning area can be determined using the table below.
NOTE: If the reference pressure difference between the first and second checks is greater than the specification, all the DTCs relating to the reference pressure (P043E, P043F, P2401, P2402 and P2419) are stored.





NEXT -- Continue to next step.
2. PERFORM EVAP SYSTEM CHECK (AUTO OPERATION)
NOTICE:
- The Evaporative System Check (Automatic Mode) consists of 5 steps performed automatically by Techstream. It takes a maximum of approximately 18 minutes.
- Do not perform the Evaporative System Check when the fuel tank is more than 90% full because the cut-off valve may be closed, making the fuel tank leak check unavailable.
- Do not run the engine during this operation.
- When the temperature of the fuel is 35°C (95°F) or more, a large amount of vapor forms and any check results become inaccurate. When performing the Evaporative System Check, keep the temperature below 35°C (95°F).
(a) Clear the DTCs DTC Check / Clear.
(b) On the tester, select the following menu items: Powertrain / Engine / Utility / Evaporative System Check / Automatic Mode.
(c) After the Evaporative System Check is completed, check for pending DTCs by selecting the following menu items: Powertrain / Engine / Trouble Code / Pending.
HINT: If no pending DTCs are displayed, perform the MONITOR CONFIRMATION (see "Diagnostic Help" menu). After this confirmation, check for pending DTCs. If no DTCs are displayed, the EVAP system is normal.

NEXT -- Continue to next step.
3. PERFORM EVAP SYSTEM CHECK (MANUAL OPERATION)





NOTICE:
- In the Evaporative System Check (Manual Mode), perform the series of 5 Evaporative System Check steps manually using Techstream.
- Do not perform the Evaporative System Check when the fuel tank is more than 90% full because the cut-off valve may be closed, making the fuel tank leak check unavailable.
- Do not run the engine during this operation.
- When the temperature of the fuel is 35°C (95°F) or more, a large amount of vapor forms and any check results become inaccurate. When performing the Evaporative System Check, keep the temperature below 35°C (95°F).
(a) Clear the DTCs DTC Check / Clear.
(b) Select the following menu items: Powertrain / Engine / Utility / Evaporative System Check / Manual Mode.
NEXT -- Continue to next step.
4. PERFORM EVAP SYSTEM CHECK (STEP 1/5)
(a) Check the EVAP pressure in step 1/5.





Result:





*: The DTCs relating to the EVAP system displayed on Techstream when checking.
B -- REPLACE CHARCOAL CANISTER ASSEMBLY
A -- Continue to next step.
5. PERFORM EVAP SYSTEM CHECK (STEP 1/5 TO 2/5)
(a) Check the EVAP pressure in steps 1/5 and 2/5.





Result:





*: The DTCs relating to the EVAP system displayed on Techstream when checking.
HINT: The first reference pressure is the value determined in step 2/5.

B -- PERFORM ACTIVE TEST USING TECHSTREAM (VACUUM PUMP (ALONE))
A -- Continue to next step.
6. PERFORM EVAP SYSTEM CHECK (STEP 2/5)
HINT: Make a note of the pressures checked in steps "A" and "B" below.





- (a) Check the EVAP pressure 4 seconds after the leak detection pump is activated* (Step "A").
*: The leak detection pump begins to operate as step 1/5 finishes and step 2/5 starts.
- (b) Check the EVAP pressure again when it has stabilized. This pressure is the reference pressure (Step "B").
Result:






*: The DTCs relating to the EVAP system displayed on Techstream when checking.

D -- INSPECT CANISTER PUMP MODULE (VENT VALVE OPERATION)
C -- REPLACE CHARCOAL CANISTER ASSEMBLY
B -- PERFORM EVAP SYSTEM CHECK (STEP 3/5)
A -- Continue to next step.
7. PERFORM EVAP SYSTEM CHECK (STEP 2/5 TO 3/5)
(a) Check the EVAP pressure increase in step 3/5.





Result:





*: The DTCs relating to the EVAP system displayed on Techstream when checking.
C -- REPLACE CHARCOAL CANISTER ASSEMBLY
B -- INSPECT CANISTER PUMP MODULE (POWER SOURCE FOR VENT VALVE)
A -- Continue to next step.
8. PERFORM EVAP SYSTEM CHECK (STEP 3/5)
(a) Wait until the EVAP pressure change is less than 0.1 kPa-g (0.75 mmHg-g) for 30 seconds.





(b) Measure the EVAP pressure and record it.
HINT: A few minutes are required for the EVAP pressure to become saturated. When there is little fuel in the fuel tank, it takes up to 15 minutes.

NEXT -- Continue to next step.
9. PERFORM EVAP SYSTEM CHECK (STEP 4/5)
(a) Check the EVAP pressure in step 4/5.





Result:





*: The DTCs relating to the EVAP system displayed on Techstream when checking.
C -- PERFORM ACTIVE TEST USING TECHSTREAM (PURGE VSV)
B -- CHECK EVAP HOSE (PURGE VSV - AIR SURGE TANK)
A -- Continue to next step.
10. PERFORM EVAP SYSTEM CHECK (STEP 5/5)
(a) Check the EVAP pressure in step 5/5.





(b) Compare the EVAP pressure in step 3/5 and the second reference pressure (step 5/5).
Result:





*: The DTCs relating to the EVAP system displayed on Techstream when checking.
B -- PERFORM ACTIVE TEST USING TECHSTREAM (PURGE VSV)
A -- REPAIR OR REPLACE PARTS AND COMPONENTS INDICATED BY OUTPUT DTCS
11. PERFORM EVAP SYSTEM CHECK (STEP 3/5)
(a) Check the EVAP pressure in step 3/5.





Result:





*: The DTCs relating to the EVAP system displayed on Techstream when checking.
HINT: The first reference pressure is the value determined in step 2/5.

B -- PERFORM ACTIVE TEST USING TECHSTREAM (VACUUM PUMP (ALONE))
A -- REPLACE CHARCOAL CANISTER ASSEMBLY
12. PERFORM ACTIVE TEST USING TECHSTREAM (PURGE VSV)





(a) On Techstream, select the following menu items: Powertrain / Engine / Active Test / Activate the VSV for EVAP Control.
(b) Disconnect the hose (connected to the canister) from the purge VSV.
(c) Start the engine.
(d) Using the tester, turn off the purge VSV (EVAP VSV: OFF).
(e) Use your finger to confirm that the purge VSV has no suction.
(f) Using the tester, turn on the purge VSV (EVAP VSV: ON).
(g) Use your finger to confirm that the purge VSV has suction.
Result:





(h) Reconnect the hose.
C -- CHECK EVAP HOSE (PURGE VSV - AIR SURGE TANK)
B -- INSPECT DUTY VACUUM SWITCHING VALVE (PURGE VSV)
A -- Continue to next step.
13. CHECK FUEL CAP ASSEMBLY
(a) Check that the fuel cap is correctly installed and confirm the fuel cap meets OEM specifications.
(b) Tighten the fuel cap until a click sounds are heard.
HINT: If an EVAP tester is available, check the fuel cap using the tester.

1. Remove the fuel cap and install it onto a fuel cap adapter.
2. Connect an EVAP tester pump hose to the adapter, and pressurize the cap to 3.2 to 3.7 kPa (24 to 28 mmHg) using an EVAP tester pump.
3. Seal the adapter and wait for 2 minutes.
4. Check the pressure. If the pressure is 2 kPa (15 mmHg) or more, the fuel cap is normal.

Result:





(c) Reinstall the fuel cap.
C -- REPLACE FUEL CAP
B -- CORRECTLY REINSTALL OR REPLACE FUEL CAP
A -- LOCATE EVAP LEAK PART
14. INSPECT DUTY VACUUM SWITCHING VALVE (PURGE VSV)





(a) Turn the engine switch off.
(b) Disconnect the B42 purge VSV connector.
(c) Disconnect the hose (connected to the canister) from the purge VSV.
(d) Start the engine.
(e) Use your finger to confirm that the purge VSV has no suction.
Result:





(f) Reconnect the purge VSV connector.
(g) Reconnect the hose.
B -- REPLACE DUTY VACUUM SWITCHING VALVE (PURGE VSV)
A -- REPLACE ECM
15. CHECK EVAP HOSE (PURGE VSV - AIR SURGE TANK)





(a) Disconnect the hose (connected to the air surge tank) from the purge VSV.
(b) Start the engine.
(c) Use your finger to confirm that the hose has suction.
Result:





(d) Reconnect the hose.
B -- INSPECT INTAKE MANIFOLD (EVAP PURGE PORT)
A -- Continue to next step.
16. INSPECT DUTY VACUUM SWITCHING VALVE (PURGE VSV)





(a) Remove the purge VSV.
(b) Apply the battery voltage to the terminals of the purge VSV.
(c) Using an air gun, confirm that air flows from port A to port B.
Result:





(d) Install the purge VSV.
B -- REPLACE DUTY VACUUM SWITCHING VALVE (PURGE VSV)
A -- Continue to next step.
17. CHECK HARNESS AND CONNECTOR (POWER SOURCE OF PURGE VSV)





(a) Disconnect the B42 purge VSV connector.
(b) Turn the engine switch on (IG).
(c) Measure the voltage between terminal 2 of the purge VSV connector and body ground.
Result:





(d) Reconnect the purge VSV connector.
B -- REPAIR OR REPLACE HARNESS OR CONNECTOR
A -- Continue to next step.
18. CHECK HARNESS AND CONNECTOR (PURGE VSV - ECM)





(a) Disconnect the B12 ECM connector and the B42 purge VSV connector.
(b) Measure the resistance.
Standard resistance:





(c) Reconnect the purge VSV connector.
(d) Reconnect the ECM connector.
NG -- REPAIR OR REPLACE HARNESS OR CONNECTOR
OK -- REPLACE ECM
19. INSPECT CANISTER PUMP MODULE (POWER SOURCE FOR VENT VALVE)





(a) Turn the engine switch off.
(b) Disconnect the L2 canister pump module connector.
(c) Turn the engine switch on (IG).
(d) Measure the voltage between the VLVB terminal of the canister pump module connector and body ground.
Result:





(e) Reconnect the canister pump module connector.
B -- REPAIR OR REPLACE HARNESS OR CONNECTOR
A -- Continue to next step.
20. INSPECT CANISTER PUMP MODULE (VENT VALVE OPERATION)





(a) Turn the engine switch off.
(b) Disconnect the L2 canister pump module connector.
(c) Apply battery voltage to the VLVB and VGND terminals of the canister pump module.
(d) Touch the canister pump module to confirm the vent valve operation.
Result:





(e) Reconnect the canister connector.
B -- REPLACE CHARCOAL CANISTER ASSEMBLY
A -- Continue to next step.
21. CHECK HARNESS AND CONNECTOR (ECM - CANISTER PUMP MODULE)





(a) Disconnect the A10 ECM connector.
(b) Disconnect the L2 canister pump module connector.
(c) Measure the resistance between the VPMP terminal of the ECM connector and the VGND terminal of the canister pump module connector.
Result:





(d) Reconnect the ECM connector.
(e) Reconnect the canister pump module connector.
B -- REPAIR OR REPLACE HARNESS OR CONNECTOR
A -- REPLACE ECM
22. PERFORM ACTIVE TEST USING TECHSTREAM (VACUUM PUMP (ALONE))





(a) Turn the engine switch off.
(b) Disconnect the L2 canister pump module connector.
(c) Turn the engine switch on (IG).
(d) On Techstream, select the following menu items: Powertrain / Engine / Active Test / Activate the Vacuum Pump.
(e) Measure the voltage between the MTRB terminal of the canister pump module connector and body ground when the leak detection pump is turned ON and OFF using the tester.
Result:






B -- CHECK HARNESS AND CONNECTOR (ECM - CANISTER PUMP MODULE)
A -- Continue to next step.
23. CHECK HARNESS AND CONNECTOR (CANISTER PUMP MODULE - BODY GROUND)





(a) Turn the engine switch off.
(b) Disconnect the L2 canister pump module connector.
(c) Measure the resistance between the MGND terminal of the canister pump module connector and body ground.
Result:





(d) Reconnect the canister pump module connector.
B -- REPAIR OR REPLACE HARNESS OR CONNECTOR
A -- REPLACE CHARCOAL CANISTER ASSEMBLY
24. CHECK HARNESS AND CONNECTOR (ECM - CANISTER PUMP MODULE)





(a) Turn the engine switch off.
(b) Disconnect the L2 canister pump module connector.
(c) Disconnect the A10 ECM connector.
(d) Measure the resistance between the MPMP terminal of the ECM connector and the MTRB terminal of the canister pump module connector.
Result:





(e) Reconnect the canister pump module connector.
(f) Reconnect the ECM connector.
B -- REPAIR OR REPLACE HARNESS OR CONNECTOR
A -- REPLACE ECM
25. INSPECT INTAKE MANIFOLD (EVAP PURGE PORT)
(a) Stop the engine.
(b) Disconnect the EVAP hose from the intake manifold.
(c) Start the engine.
(d) Use your finger to confirm that the port of the intake manifold has suction.
Result:





(e) Reconnect the EVAP hose.
B -- INSPECT INTAKE MANIFOLD (EVAP PURGE PORT)
A -- REPLACE EVAP HOSE (INTAKE MANIFOLD - PURGE VSV)
26. CORRECTLY REINSTALL OR REPLACE FUEL CAP
HINT:
- When reinstalling the fuel cap, tighten it until a few click sounds are heard.
- When replacing the fuel cap, use a fuel cap that meets OEM specifications, and install it until a click sounds are heard.

NEXT -- PERFORM EVAP SYSTEM CHECK (AUTO OPERATION)
27. REPLACE FUEL CAP
HINT: When installing the fuel cap, tighten it until a few click sounds are heard.

NEXT -- PERFORM EVAP SYSTEM CHECK (AUTO OPERATION)
28. LOCATE EVAP LEAK PART





(a) Disconnect the vent hose.
(b) Connect the EVAP pressure tester tool to the canister pump module with the adapter.
(c) Pressurize the EVAP system to 3.2 to 3.7 kPa (24 to 28 mmHg).
(d) Apply soapy water to the piping and connecting parts of the EVAP system.
(e) Look for areas where bubbles appear. This indicates the leak point.
(f) Repair or replace the leak point.
HINT: Disconnect the hose between the canister and the fuel tank from the canister. Block the canister side and conduct an inspection. In this way, the fuel tank can be excluded as an area suspected of causing fuel leaks.

NEXT -- PERFORM EVAP SYSTEM CHECK (AUTO OPERATION)
29. REPLACE CHARCOAL CANISTER ASSEMBLY
(a) Replace the canister assembly Removal.





NOTE: When replacing the canister, check the canister pump module interior and related pipes for water, fuel and other liquids. If liquids are present, check for disconnections and/or cracks in the following: 1) the pipe from the air inlet pipe to the canister pump module; 2) the canister filter; and 3) the fuel tank vent hose.

NEXT -- PERFORM EVAP SYSTEM CHECK (AUTO OPERATION)
30. REPLACE DUTY VACUUM SWITCHING VALVE (PURGE VSV)





(a) Disconnect the connector and the hoses from the purge VSV.
(b) Remove the purge VSV Removal.
(c) Install a new purge VSV Installation.
(d) Reconnect the connector and hoses.
NEXT -- PERFORM EVAP SYSTEM CHECK (AUTO OPERATION)
31. REPAIR OR REPLACE HARNESS OR CONNECTOR
NEXT -- PERFORM EVAP SYSTEM CHECK (AUTO OPERATION)
32. REPLACE EVAP HOSE (INTAKE MANIFOLD - PURGE VSV)
NEXT -- PERFORM EVAP SYSTEM CHECK (AUTO OPERATION)
33. INSPECT INTAKE MANIFOLD (EVAP PURGE PORT)
(a) Check that the EVAP purge port of the intake manifold is not clogged. If necessary, replace the intake manifold.
NEXT -- PERFORM EVAP SYSTEM CHECK (AUTO OPERATION)
34. REPLACE ECM
(a) Replace the ECM Removal.
NEXT -- PERFORM EVAP SYSTEM CHECK (AUTO OPERATION)
35. REPAIR OR REPLACE PARTS AND COMPONENTS INDICATED BY OUTPUT DTCS
(a) Repair the malfunctioning areas indicated by the DTCs that had been confirmed when the vehicle was brought in.
NEXT -- PERFORM EVAP SYSTEM CHECK (AUTO OPERATION)
36. PERFORM EVAP SYSTEM CHECK (AUTO OPERATION)
NOTICE:
- The Evaporative System Check (Automatic Mode) consists of 5 steps performed automatically by Techstream. It takes a maximum of approximately 18 minutes.
- Do not perform the Evaporative System Check when the fuel tank is more than 90% full because the cut-off valve may be closed, making the fuel tank leak check unavailable.
- Do not run the engine in this step.
- When the temperature of the fuel is 35°C (95°F) or more, a large amount of vapor forms and any check results become inaccurate. When performing an Evaporative System Check, keep the temperature below 35°C (95°F).
(a) Clear the DTCs DTC Check / Clear.
(b) On Techstream, select the following menu items: Powertrain / Engine / Utility / Evaporative System Check / Automatic Mode.
(c) After the Evaporative System Check is completed, check for pending DTCs by selecting the following menu items: Powertrain / Engine / Trouble Code / Pending.
HINT: If no pending DTCs are found, the repair has been successfully completed.

NEXT -- COMPLETED

CONFIRMATION DRIVING PATTERN
HINT: After a repair, check Monitor Status by performing the Key-Off Monitor Confirmation and Purge Flow Monitor Confirmation described below.

1. KEY-OFF MONITOR CONFIRMATION
(a) Preconditions
The monitor will not run unless:
- The vehicle has been driven for 10 minutes or more (in a city area or on a freeway).
- The fuel tank is less than 90 % full.
- The altitude is less than 8,000 ft (2,400 m).
- The Engine Coolant Temperature (ECT) is between 4.4°C and 35°C (40°F and 95°F).
- The Intake Air Temperature (IAT) is between 4.4°C and 35°C (40°F and 95°F).
- The vehicle remains stationary (the vehicle speed is 0 mph (0 km/h)).

(b) Monitor Conditions
1. Allow the engine to idle for at least 5 minutes.
2. Turn the engine switch off and wait for 6 hours (8 or 10.5 hours).
HINT: Do not start the engine until checking MONITOR STATUS. If the engine is started, the steps described above must be repeated.

(c) Monitor Status
1. Connect Techstream to the DLC3.
2. Turn the engine switch on (IG) and turn the tester on.
3. Select the following menu items: Powertrain / Engine / Monitor / Status 2.
4. Check the Monitor Status displayed on the tester.
HINT: If INCMP is displayed, the monitor is not complete. Make sure that the preconditions have been met, and perform the Monitor Conditions again.

2. PURGE FLOW MONITOR CONFIRMATION (P0441)
HINT: Perform this monitor confirmation after the Key-Off Monitor Confirmation shows Compl (complete).

(a) Preconditions
The monitor will not run unless:
- The vehicle has been driven for 10 minutes or more (in a city area or on a freeway)
- The ECT is between 4.4°C and 35°C (40°F and 95°F)
- The IAT is between 4.4°C and 35°C (40°F and 95°F)

(b) Monitor Conditions
1. Release the pressure from the fuel tank by removing and reinstalling the fuel cap.
2. Warm the engine up until the ECT reaches more than 75°C (167°F).
3. Increase the engine speed to 3,000 rpm once.
4. Allow the engine to idle and turn A/C ON for 1 minute.

(c) Monitor Status
1. Turn the engine switch off (if ON or the engine is running).
2. Connect Techstream to the DLC3.
3. Turn the engine switch on (IG) and turn the tester on.
4. Select the following menu items: Powertrain / Engine / Monitor / Status 2.
5. Check the Monitor Status displayed on the tester.
HINT: If INCMP is displayed, the monitor is not complete. Make sure that the preconditions have been met, and perform the Monitor Conditions again.

MONITOR RESULT

Refer to CHECKING MONITOR STATUS Mode 6 Data.