Curiosii for ever!
: Car repair manuals for everyone.
Home
>>
Lexus
>>
2008
>>
ES 350 V6-3.5L (2GR-FE)
>>
Repair and Diagnosis
>>
Powertrain Management
>>
Computers and Control Systems
>>
Description and Operation
Computers and Control Systems: Description and Operation
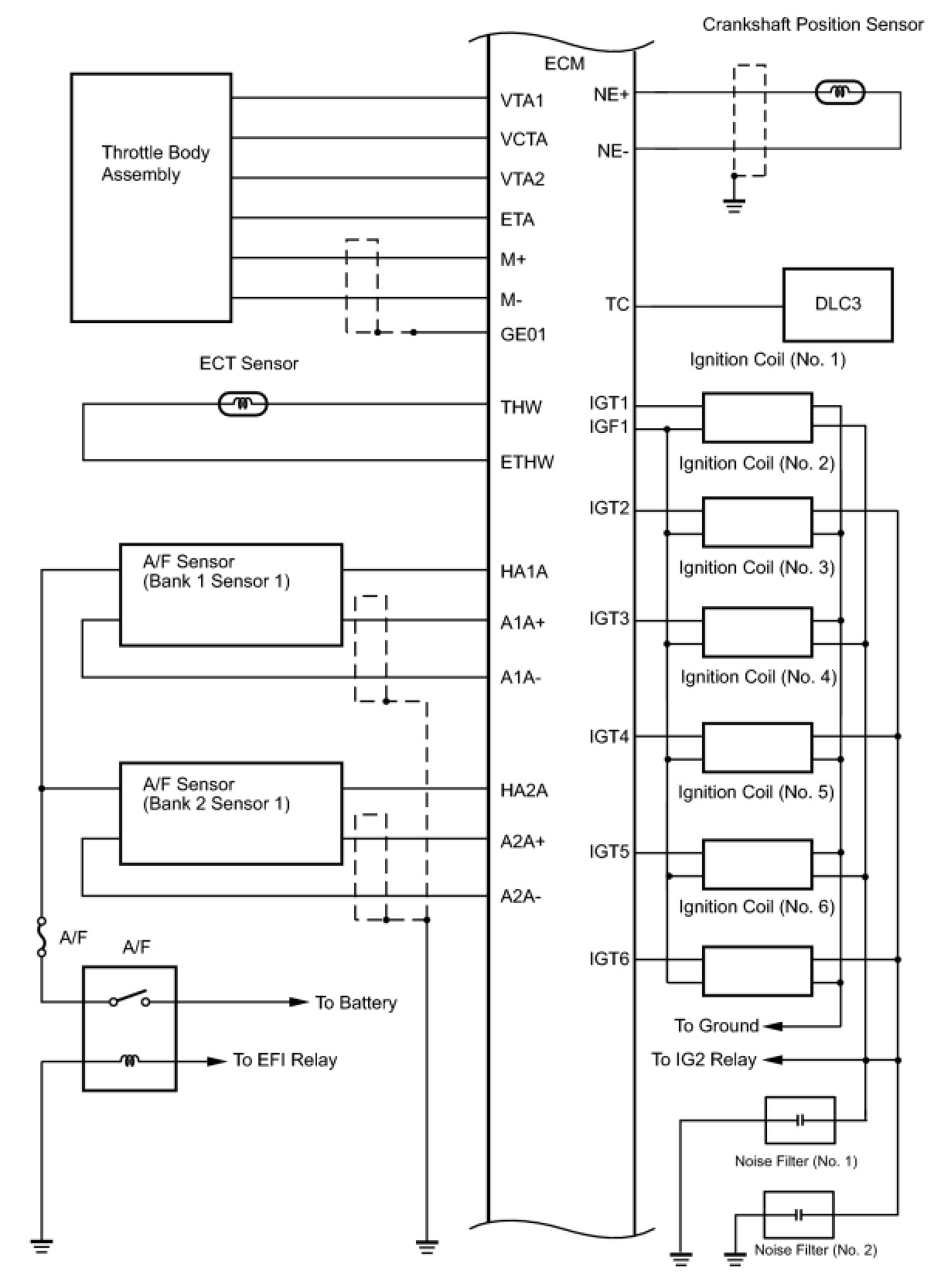
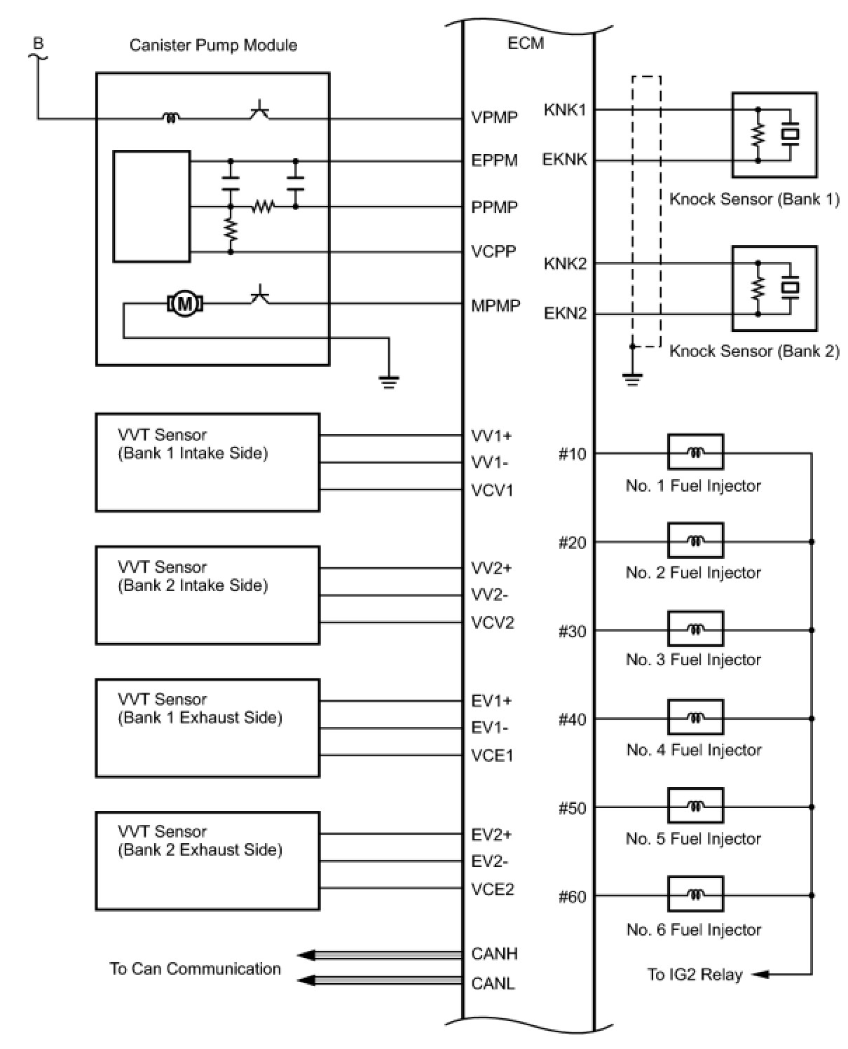
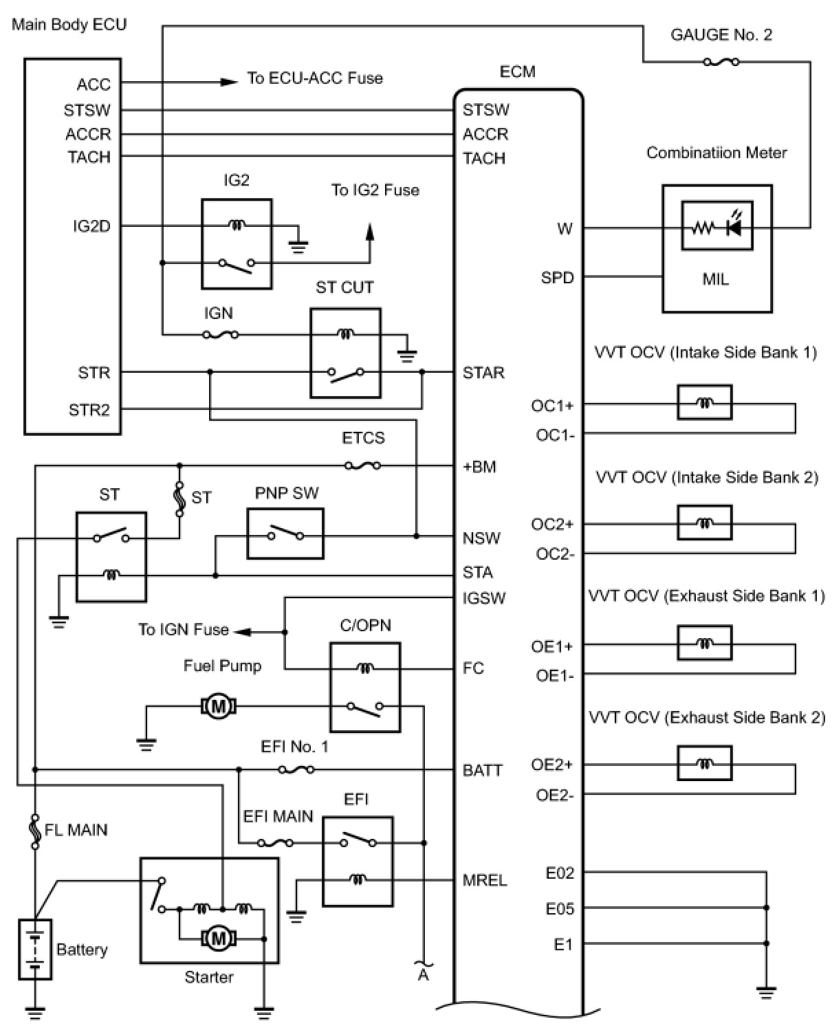
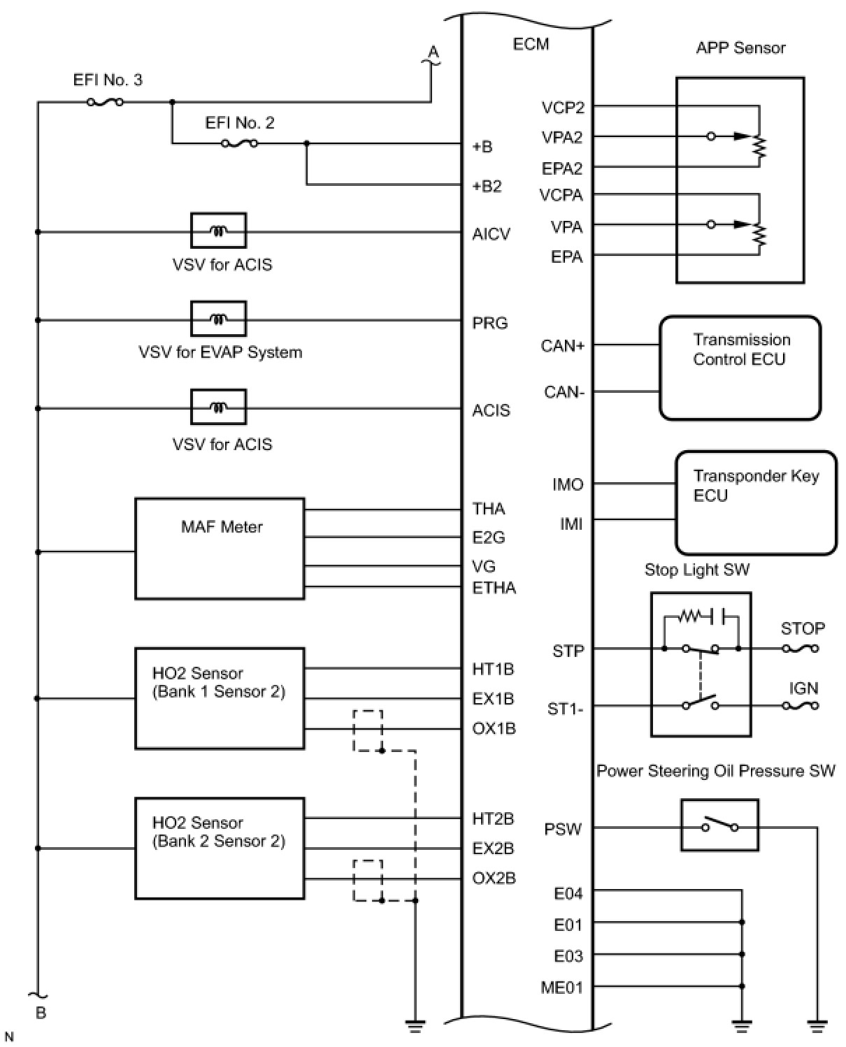
2GR-FE ENGINE CONTROL SYSTEM: SFI SYSTEM:
SYSTEM DIAGRAM