Curiosii for ever!: Car repair manuals for everyone.

Headlamp Alignment Control Module

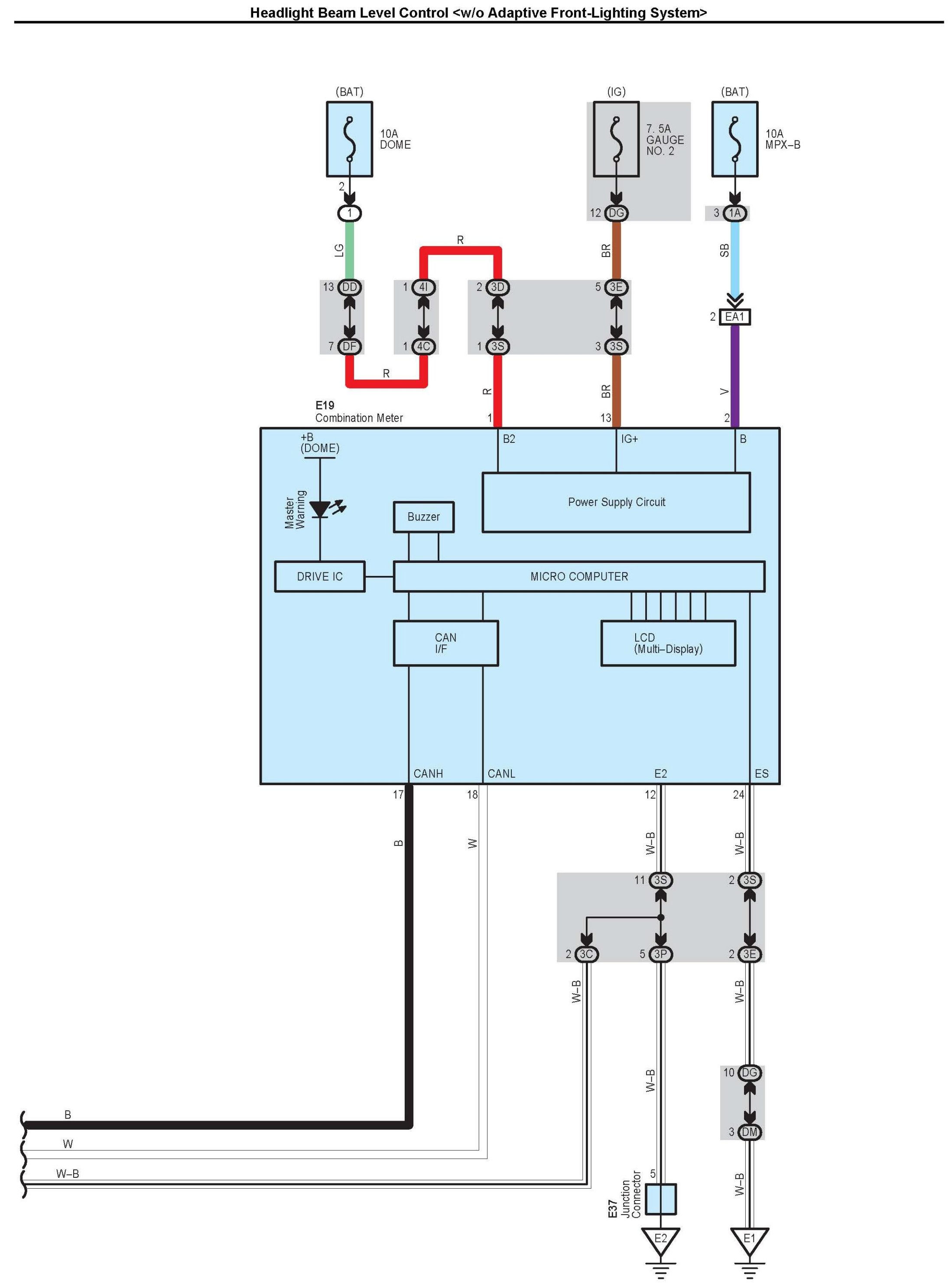
Headlight Beam Level Control <w/o Adaptive Front-Lighting System> Part 1:




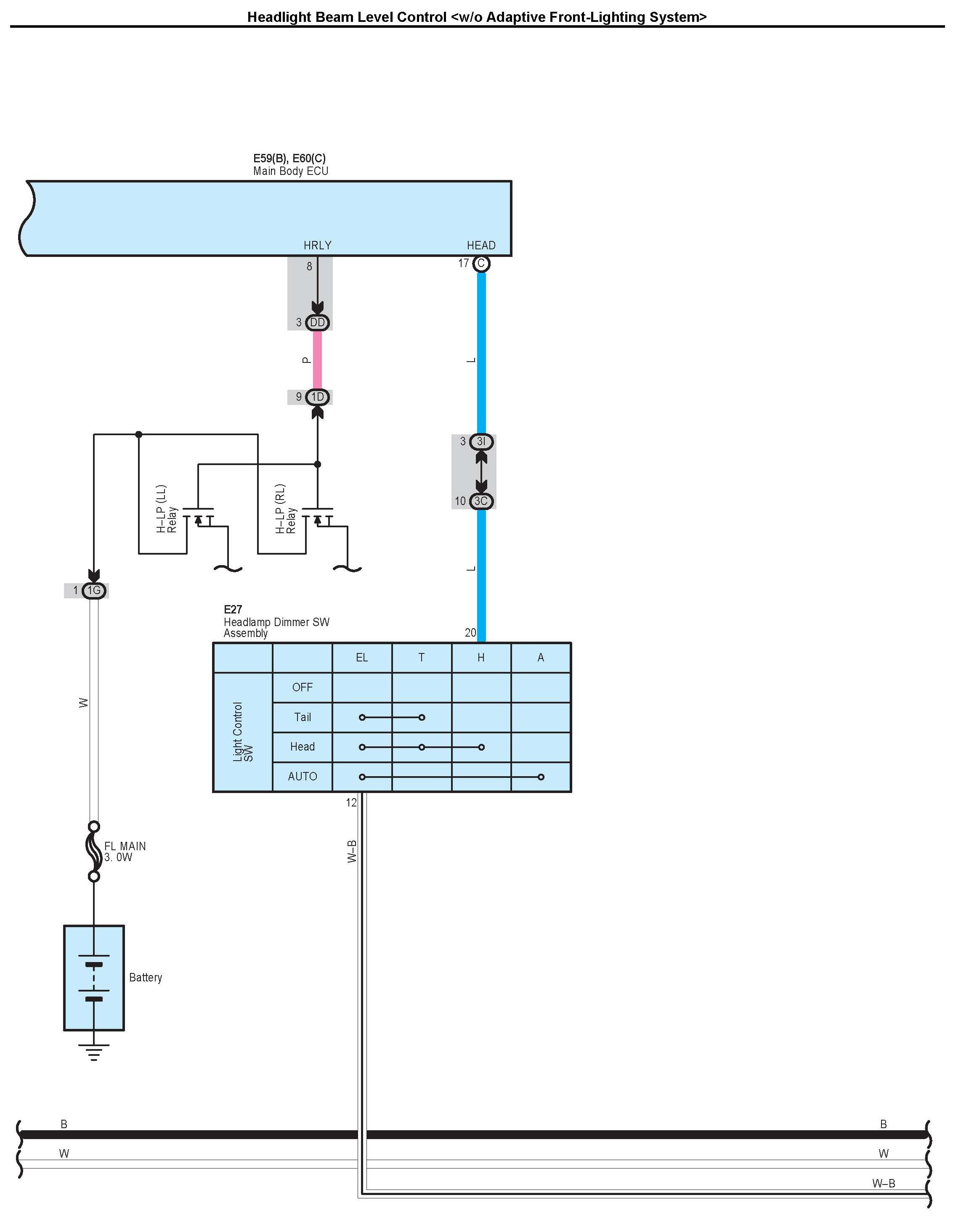
Headlight Beam Level Control <w/o Adaptive Front-Lighting System> Part 2:




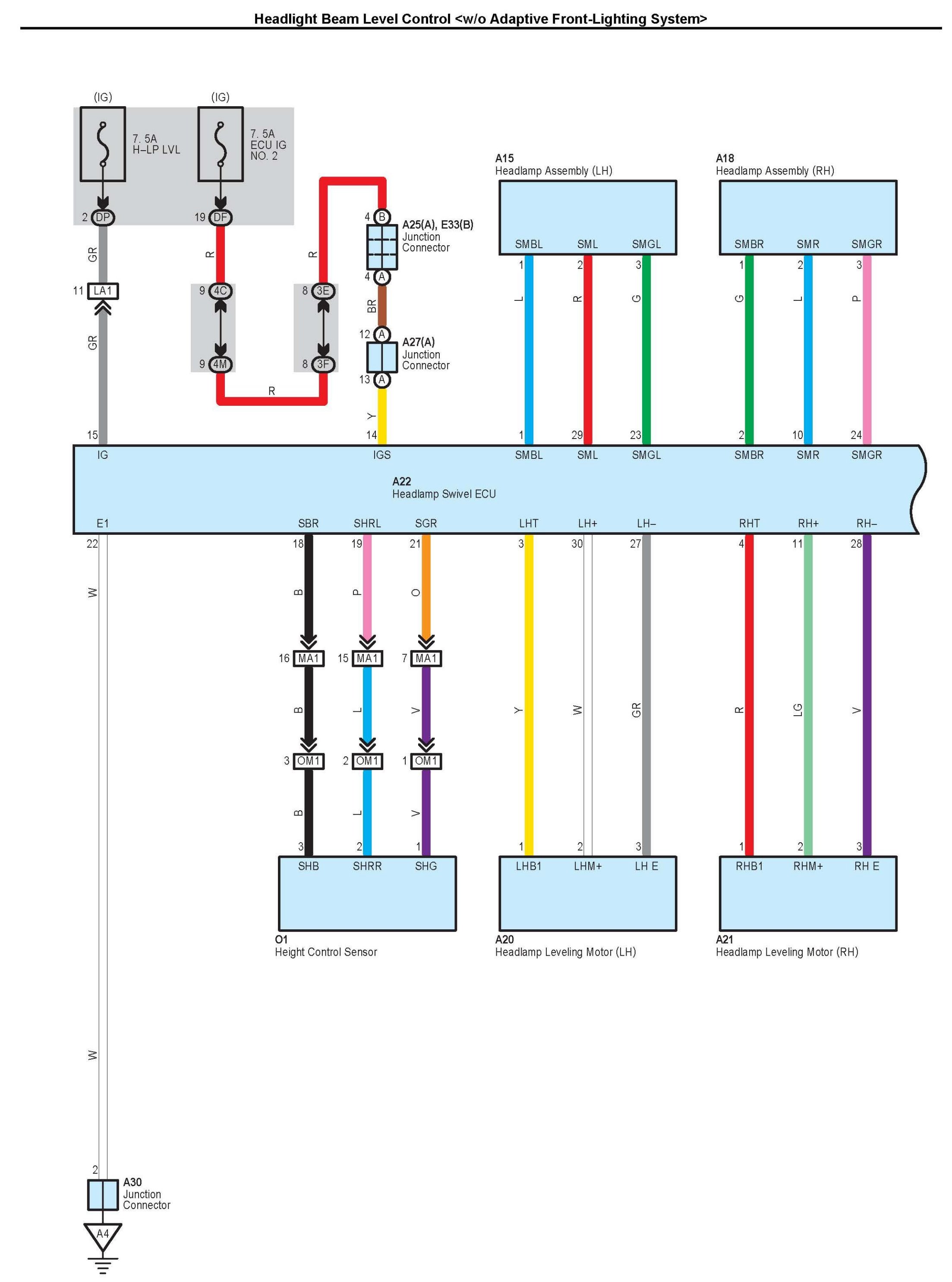
Headlight Beam Level Control <w/o Adaptive Front-Lighting System> Part 3:




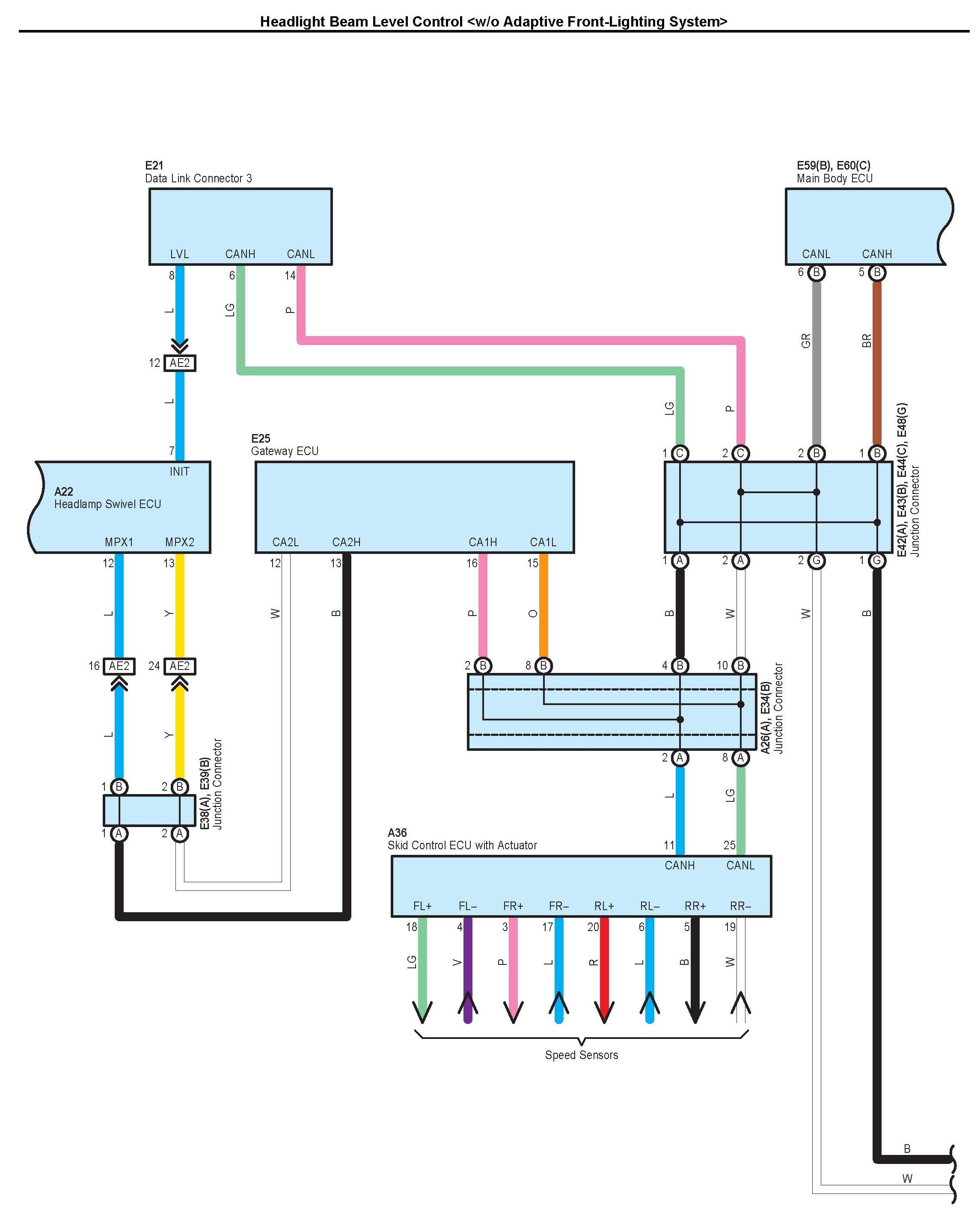
Headlight Beam Level Control <w/o Adaptive Front-Lighting System> Part 4:




Connector Pin Outs Part 1:




Connector Pin Outs Part 2:




Connector Pin Outs Part 3:




Connector Pin Outs Part 4:






Locations: The locations of components, connectors, ground points, and splices referred to within these diagrams can be found at Vehicle Locations. Locations