Curiosii for ever!: Car repair manuals for everyone.

Distance Control Switch Circuit








CRUISE CONTROL: DYNAMIC RADAR CRUISE CONTROL SYSTEM: Distance Control Switch Circuit

Distance Control Switch Circuit

DESCRIPTION

The distance control switch sets the vehicle-to-vehicle distance control mode. The distance control switch is installed in the steering pad switch. The vehicle-to-vehicle distance set value can be changed by operating the steering pad switch (distance control switch) while the dynamic radar cruise control system is in operation.

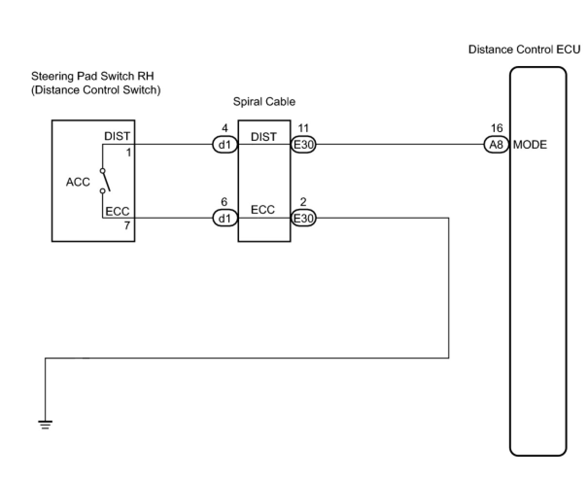
WIRING DIAGRAM





INSPECTION PROCEDURE
NOTE: When the distance control ECU and/or ECM are replaced with a new one, initialization must be performed Installation.

PROCEDURE

1. INSPECT DISTANCE CONTROL ECU





(a) Turn the engine switch on (IG).
(b) Measure the voltage according to the value(s) in the table below.
Standard voltage:






OK -- PROCEED TO NEXT CIRCUIT INSPECTION SHOWN IN PROBLEM SYMPTOMS TABLE
NG -- Continue to next step.
2. INSPECT DISTANCE CONTROL ECU CIRCUIT
(a) Disconnect the A8 connector.





(b) Measure the resistance according to the value(s) in the table below.
Standard resistance:






OK -- REPLACE DISTANCE CONTROL ECU
NG -- Continue to next step.
3. INSPECT STEERING PAD SWITCH ASSEMBLY
(a) Remove the steering pad Removal.





(b) Disconnect the d1 connector from the spiral cable.
(c) Measure the resistance according to the value(s) in the table below.
Standard resistance:






NG -- REPLACE STEERING PAD SWITCH
OK -- Continue to next step.
4. CHECK HARNESS AND CONNECTOR (ECM - SPIRAL CABLE)
NOTE: The spiral cable is an important part of the SRS airbag system. Incorrect removal or installation of the spiral cable may cause airbag deployment.

HINT:
- Removal Removal
- Installation Installation
(a) Remove the spiral cable.





(b) Disconnect the A8 connector from the distance control ECU.
(c) Measure the resistance according to the value(s) in the table below.
Standard resistance:






NG -- REPAIR OR REPLACE HARNESS OR CONNECTOR
OK -- REPLACE SPIRAL CABLE