Curiosii for ever!: Car repair manuals for everyone.

Cruise Control Switch Circuit








CRUISE CONTROL: DYNAMIC RADAR CRUISE CONTROL SYSTEM: Cruise Control Switch Circuit

Cruise Control Switch Circuit

DESCRIPTION

The cruise control main switch operates 8 functions: SET, -(COAST), TAP-DOWN, RES (RESUME), + (ACCEL), TAP-UP, CANCEL, and MODE. The SET, TAP-DOWN, and - (COAST) functions, and the RES (RESUME), TAP-UP, and + (ACCEL) functions are operated with the same switch. The cruise control main switch is an automatic return type switch which turns on only while operating it in the direction of each arrow and turns off after releasing it. The internal contact point of the cruise control main switch is turned on with the switch operation. The ECM then reads the voltage value that has been changed by the switch operation to control MODE, SET, - (COAST), RES (RESUME), + (ACCEL), and CANCEL. The dynamic radar cruise control system has two cruise control modes: the constant speed control mode and vehicle-to-vehicle distance control mode.

- The vehicle-to-vehicle distance control mode is always selected when starting up the dynamic radar cruise control system.
- The operation of the constant speed control mode is the same as that for a conventional cruise control system.

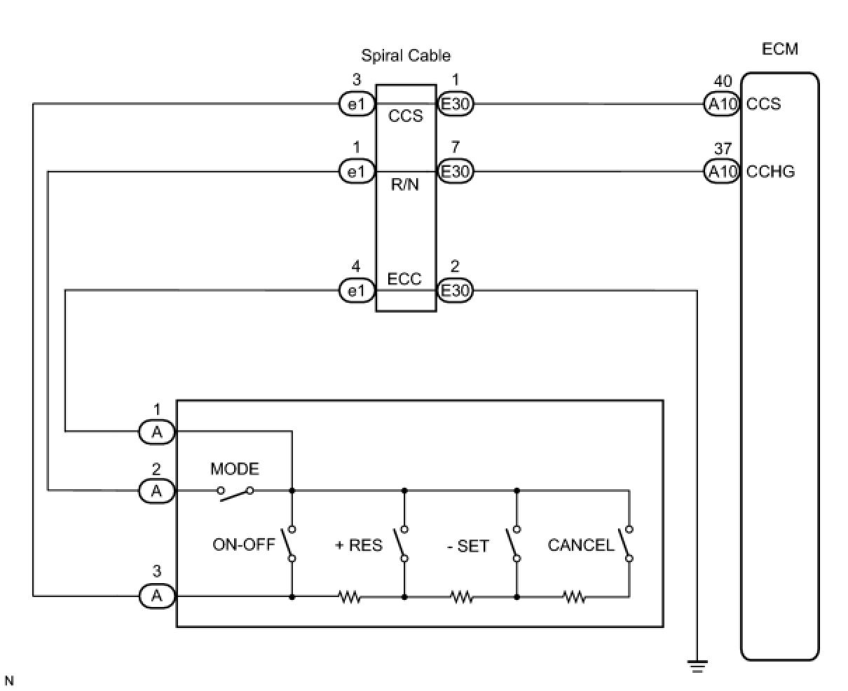
WIRING DIAGRAM





INSPECTION PROCEDURE
NOTE: When the distance control ECU and/or ECM are replaced with a new one, initialization must be performed Installation.

PROCEDURE

1. READ VALUE USING TECHSTREAM





(a) Connect Techstream to the DLC3.
(b) Turn the engine switch on (IG).
(c) Turn the tester on.
(d) Enter the following menus: Powertrain / Radar Cruise / Data List.
(e) Check the Data List for proper functioning of the cruise control main switch.

ECM (Radar Cruise):





OK:
When the cruise control main switch is operated, the display changes as shown above.
Result:






C -- REPLACE CRUISE CONTROL MAIN SWITCH
A -- PROCEED TO NEXT CIRCUIT INSPECTION SHOWN IN PROBLEM SYMPTOMS TABLE
B -- Continue to next step.
2. INSPECT CRUISE CONTROL MAIN SWITCH
(a) Disconnect the cruise control main switch connector.





(b) Measure the resistance according to the value(s) in the table below.
Standard resistance:






NG -- REPLACE CRUISE CONTROL MAIN SWITCH
OK -- Continue to next step.
3. INSPECT SPIRAL CABLE
NOTE: The spiral cable is an important part of the SRS airbag system. Incorrect removal or installation of the spiral cable may cause airbag deployment.

HINT:
- Removal Removal
- Installation Installation





(a) Remove the spiral cable.
(b) Measure the resistance according to the value(s) in the table below.
Standard resistance:





HINT: The spiral cable makes a maximum of approximately 5 rotations.

NG -- REPLACE SPIRAL CABLE
OK -- Continue to next step.
4. CHECK WIRE HARNESS (SPIRAL CABLE - ECM)





(a) Measure the resistance according to the value(s) in the table below.
Standard resistance:






NG -- REPAIR OR REPLACE HARNESS OR CONNECTOR
OK -- Continue to next step.
5. CHECK WIRE HARNESS (SPIRAL CABLE - BODY GROUND)





(a) Measure the resistance according to the value(s) in the table below.
Standard resistance:






NG -- REPAIR OR REPLACE HARNESS OR CONNECTOR
OK -- PROCEED TO NEXT CIRCUIT INSPECTION SHOWN IN PROBLEM SYMPTOMS TABLE