Curiosii for ever!: Car repair manuals for everyone.

Timing Belt: Service and Repair

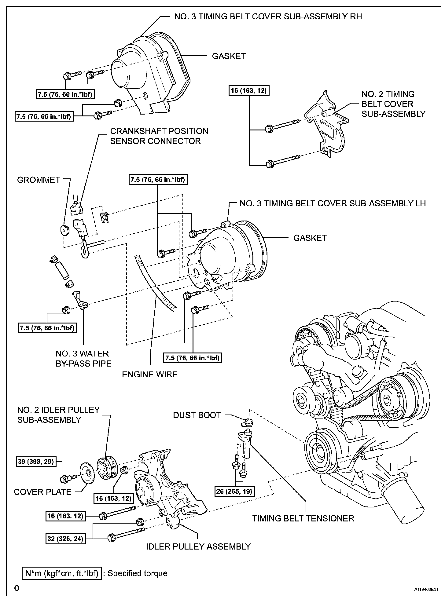
TIMING BELT

COMPONENTS (Part 1):




COMPONENTS (Part 2):




COMPONENTS (Part 3):




COMPONENTS (Part 4):




COMPONENTS (Part 5):




COMPONENTS (Part 6):





REMOVAL
1. DISCONNECT CABLE FROM NEGATIVE BATTERY TERMINAL

CAUTION: Wait at least 90 seconds after disconnecting the cable from the negative (-) battery terminal to prevent airbag and seat belt pretensioner activation.

2. REMOVE NO. 1 AIR CLEANER INLET
3. DRAIN ENGINE COOLANT
4. REMOVE V-BANK COVER
5. REMOVE INTAKE AIR CONNECTOR PIPE
6. REMOVE ENGINE UNDER COVER
7. DISCONNECT NO. 1 RADIATOR HOSE
8. DISCONNECT NO. 2 RADIATOR HOSE
9. DISCONNECT NO. 1 OIL COOLER INLET TUBE
10. DISCONNECT NO. 1 OIL COOLER OUTLET TUBE
11. REMOVE AIR CLEANER ASSEMBLY
12. REMOVE RADIATOR ASSEMBLY
13. REMOVE FAN AND GENERATOR V BELT
14. REMOVE VANE PUMP ASSEMBLY
(a) Remove the 2 bolts, nut and pump.

HINT: The pump should be removed with the hoses connected. Then hang it with a rope or wire on the vehicle body's side.

15. REMOVE GENERATOR ASSEMBLY
16. DISCONNECT COOLER COMPRESSOR ASSEMBLY
(a) Remove the 3 bolts, nut, stay and wire bracket, and disconnect the cooler compressor.

HINT: The cooler compressor (together with magnetic clutch) should be disconnected with the low-pressure and high-pressure hoses connected, and then hung with a rope or wire on the vehicle body's side.





17. REMOVE NO. 3 TIMING BELT COVER SUB-ASSEMBLY RH
(a) Disconnect the 2 PS air hoses from the clamp on the timing belt cover.
(b) Remove the cap nut, 3 bolts, timing belt cover and gasket.

18. REMOVE NO. 3 TIMING BELT COVER SUB-ASSEMBLY LH





(a) Remove the cap nut and disconnect the No. 3 water by-pass pipe from the timing belt cover.
(b) Disconnect the 2 water by-pass hoses from the No. 3 water by-pass pipe.





(c) Disconnect the engine wire from the 2 wire clamps.
(d) Disconnect the camshaft position sensor connector.
(e) Disconnect the camshaft position sensor wire from the wire clamp on the timing belt cover.
(f) Remove the wire grommet from the timing belt cover.
(g) Remove the 4 bolts.
(h) Disconnect the timing belt cover from the timing plate and camshaft bearing cap.
(i) Disconnect the wire clamp for the sensor from the timing belt cover.
(j) Remove the connector holder from the sensor connector.
(k) Remove the timing belt cover.





19. REMOVE NO. 2 IDLER PULLEY SUB-ASSEMBLY
(a) Remove the pulley bolt, cover plate and idler pulley.





20. REMOVE NO. 2 TIMING BELT COVER SUB-ASSEMBLY
(a) Remove the 2 bolts and timing belt cover.





21. REMOVE V-RIBBED BELT TENSIONER ASSEMBLY
(a) Remove the bolt, 2 nuts and belt tensioner.





22. REMOVE IDLER PULLEY ASSEMBLY
(a) Remove the 2 bolts, 2 nuts and idler pulley.

23. REMOVE CRANKSHAFT PULLEY





(a) Using SST, remove the pulley bolt.
SST 09213-70011, 09330-00021





(b) Using SST, remove the pulley.
SST 09950-50013 (09951-05010, 09952-05010, 09953-05010, 09953-05020, 09954-05021)





24. REMOVE NO. 1 TIMING BELT COVER
(a) Remove the 4 bolts and cover.

25. REMOVE CRANKSHAFT POSITION SENSOR PLATE
(a) Remove the crankshaft position sensor plate from the crankshaft.





26. REMOVE TIMING GEAR COVER SPACER
(a) Remove the cover spacer and gasket.

27. REMOVE TIMING BELT





(a) If planning to reuse the belt, check the installation marks on the timing belt.
(1) Check that there are 3 installation marks on the belt by turning the crankshaft as shown in the illustration.
If the installation marks have disappeared, place new installation marks on the belt before removing each part.





(b) Set the No. 1 cylinder to approximately 50° BTDC/ compression.
(1) Using the crankshaft pulley bolt, turn the crankshaft to align the timing marks of the crankshaft timing pulley and oil pump body.





(2) Check that the timing marks of the camshaft timing pulleys and timing belt plates are aligned.
If not, turn the crankshaft 1 revolution (360°).





(3) Using the crankshaft pulley bolt, turn the crankshaft counterclockwise by approximately 45°.

NOTICE: With timing belt disengaged: The crankshaft pulley must be at the correct angle to avoid damage in later steps. If the crankshaft pulley is at the wrong angle and then the camshaft timing pulley and the camshaft are removed, the piston head and valve head may come in contact and be damaged.

(c) Alternately loosen the 2 bolts. Then remove the 2 bolts, belt tensioner and dust boot.





(d) Using SST, loosen the tension between the camshaft timing pulley (RH bank) and crankshaft timing pulley by slightly turning the camshaft timing pulley (RH bank) counterclockwise.
SST 09960-10010 (09962-01000, 09963-00350)
(e) Disconnect the belt from the No. 1 timing belt idler, and remove the belt.

28. REMOVE NO. 1 TIMING BELT IDLER SUB-ASSEMBLY
29. REMOVE NO. 2 TIMING BELT IDLER SUB-ASSEMBLY

INSPECTION





1. INSPECT TIMING BELT

NOTICE:
^ Do not bend, twist or turn the timing belt inside out.
^ Do not allow the timing belt to come into contact with oil, water or steam.
^ Do not allow tension in the timing belt when installing or removing the mount bolt of the camshaft timing pulley.

If there are any defects as shown in the illustrations, check the following points:
(a) Premature parting
(1) Check for proper installation.
(2) Check the timing cover gasket for damage and proper installation.
(b) If the belt teeth are cracked or damaged, check to see if either camshaft is locked.
(c) If there is noticeable wear or cracks on the belt face, check to see if there are nicks on the side of the idler pulley lock and water pump.
(d) If there is wear or damage on only one side of the belt, check the belt guide and the alignment of each pulley.
(e) If there is noticeable wear on the belt teeth, check the timing cover for damage and check that the gasket has been installed correctly and for foreign material on the pulley teeth. If necessary, replace the timing belt.

2. INSPECT TIMING BELT TENSIONER





(a) Visually check the seal portion of the tensioner for oil leakage.

NOTICE:
^ If there is only a faint trace of oil on the push rod, the tensioner does not need to be replaced.
^ If leakage is found, replace the tensioner.





(b) Hold the tensioner with both hands and push the push rod strongly as shown to check that it does not move. If the push rod moves, replace the tensioner.

NOTICE: Never hold the tensioner push rod facing downward.





(c) Measure the protrusion of the push rod from the housing end.
Standard protrusion: 9.5 to 10.5 mm (0.374 to 0.413 in.)
If the protrusion is not as specified, replace the tensioner.





3. INSPECT NO. 1 TIMING BELT IDLER SUB-ASSEMBLY
(a) Visually check the seal portion of the idler for oil leakage.
If leakage is found, replace the idler.
(b) Check that the idler turns smoothly.
If necessary, replace the idler.





4. INSPECT WATER PUMP ASSEMBLY
(a) Visually check the water drain hole for coolant leakage.
If leakage is found, replace the water pump assembly.
(b) Turn the pulley, and check that the water pump bearing moves smoothly and quietly.
If it moves roughly or noisily, replace the water pump assembly.

INSTALLATION
1. INSTALL NO. 2 TIMING BELT IDLER SUB-ASSEMBLY
2. INSTALL NO. 1 TIMING BELT IDLER SUB-ASSEMBLY
3. INSTALL TIMING BELT
(a) Check the No. 1 and No. 2 belt idler.
(1) Visually check the seal portion of the idler pulley for oil leakage.
If leakage is found, replace the idler.
(2) Check that the idler turns smoothly.
If necessary, replace the idler.





(b) Check the water pump.
(1) Visually check the air hole and water hole for coolant leakage.
If leakage is found, replace the water pump and belt.
(2) Turn the pulley, and check that the water pump bearing moves smoothly and quietly.
If necessary, replace the water pump.
(c) Remove any oil or water on the crankshaft, oil pump pulley, water pump pulley, No. 1 idler and No. 2 idler. Keep them clean.

NOTICE: Only wipe the pulleys. Do not use any cleaning agents on the pulleys.





(d) Set the No. 1 cylinder to TDC/compression.





(1) Turn the hexagon wrench head portion of the camshaft to align the timing marks of the camshaft timing pulleys and timing belt plates.

HINT:
Turn the camshaft timing pulleys slightly clockwise to make installation of the timing belt easier.
Camshaft timing pulley of LH bank: 1/2 of a tooth
Camshaft timing pulley of RH bank: 1 tooth





(2) Using the crankshaft pulley bolt, turn the crankshaft to align the timing marks of the crankshaft timing pulley and oil pump body.





(3) Remove any oil or water on each pulley. Keep them clean.

NOTICE: Only wipe the pulleys. Do not use any cleaning agents on the pulleys.

(4) Face the front mark (arrow) on the belt forward.
(5) Connect the belt to the crankshaft timing pulley. Align the installation mark on the belt with the timing mark of the crankshaft timing pulley.
(6) Connect the belt to the No. 2 idler.
(7) Connect the belt to the camshaft timing pulley (LH bank). Align the installation mark on the belt with the timing mark of the camshaft timing pulley.
(8) Connect the belt to the water pump pulley.
(9) Connect the belt to the camshaft timing pulley (RH bank). Align the installation mark on the belt with the timing mark of the camshaft timing pulley.
(10) Connect the timing belt to the No. 1 idler.





(e) Set the belt tensioner.
(1) Using a press, slowly press in the push rod using 981 to 9,807 N (100 to 1,000 kgf, 220 to 2,205 lbf) of pressure.
(2) Align the holes of the push rod and housing. Pass a 1.27 mm hexagon wrench through the holes to keep the setting position of the push rod.
(3) Release the press.
(4) Install the dust boot to the belt tensioner.





(f) Install the belt tensioner.
(1) Temporarily install the belt tensioner with the 2 bolts.
(2) Alternately tighten the 2 bolts.
Torque: 26 N*m (265 kgf*cm, 19 ft.*lbf)
(3) Using pliers, remove the 1.27 mm hexagon wrench from the belt tensioner.





(g) Check the valve timing.
(1) Using the crankshaft pulley bolt, slowly turn the crankshaft timing pulley 2 revolutions from TDC to TDC.

NOTICE: Always turn the crankshaft pulley clockwise.





(2) Check that each pulley aligns with the timing marks as shown in the illustration.
If the timing marks do not align, remove the belt and reinstall it.
(3) Remove the crankshaft pulley bolt.





4. INSTALL CRANKSHAFT POSITION SENSOR PLATE
(a) Install the crankshaft position sensor plate as shown in the illustration.

NOTICE: Be careful of the installation direction.





5. INSTALL TIMING GEAR COVER SPACER
(a) Install the gasket to the cover spacer.
(b) Install the cover spacer.





6. INSTALL NO. 1 TIMING BELT COVER
(a) Install the timing belt cover with the 4 bolts.
Torque: 7.5 N*m (76 kgf*cm, 66 in.*lbf)

7. INSTALL CRANKSHAFT PULLEY





(a) Align the damper set key with the key groove of the pulley.
(b) Using SST and a hammer, tap on the pulley.
SST 09223-46011





(c) Using SST, install the pulley bolt.
SST 09213-70011, 09330-00021
Torque: 245 N*m (2,498 kgf*cm, 181 ft.*lbf)





8. INSTALL IDLER PULLEY ASSEMBLY
(a) Install the idler with the 2 bolts and 2 nuts.
Torque: 16 N*m (163 kgf*cm, 12 ft.*lbf) for 12 mm head 32 N*m (326 kgf*cm, 24 ft.*lbf) for 14 mm head
Bolt length:
106 mm (4.17 in.) for 12 mm head (A)
114 mm (4.49 in.) for 14 mm head (B)





9. INSTALL V-RIBBED BELT TENSIONER ASSEMBLY
(a) Install the belt tensioner with the bolt and 2 nuts.
Torque: 16 N*m (163 kgf*cm, 12 ft.*lbf)

HINT: Use bolts that are 106 mm (4.17 in.) in length.





10. INSTALL NO. 2 TIMING BELT COVER SUB-ASSEMBLY
(a) Set the No. 2 cover by matching the claws and pin with each part.
(b) Install the timing belt cover with the 2 bolts.
Torque: 16 N*m (163 kgf*cm, 12 ft.*lbf)

HINT: Use bolts that are 106 mm (4.17 in.) in length.





11. INSTALL NO. 2 IDLER PULLEY SUB-ASSEMBLY
(a) Install the idler pulley and cover plate with the bolt.
Torque: 39 N*m (398 kgf*cm, 29 ft.*lbf)

12. INSTALL NO. 3 TIMING BELT COVER SUB-ASSEMBLY LH





(a) Install the gasket to the cover.
(b) Run the camshaft position sensor wire through the cover hole.
(c) Install the cover with the 4 bolts.
Torque: 7.5 N*m (76 kgf*cm, 66 in.*lbf)
(d) Install the wire grommet to the cover.
(e) Install the sensor connector to the sensor holder.
(f) Connect the sensor connector.
(g) Install the sensor wire to the wire clamp on the cover.
(h) Install the engine wire to the 2 wire clamps on the cover.





(i) Connect the 2 water by-pass hoses as shown in the illustration.
(j) Install the No. 3 water by-pass pipe to the cover with the cap nut.
Torque: 7.5 N*m (76 kgf*cm, 66 in.*lbf)





13. INSTALL NO. 3 TIMING BELT COVER SUB-ASSEMBLY RH
(a) Install the gasket to the cover.
(b) Install the cover with the cap nut and 3 bolts.
Torque: 7.5 N*m (76 kgf*cm, 66 in.*lbf)
(c) Install the 2 PS air hoses to the clamp on the cover.

14. CONNECT COOLER COMPRESSOR ASSEMBLY
(a) Set the cooler compressor to the engine. Then install the stay, wire bracket, 3 bolts and nut to connect the cooler compressor.
Torque: 49 N*m (500 kgf*cm, 36 ft.*lbf) for bolts 29 N*m (296 kgf*cm, 21 ft.*lbf) for nuts

15. INSTALL GENERATOR ASSEMBLY
16. INSTALL VANE PUMP ASSEMBLY
17. INSTALL FAN AND GENERATOR V BELT
18. INSTALL RADIATOR ASSEMBLY
19. CONNECT NO. 1 OIL COOLER OUTLET TUBE
20. CONNECT NO. 1 OIL COOLER INLET TUBE
21. CONNECT NO. 2 RADIATOR HOSE
22. CONNECT NO. 1 RADIATOR HOSE
23. INSTALL AIR CLEANER ASSEMBLY
24. INSTALL INTAKE AIR CONNECTOR PIPE
25. INSTALL NO. 1 AIR CLEANER INLET
26. INSTALL V-BANK COVER
27. CONNECT CABLE TO NEGATIVE BATTERY TERMINAL
28. PERFORM INITIALIZATION
(a) Perform initialization.

NOTICE: Certain systems need to be initialized after disconnecting and reconnecting the cable from the negative (-) battery terminal.

29. ADD ENGINE COOLANT
30. CHECK FOR ENGINE COOLANT LEAKS
31. INSTALL ENGINE UNDER COVER