Curiosii for ever!
: Car repair manuals for everyone.
Home
>>
Lexus
>>
2007
>>
LS 460 V8-4.6L (1UR-FSE)
>>
Repair and Diagnosis
>>
Starting and Charging
>>
Starting System
>>
Description and Operation
>>
Starting System
Starting System
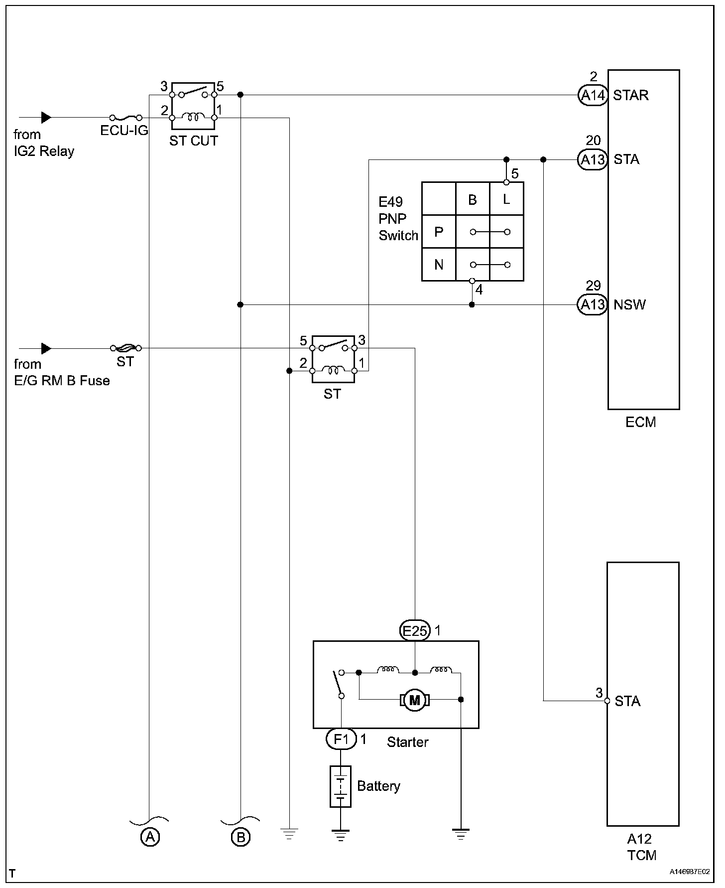
System Diagram (Part 1):
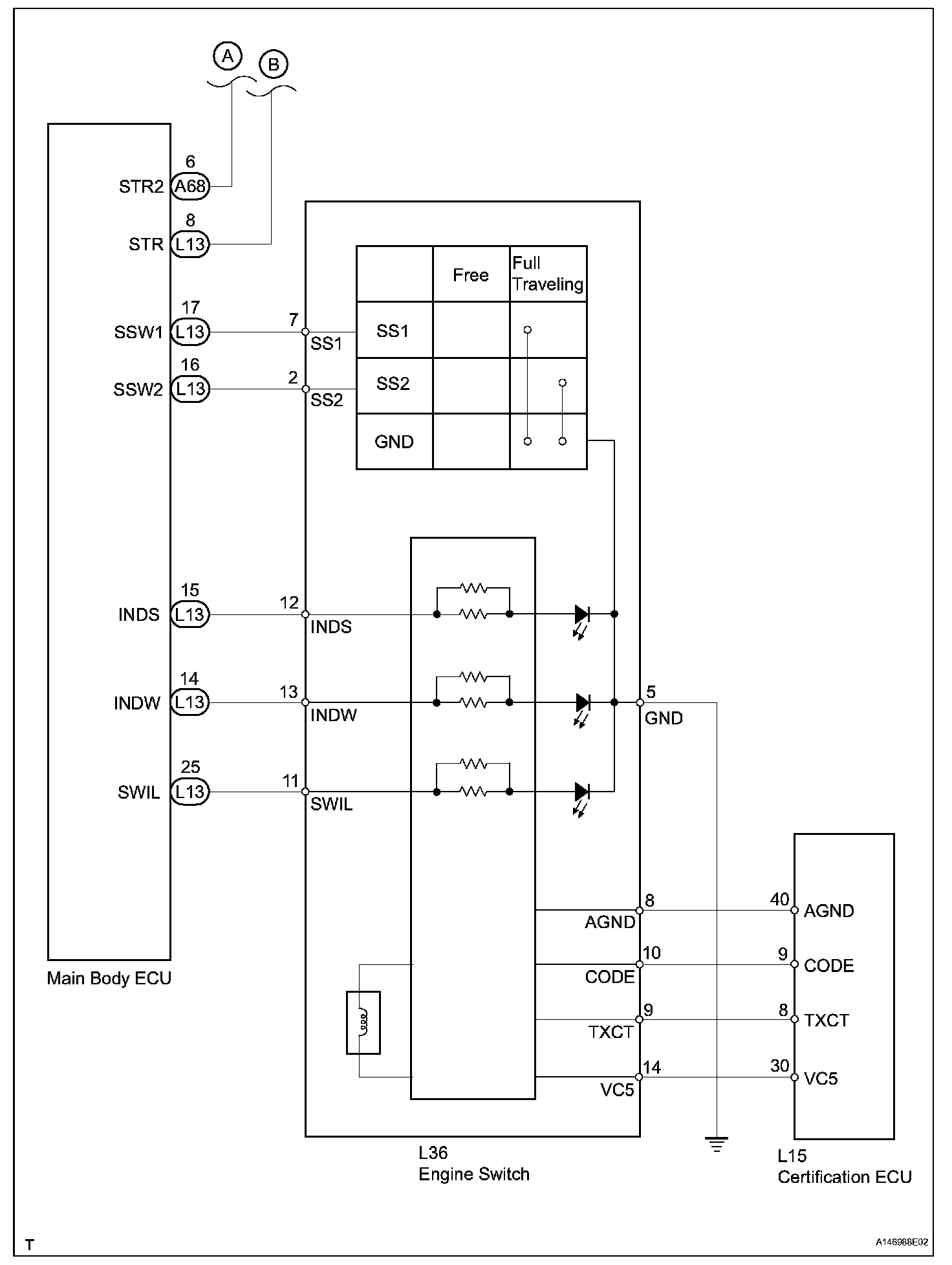
System Diagram (Part 2):