Curiosii for ever!: Car repair manuals for everyone.

Smart Access System With Push-Button Start

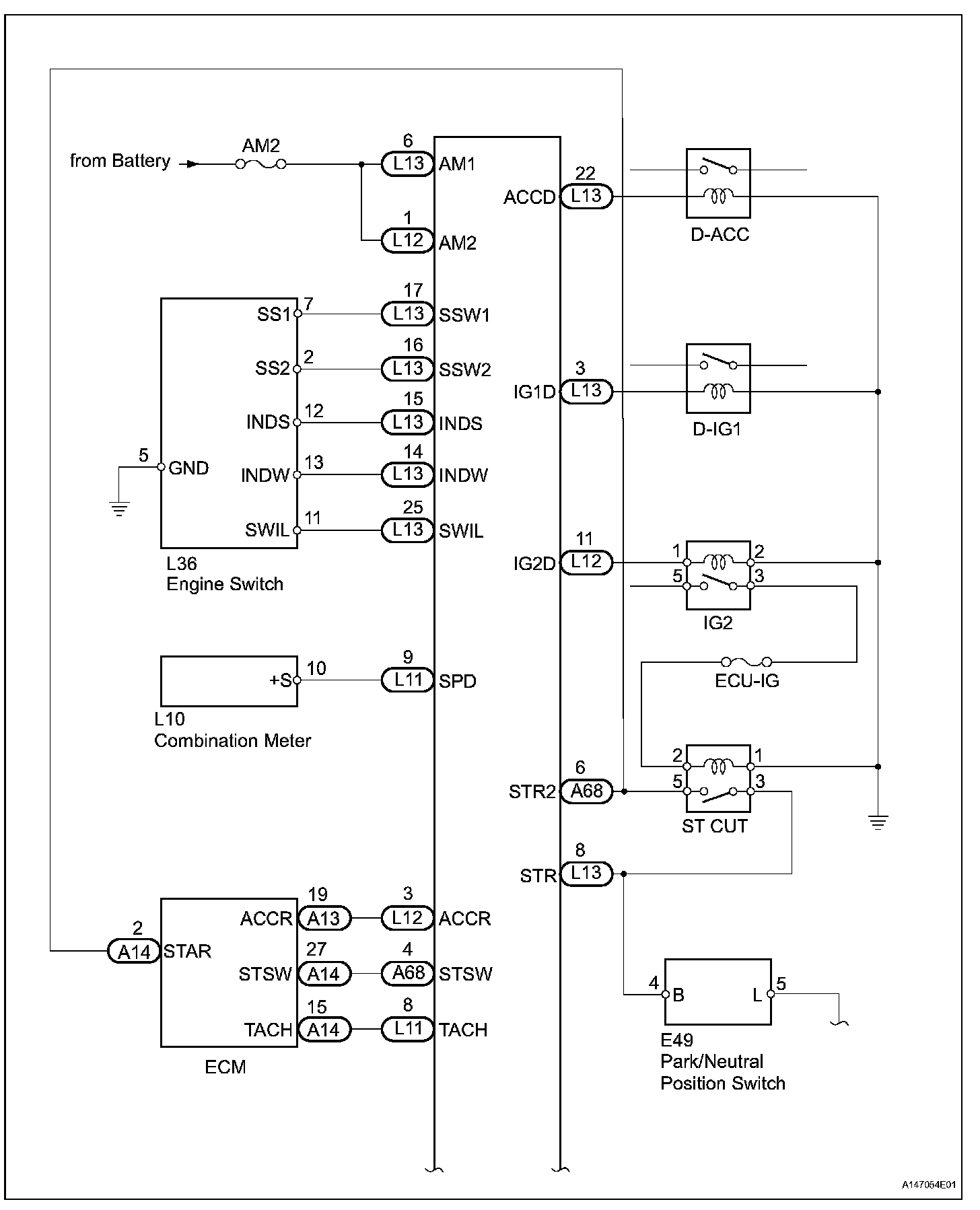
System Diagram (Part 1):




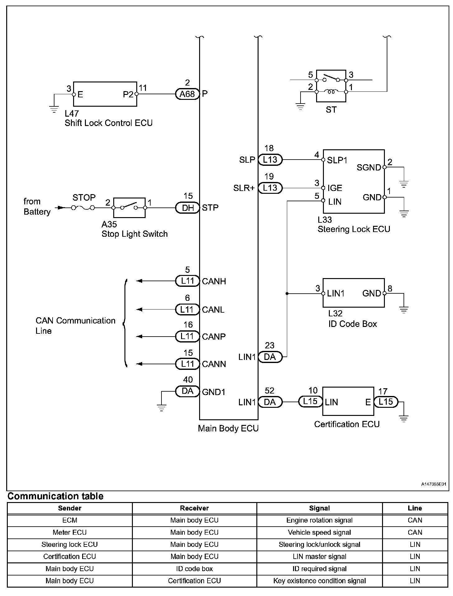
System Diagram (Part 2):




SYSTEM DIAGRAM

SYSTEM DESCRIPTION

1. PUSH-BUTTON START DESCRIPTION
a. The push-button start uses a push-type engine switch, which the driver can operate by merely carrying the key. This system consists primarily of the main body ECU, engine switch, ID code box, steering lock ECU, key, D-ACC relay, D-IG1 relay, IG2 relay and certification ECU. The main body ECU controls the system. This function operates in cooperation with the smart access system with push-button start. The table shows the transition of the engine switch, which depends on whether the brake pedal is depressed or released.




b. This system has different power source mode patterns depending on the brake pedal and shift lever conditions.

When the battery of the key or card key is low, the push-button start function can be operated by touching the key or card key to the engine switch.




2. FUNCTION OF COMPONENT




3. SYSTEM FUNCTION
The electric controls of the push-button start function are described:

4. CONSTRUCTION AND OPERATION




a. Engine switch:
The engine switch consists of a momentary type switch, 3 color (amber, green, greenish white) LEDs, and transponder key amplifier.

- The greenish white LED is for illumination.
- The amber and green LEDs are for the indicator lights. The driver can check the present power source mode and whether the engine can start or not in accordance with the illumination state of the indicator light.
- When the main body ECU detects an abnormality in the smart access system with push-button start, it makes the amber indicator light flash. If the engine is stopped in this state, it might not be possible to restart it.




b. Indicator light condition:
c. Main body ECU:
The main body ECU consists of the D-IG1 relay, D-ACC relay and IG2 relay actuation circuits and CPU.

5. SYSTEM NOT OPERATING NORMALLY (DUE TO KEY BATTERY DEPLETION, ELECTRICAL NOISE, ETC.)




a. To operate the push-button start function when the key or card key battery is low or affected by wave noise, etc., touch the LEXUS mark of the key or card key to the engine switch while depressing the brake pedal with the shift lever in P or N.
b. The main body ECU transmits a key verification request signal from the stop light switch to the certification ECU.
c. The certification ECU does not receive an ID code response from the door control receiver, so it actuates the transponder key amplifier built into the engine switch.
d. The transponder key amplifier outputs an engine immobilizer radio wave to the key.
e. The key receives the radio wave, and returns a radio wave response to the transponder key amplifier.
f. The transponder key amplifier combines the key ID codes with the radio wave response, and transmits it to the certification ECU.
g. The certification ECU judges and verifies the ID code, and transmits a key verification OK signal to the main body ECU. The buzzer in the combination meter sounds at the same time.
h. After the buzzer sounds, with the shift lever in P or N, if the engine switch is pressed within 10 seconds with the brake pedal not depressed, the power source mode changes to on (ACC) or on (IG), as in the normal condition.

6. DIAGNOSIS
The main body ECU can detect malfunctions in the push button start function when the power source mode is on (IG). When the ECU detects a malfunction, the amber indicator light of the engine switch flashes to warn the driver. At the same time, the ECU stores the 5-digit DTC (Diagnostic Trouble Code) in the memory.
- The indicator light warning continues for 15 seconds even after the power source mode is changed to off.
- The DTC can be read by connecting the intelligent tester or Techstream to the DLC3.
- The push-button start function cannot be operated if a malfunction occurs.