Curiosii for ever!: Car repair manuals for everyone.

Main Body ECU Communication Stop Mode

Main Body ECU Communication Stop Mode




DESCRIPTION

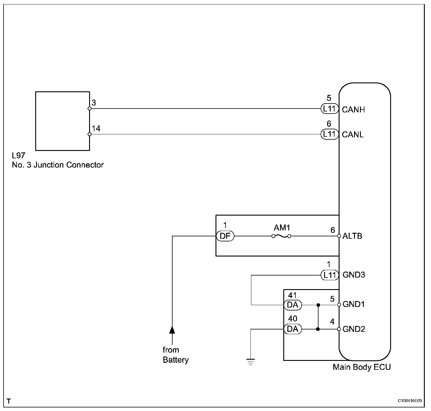
Wiring Diagram:






Step 1:




Step 1 (Continued)-2:




Step 3:




INSPECTION PROCEDURE

HINT: Operating the engine switch, any switches or any doors triggers related ECU and sensor communication with the CAN, which causes resistance variation.