Curiosii for ever!: Car repair manuals for everyone.

AFS ECU Communication Stop Mode

AFS ECU Communication Stop Mode




DESCRIPTION

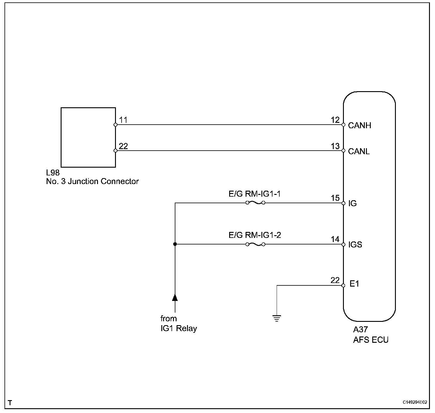
Wiring Diagram:






Step 1:




Step 1 (Continued)-3:




Step 3 (Continued):




INSPECTION PROCEDURE

HINT: Operating the engine switch, any switches or any doors triggers related ECU and sensor communication with the CAN, which causes resistance variation.