Curiosii for ever!
: Car repair manuals for everyone.
Home
>>
Lexus
>>
2007
>>
LS 460 V8-4.6L (1UR-FSE)
>>
Repair and Diagnosis
>>
Powertrain Management
>>
Computers and Control Systems
>>
Description and Operation
Computers and Control Systems: Description and Operation
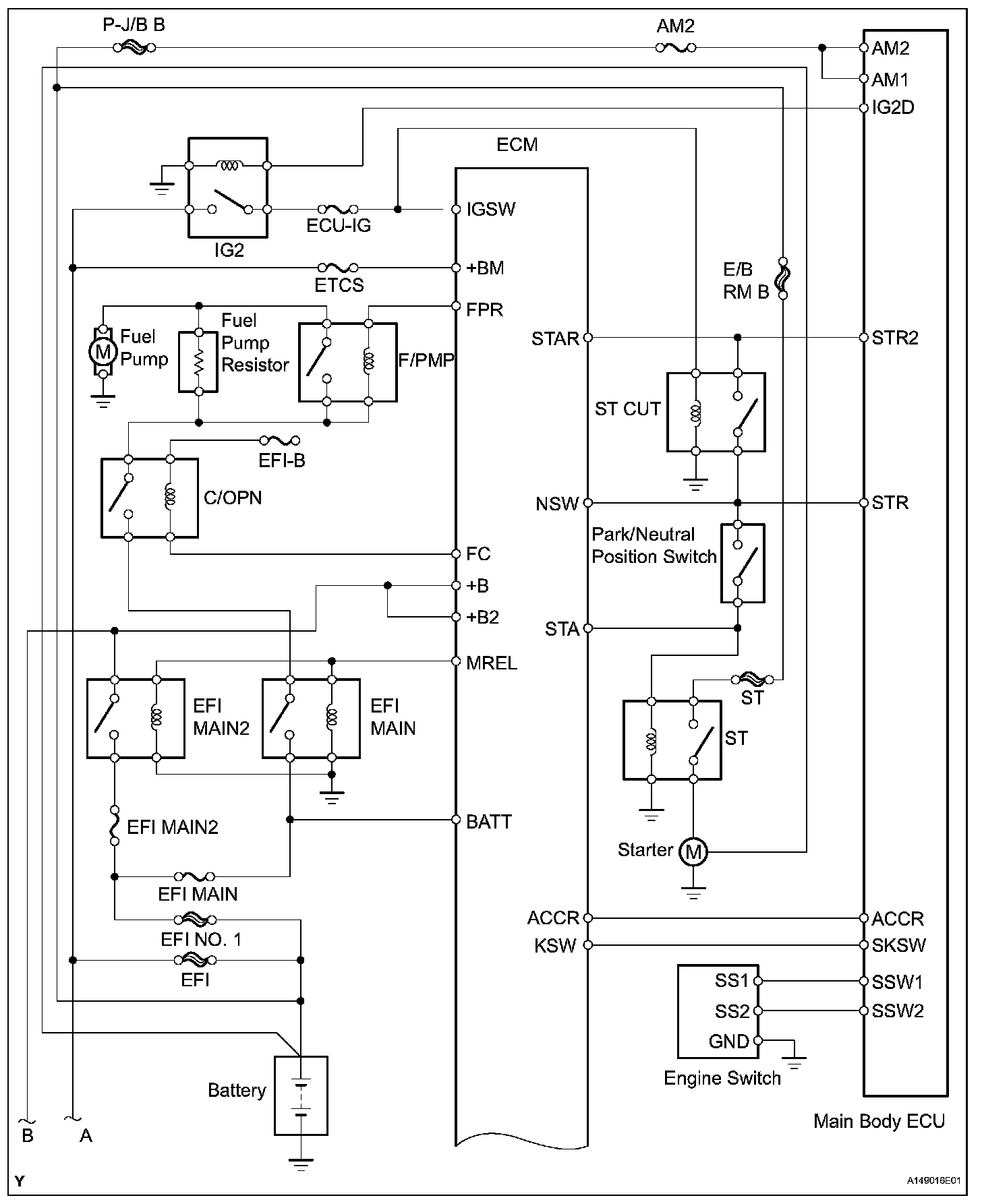
System Diagram (Part 1):
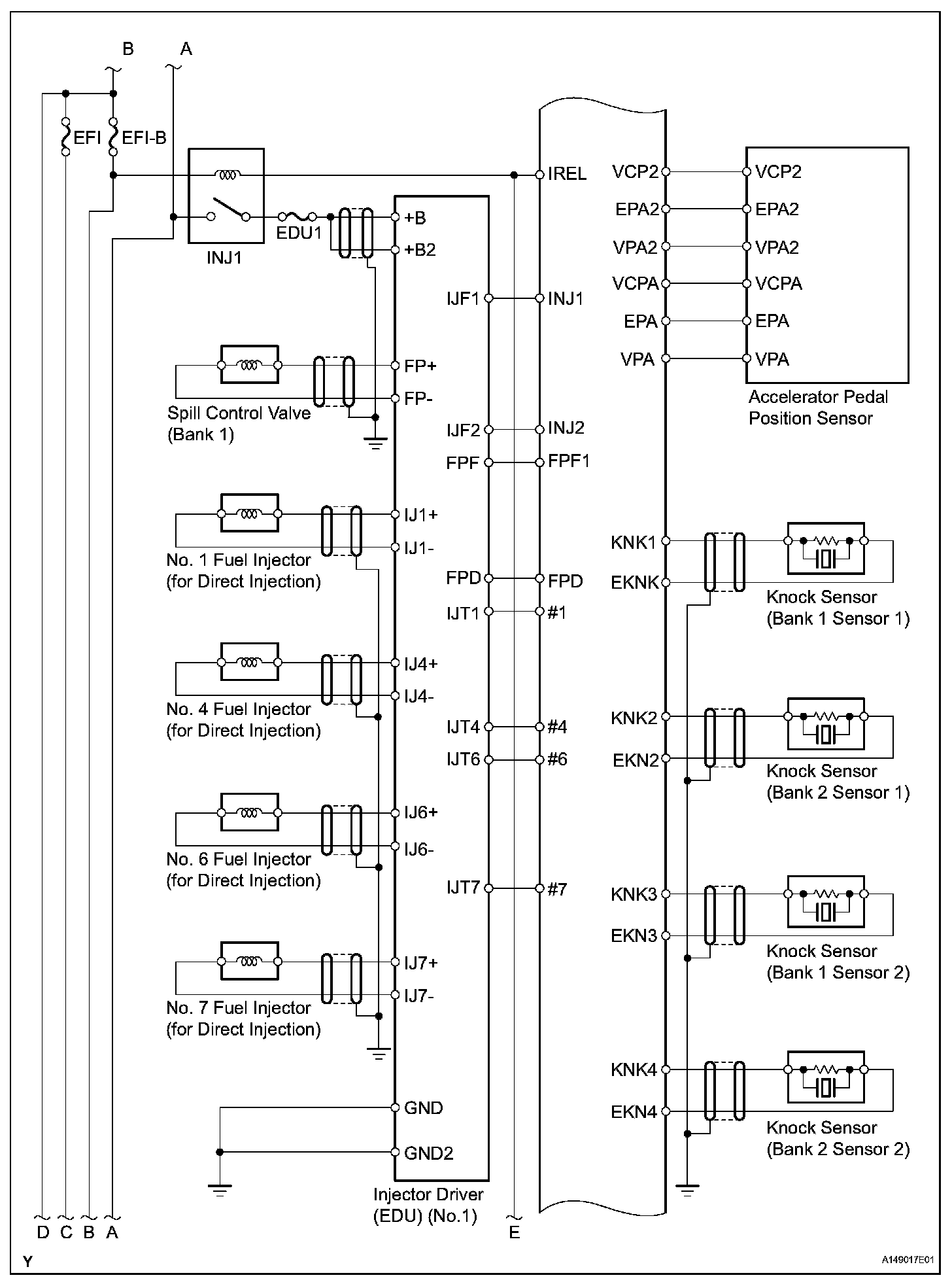
System Diagram (Part 2):
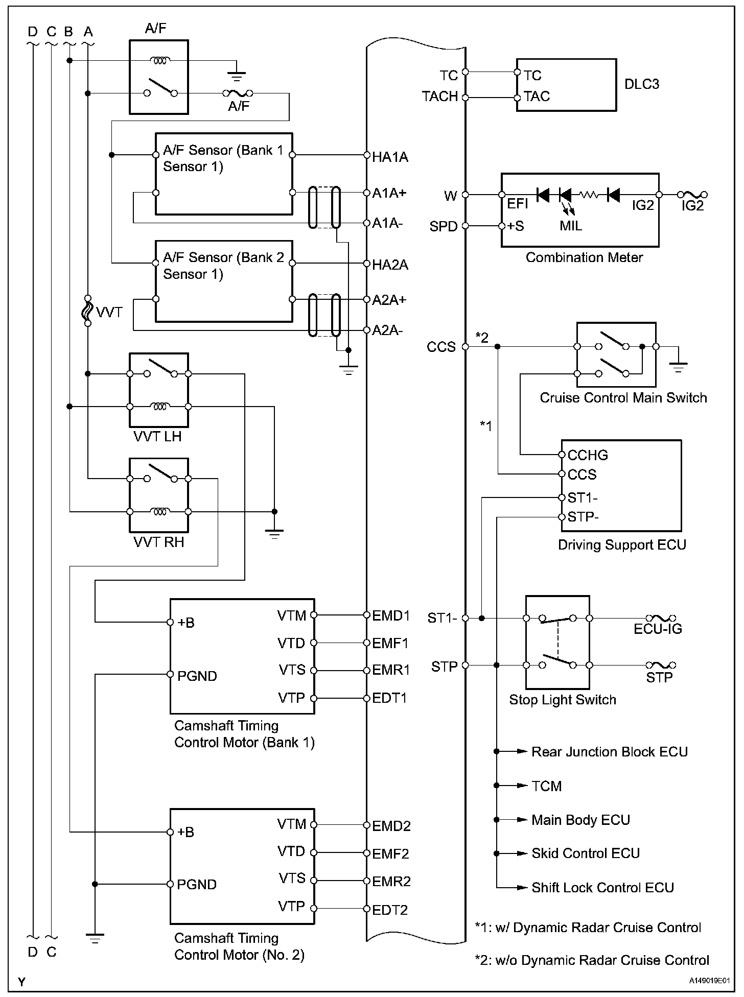
System Diagram (Part 3):
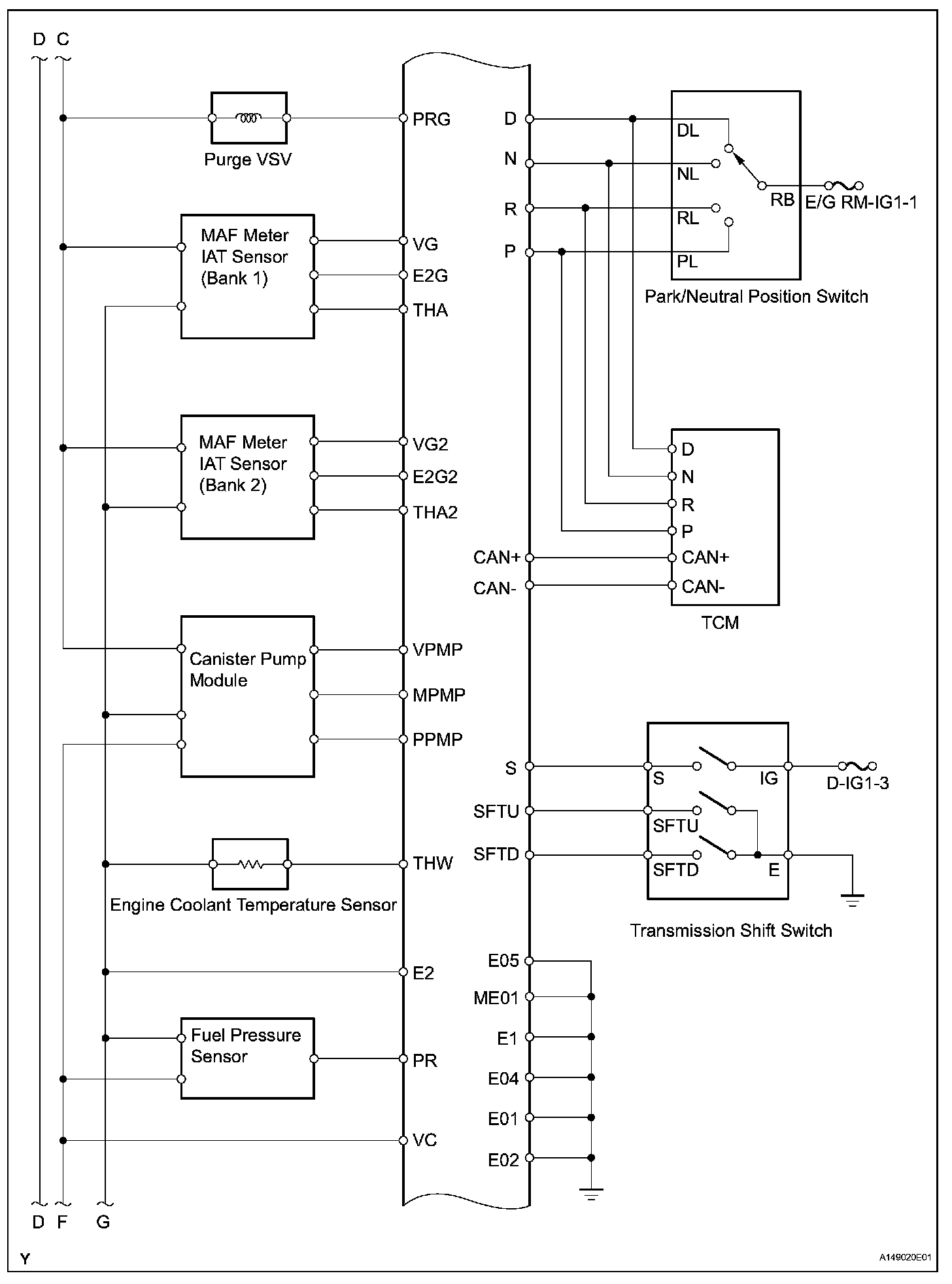
System Diagram (Part 4):
System Diagram (Part 5):
System Diagram (Part 6):
System Diagram (Part 7):