Curiosii for ever!
: Car repair manuals for everyone.
Home
>>
Lexus
>>
2007
>>
LS 460 V8-4.6L (1UR-FSE)
>>
Repair and Diagnosis
>>
Powertrain Management
>>
Computers and Control Systems
>>
Data Link Connector
>>
Locations
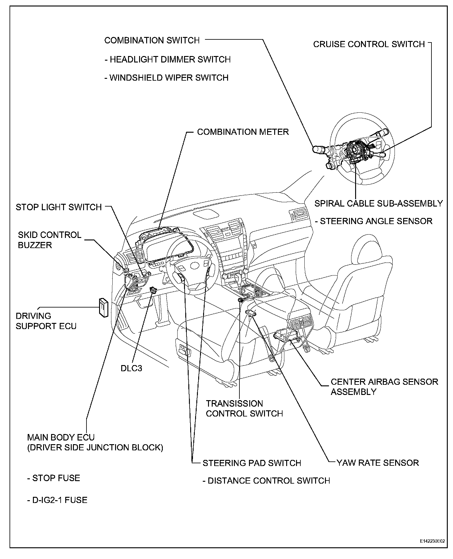
Data Link Connector: Locations
AC - Wi:
A/C - Wi:
Wiper And Washer System:
Dynamic Radar Cruise Control System: