Curiosii for ever!
: Car repair manuals for everyone.
Home
>>
Lexus
>>
2007
>>
LS 460 V8-4.6L (1UR-FSE)
>>
Repair and Diagnosis
>>
Powertrain Management
>>
Computers and Control Systems
>>
Accelerator Pedal Position Sensor
>>
Locations
Accelerator Pedal Position Sensor: Locations
A/C - Wi:
CAN Communication System:
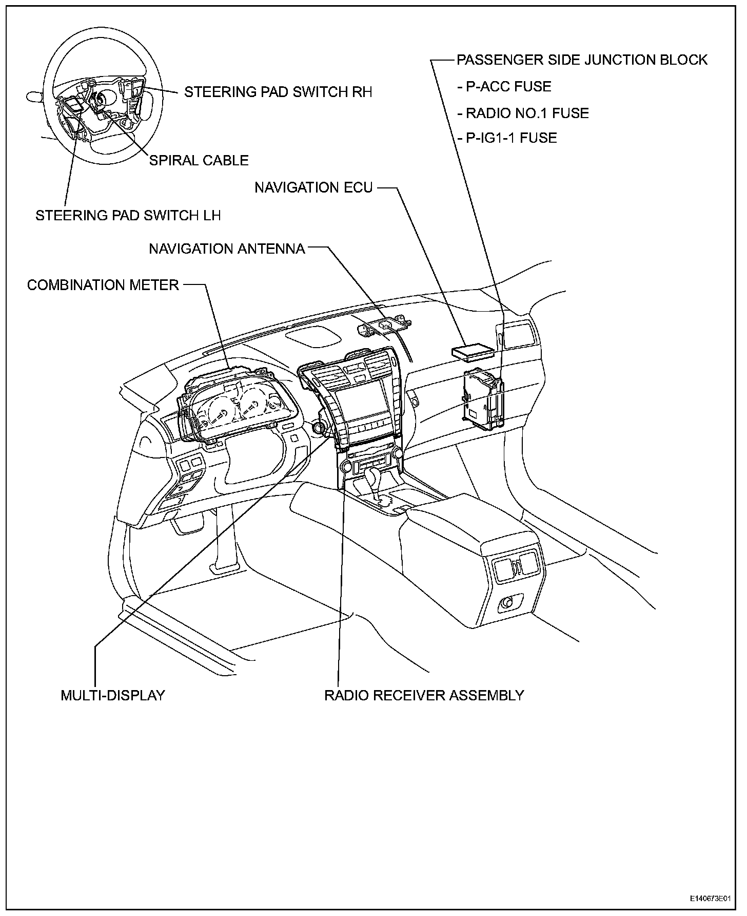
Audio And Visual System (W/ Multi-display):
Dynamic Radar Cruise Control System:
Navigation System (For DVD):