Curiosii for ever!
: Car repair manuals for everyone.
Home
>>
Lexus
>>
2007
>>
LS 460 V8-4.6L (1UR-FSE)
>>
Repair and Diagnosis
>>
Heating and Air Conditioning
>>
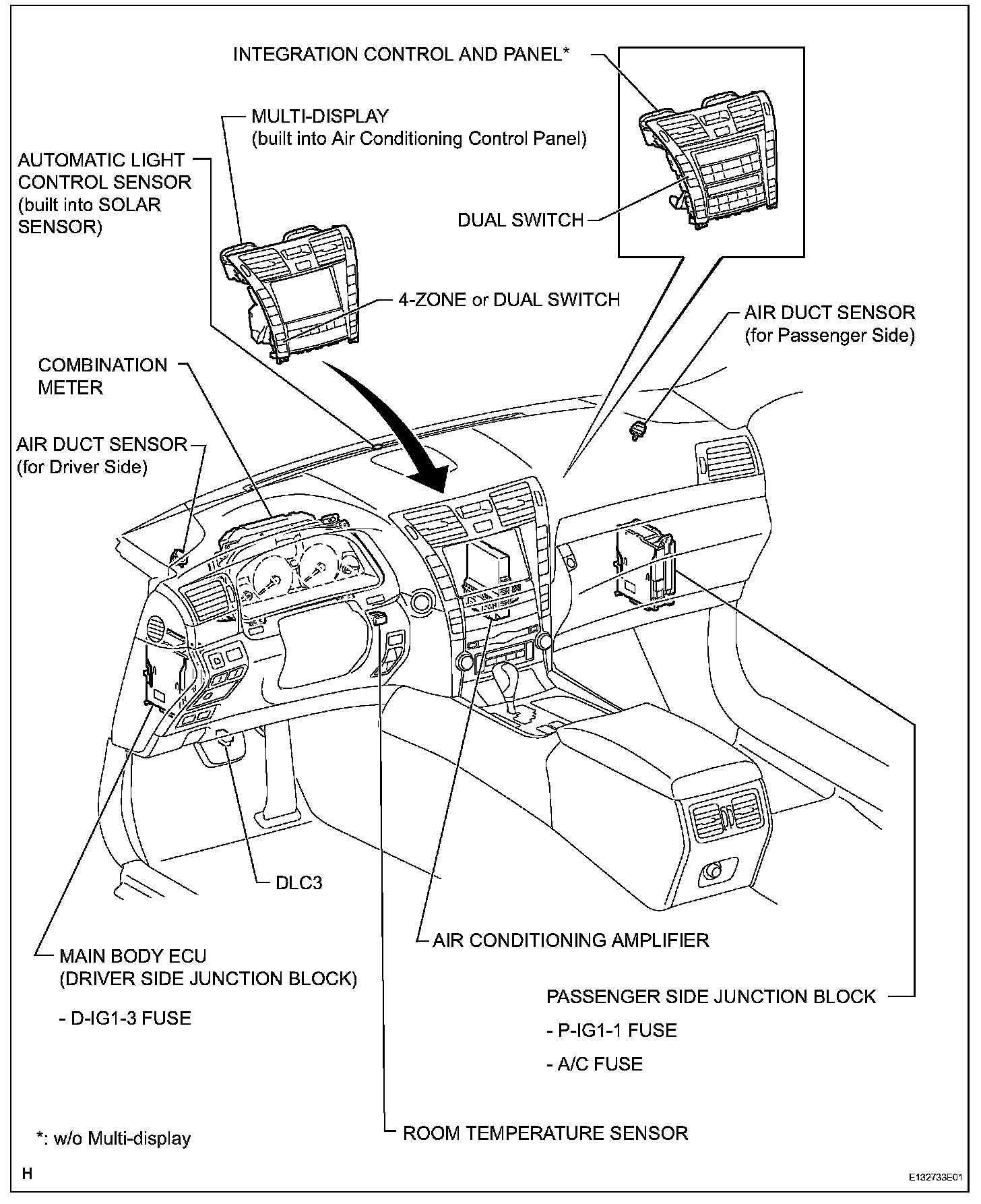
Solar Sensor
>>
Locations
Solar Sensor: Locations
El - St:
Air Conditioning System:
Air Conditioning System: