Curiosii for ever!
: Car repair manuals for everyone.
Home
>>
Lexus
>>
2007
>>
LS 460 V8-4.6L (1UR-FSE)
>>
Repair and Diagnosis
>>
Cruise Control
>>
Relays and Modules - Cruise Control
>>
Cruise Control Module
>>
Locations
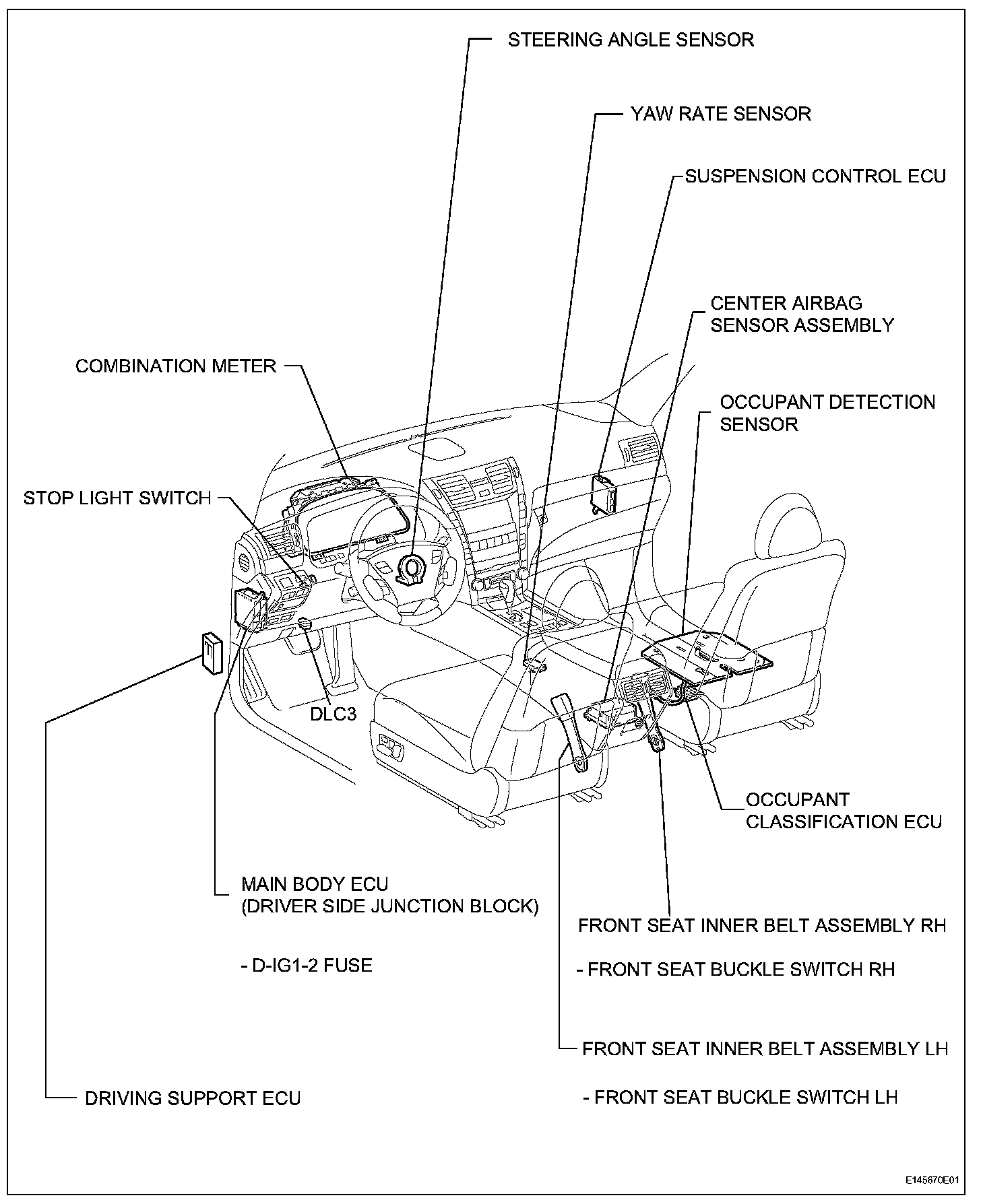
Cruise Control Module: Locations
Pre-Collision System: