Curiosii for ever!: Car repair manuals for everyone.

Only Wireless Control Function Is Inoperative

Only Wireless Control Function is Inoperative

SYSTEM DESCRIPTION
The door control receiver receives a signal from the transmitter via the amplifier antenna and send the signals to the main body ECU through the certification ECU via the CAN line. The main body ECU then controls all doors (including the luggage compartment door) by sending LOCK/UNLOCK signals to each door ECU and by sending a luggage compartment door open signal to the rear junction block ECU via the CAN line.

NOTE:
- Before performing the inspection, check that there are no problems related to the "CAN COMMUNICATION SYSTEM" and "LIN COMMUNICATION SYSTEM".
- Check that DTC B1242 is not output.
- If the door control transmitter or certification ECU is replaced, the codes must be registered.
- Before performing the inspection, check that the following systems are operating normally.
- Power door lock control system (lock/unlock function)
- Power window control system (power window up/down function)
- Sliding roof system (sliding roof open/close function) (w/ sliding roof system)
- Luggage compartment door opener and closer system (luggage compartment door open function)
- Smart access system with push-button start (for door lock) (lock/unlock function)
- Lighting system (door open/close function)

- When troubleshooting a function, first make sure that the wireless door lock control functions are set to the default setting.
- Before performing the inspection, use the "OPERATION CHECK" procedures to check that there are no problems with the basic wireless functions.
- When replacing or inspecting the door control receiver and wire harness, do not change the position or length of the wire harness. If the wire harness is too close to the door control receiver, entry and wireless function performance may be affected.

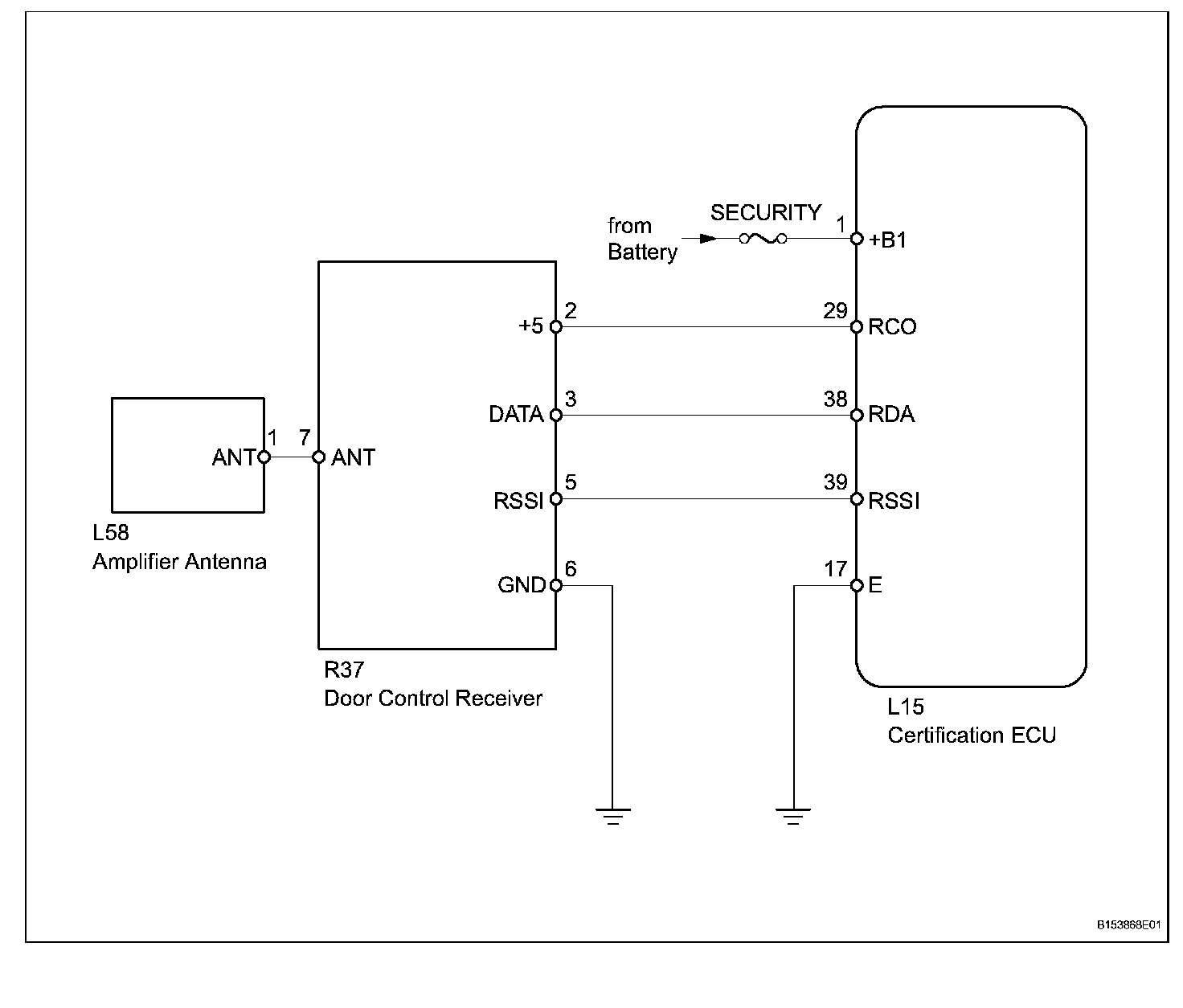
Wiring Diagram:






Step 1-2:




Step 2 (Continued)-3:




Step 4-5:




Step 5 (Continued)-6:




Step 7:




Step 8-10:




Step 10 (Continued)-11:




INSPECTION PROCEDURE