Curiosii for ever!: Car repair manuals for everyone.

Rear Door RH Entry Lock Function Does Not Operate

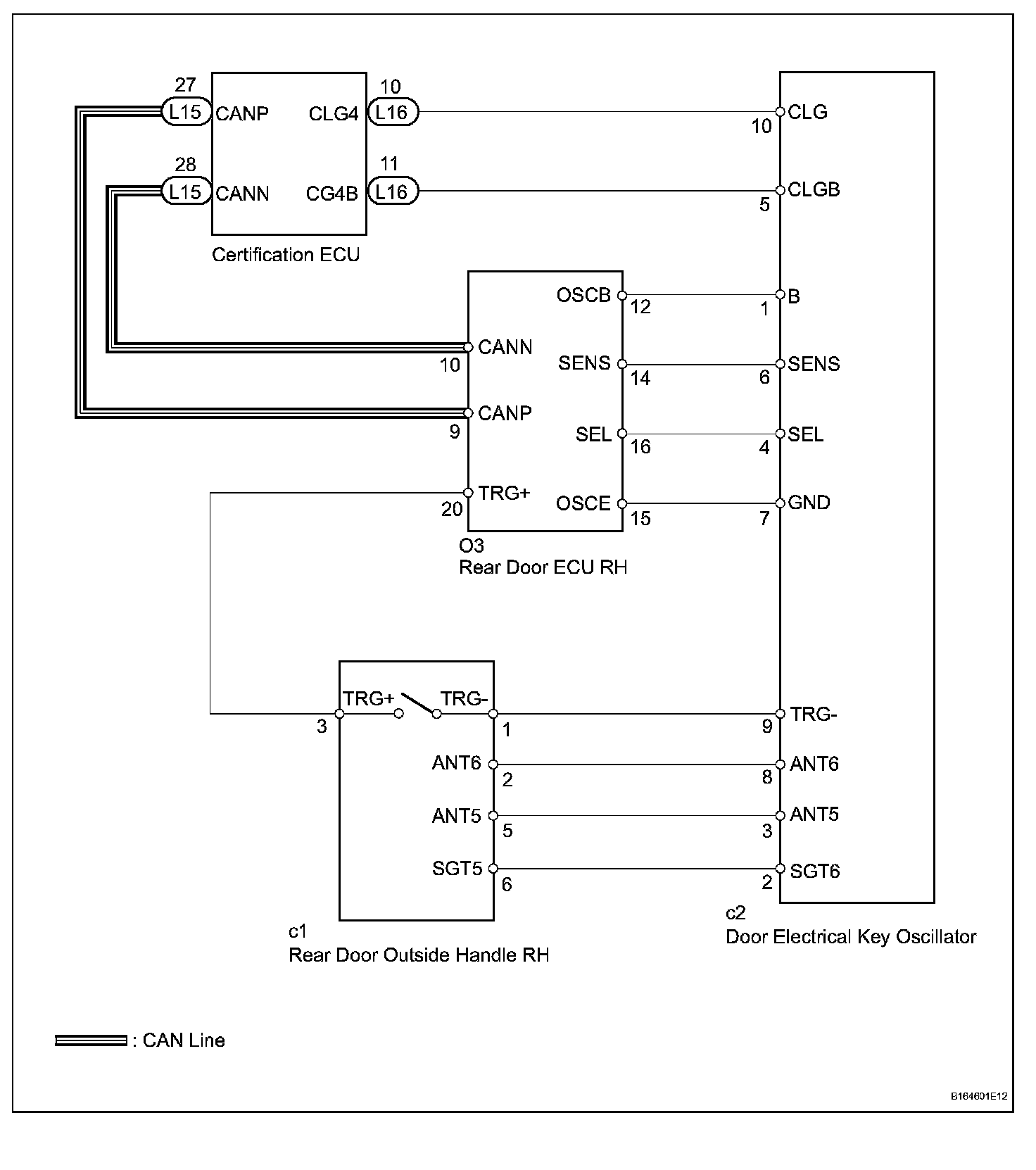
Rear Door RH Entry Lock Function does not Operate

DESCRIPTION
If the rear door RH entry lock function does not operate but the entry unlock operation operates, the communication line between the vehicle and electrical key transmitter is normal. Either of the following may have occurred: 1) the entry lock switch is malfunctioning; or 2) the rear door ECU RH receives the entry lock switch ON signal, but is unable to send the signal to the certification ECU through CAN communication.

Wiring Diagram:






Step 1-2:




Step 2 (Continued)-5:




Step 5 (Continued)-6:




Step 7-8:




INSPECTION PROCEDURE