Curiosii for ever!
: Car repair manuals for everyone.
Home
>>
Lexus
>>
2007
>>
IS 350 V6-3.5L (2GR-FSE)
>>
Repair and Diagnosis
>>
Body and Frame
>>
Body Control Systems
>>
Body Control Module
>>
Locations
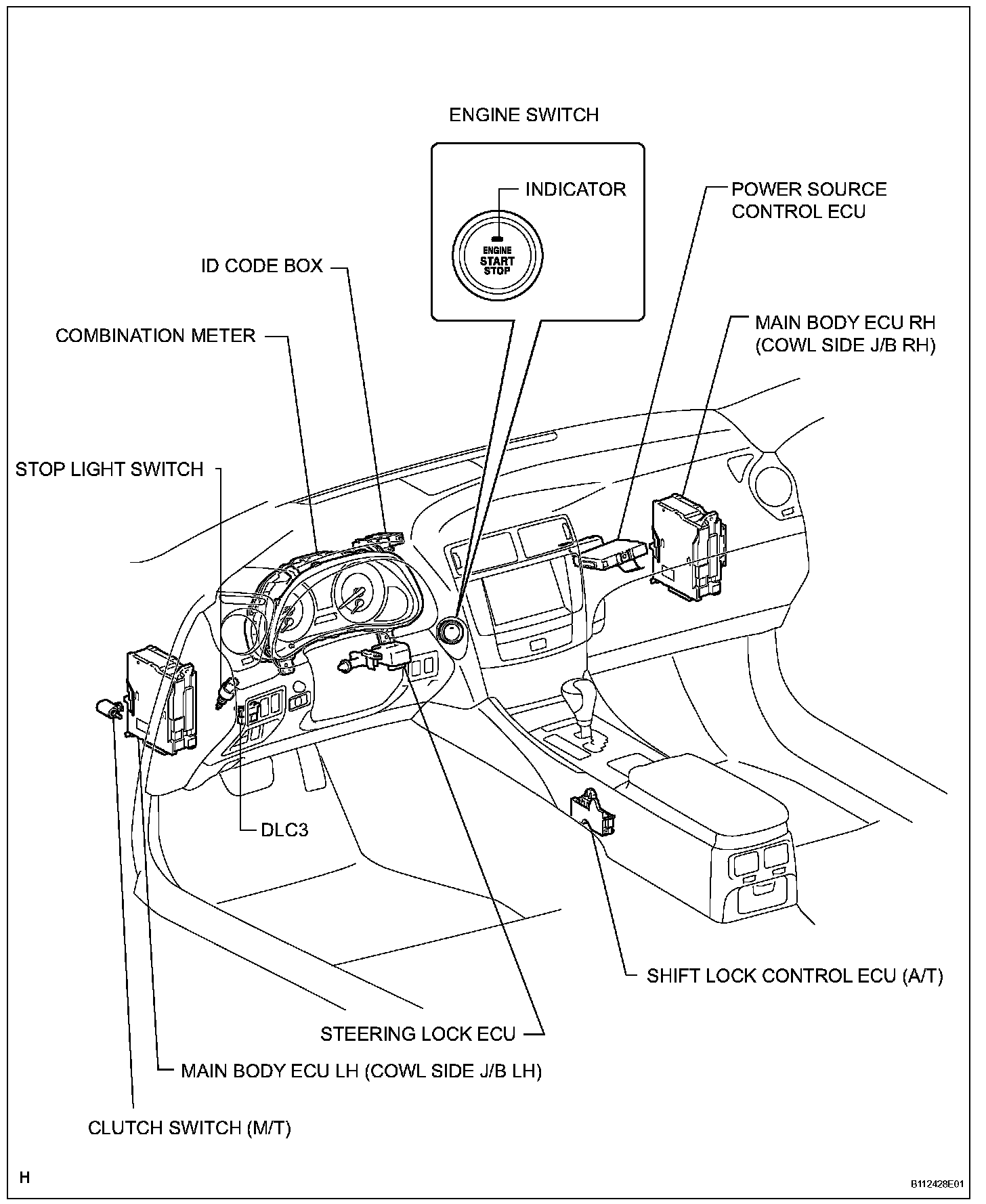
Body Control Module: Locations
Instrument Panel:
Instrument Panel:
Multiplex Communication System:
Smart Access System With Push-Button Start:
Start Access System With Push-button Start: