Curiosii for ever!: Car repair manuals for everyone.

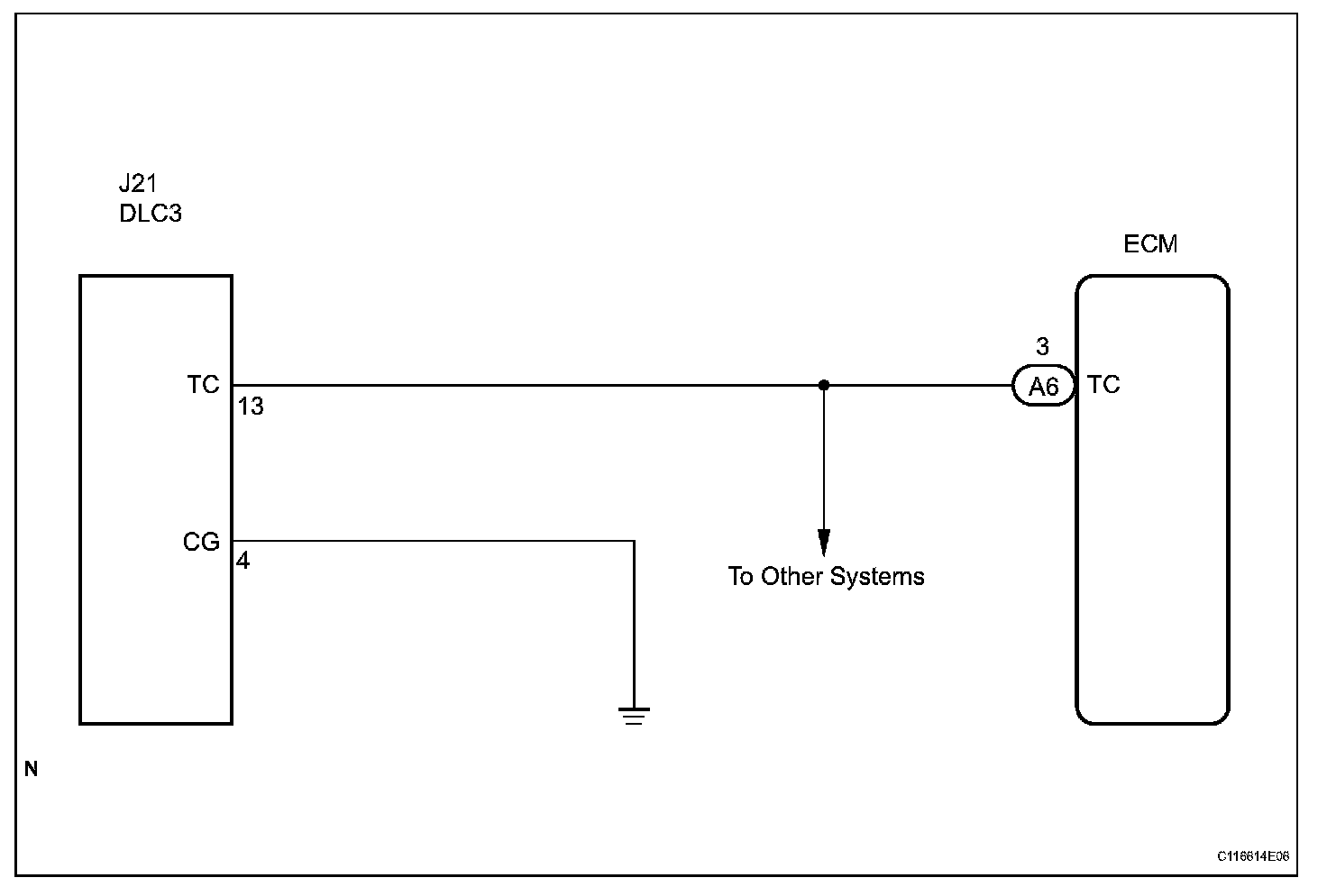
TC And CG Terminal Circuit

TC and CG Terminal Circuit

DESCRIPTION

Connecting terminals TC and CG of the DLC3 causes the system to enter the self-diagnostic mode. If a malfunction is present, DTCs will be output.

HINT: When a particular warning light remains blinking, a ground short in the wiring of terminal TC of the DLC3 or an internal ground short in the relevant ECU is suspected.

Wiring Diagram:






Step 1-2:




Step 2 (Continued)-3:




INSPECTION PROCEDURE