Curiosii for ever!
: Car repair manuals for everyone.
Home
>>
Lexus
>>
2007
>>
IS 250 RWD V6-2.5L (4GR-FSE)
>>
Repair and Diagnosis
>>
Body and Frame
>>
Body Control Systems
>>
Body Control Module
>>
Locations
Body Control Module: Locations
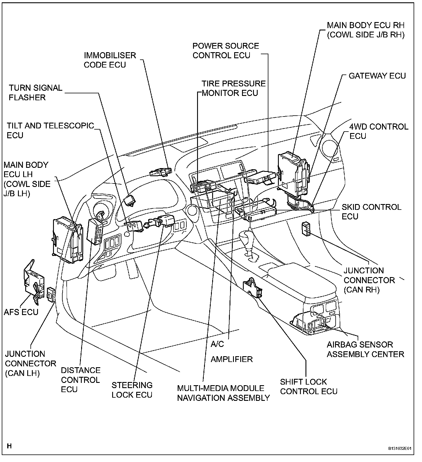
Instrument Panel:
Instrument Panel:
Multiplex Communication System:
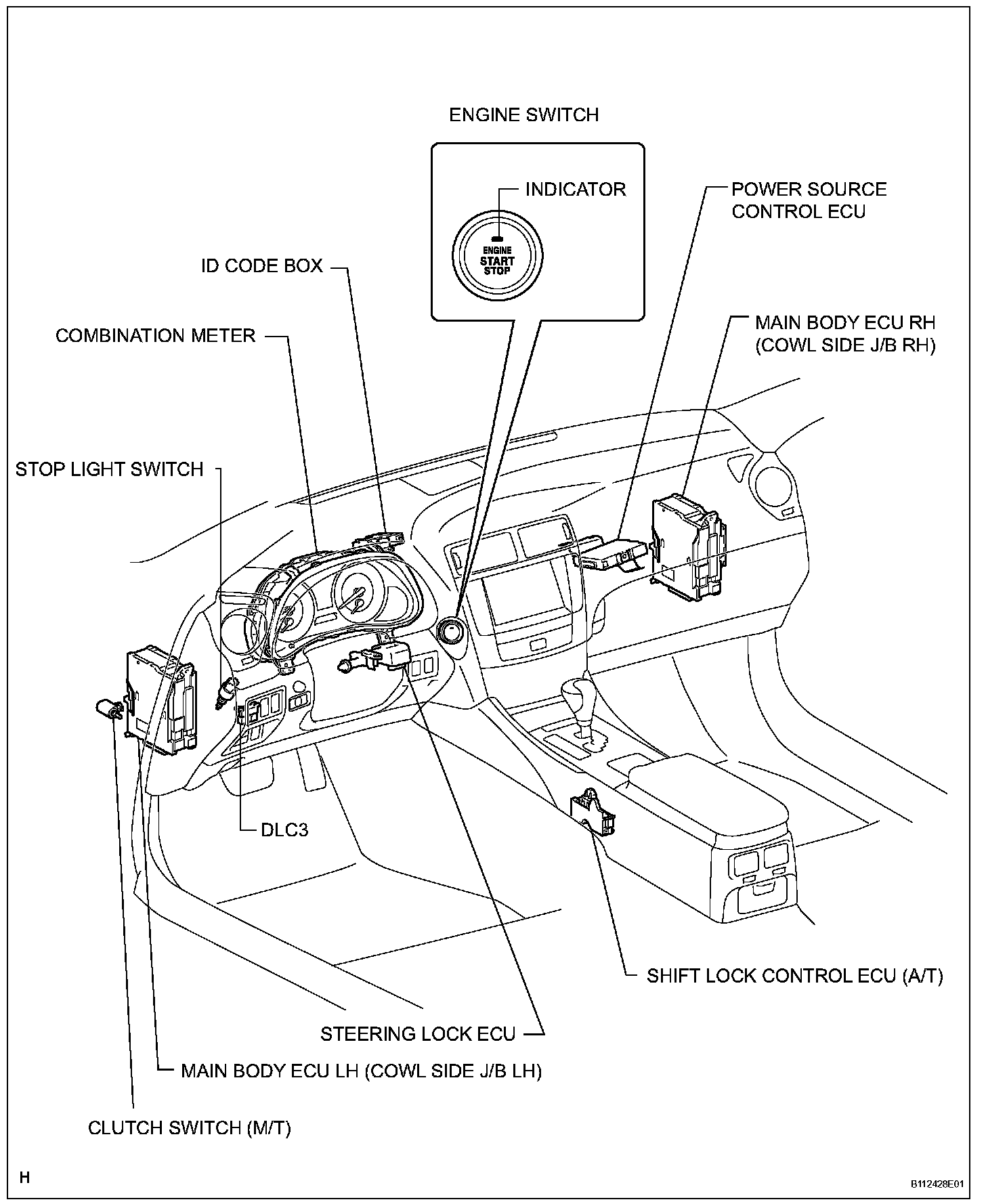
Smart Access System With Push-Button Start:
Smart Access System With Push-Button Start: