Curiosii for ever!
: Car repair manuals for everyone.
Home
>>
Lexus
>>
2007
>>
IS 250 AWD V6-2.5L (4GR-FSE)
>>
Repair and Diagnosis
>>
Cruise Control
>>
Cruise Control Switch
>>
Locations
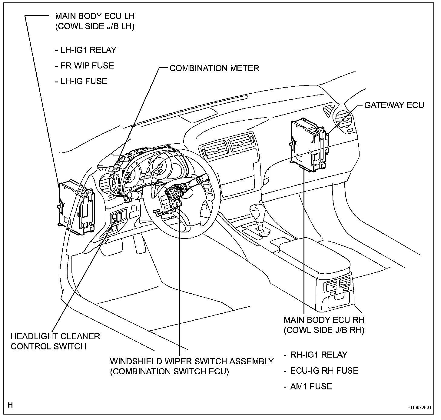
Cruise Control Switch: Locations
Ac - Wi:
Lighting System:
Wiper And Washer System: