Curiosii for ever!: Car repair manuals for everyone.

Fuel Pump Control Circuit

Fuel Pump Control Circuit

DESCRIPTION




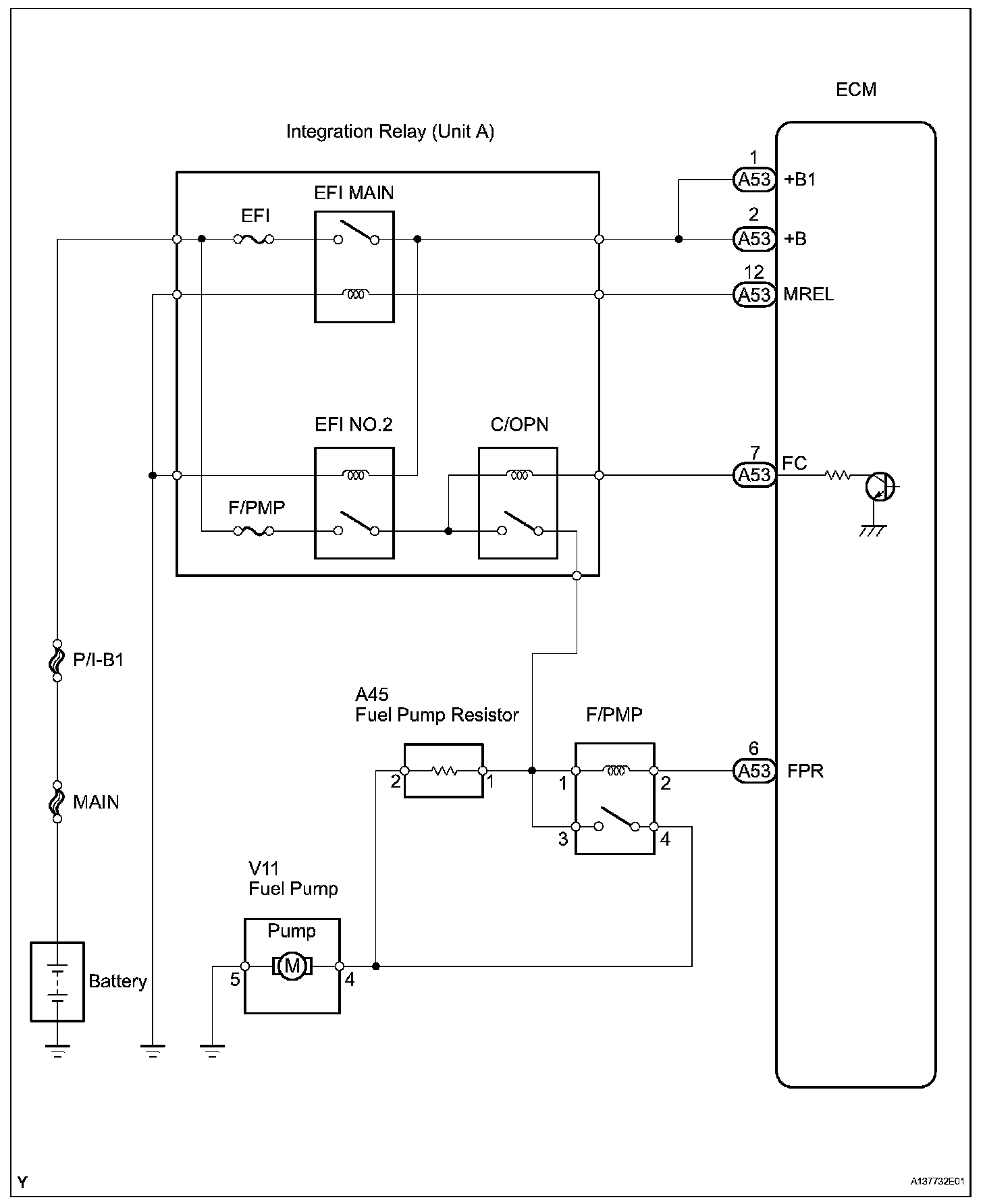
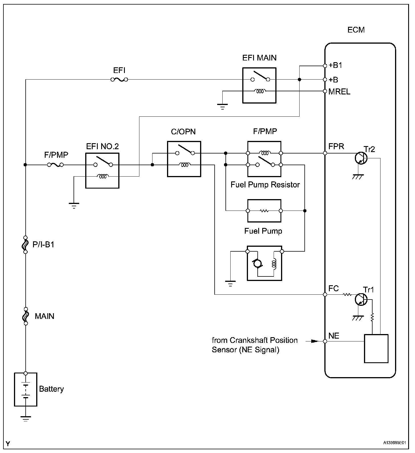
Based on vehicle driving conditions, the ECM operates the fuel pump. The ECM receives an engine start request signal from the hybrid vehicle control ECU. When the engine is cranked, an NE signal is sent to the ECM. When the engine is started, the ECM connects the FC circuit to the body ground, operates the C/OPN (circuit opening) relay, and operates the fuel pump.

The fuel pump's has a high and low speed setting. When the engine is starting or operating with a heavy load, the ECM's Tr2 turns OFF, the F/PMP relay turns ON, and the fuel pump operates at the high speed setting. When the engine is idling or operating with a light load, the Tr2 turns OFF, current flows through the fuel pump resistor to the fuel pump, and the fuel pump operates at the low speed setting.

When the ECM receives an engine stop request signal from the hybrid vehicle control ECU, or when fuel cut occurs as a result of vehicle deceleration, etc., the fuel pump is stopped.

Wiring Diagram:






Step 1-2:




Step 3-4:




Step 5-7:




Step 7(Continued)-8:




Step 9-10:




Step 10(Continued):




INSPECTION PROCEDURE