Curiosii for ever!: Car repair manuals for everyone.

Hybrid System and Shift Control System Part 17

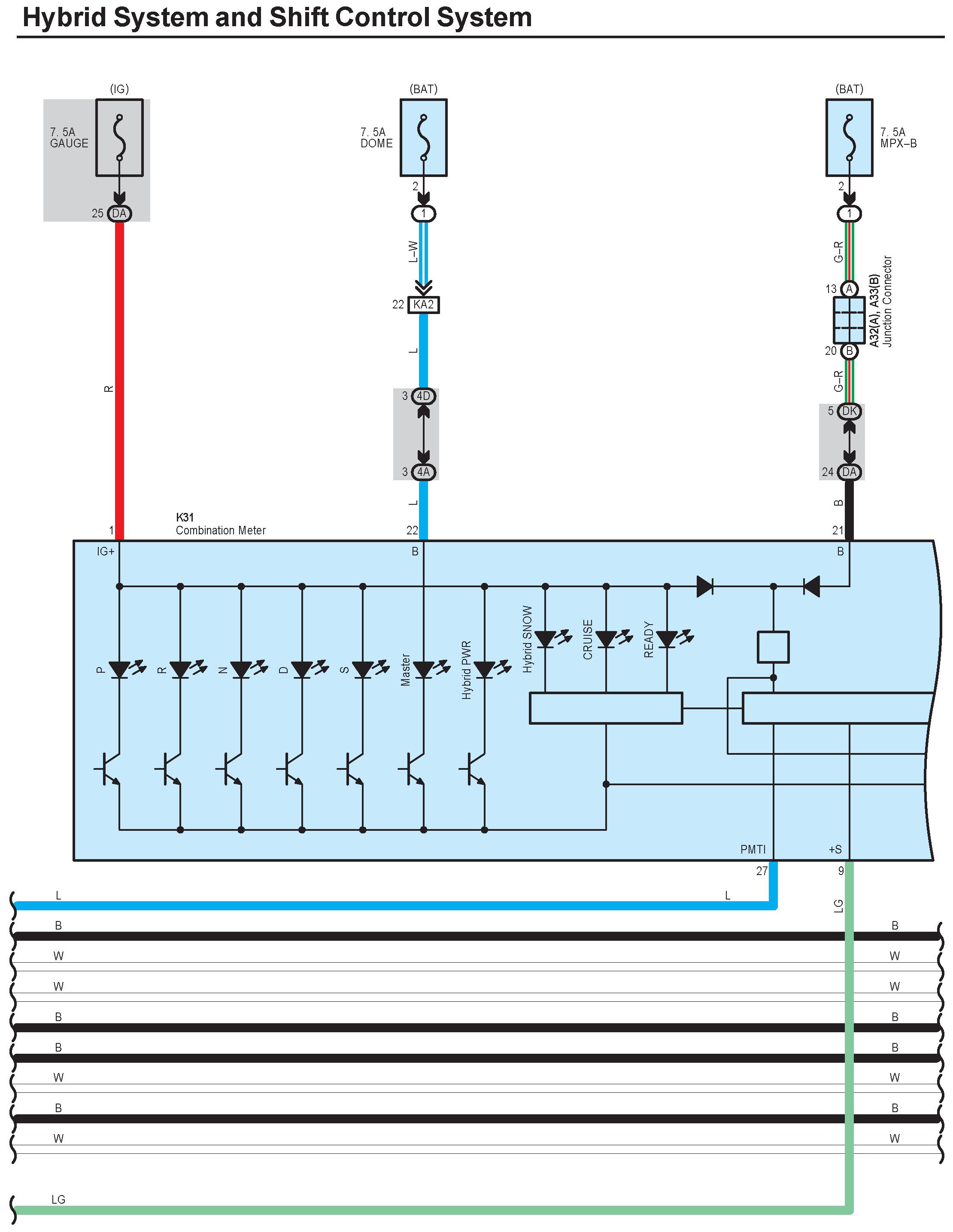
Hybrid System And Shift Control System Part 17:




Diagram Legend:






Next Diagram Hybrid System and Shift Control System Part 18

Previous Diagram Hybrid System and Shift Control System Part 16


Locations: The locations of components, connectors, ground points, and splices referred to within these diagrams can be found at Vehicle Locations. Locations

Connector Views: The connector views for connectors referred to within these diagrams can be found at Vehicle level Connector Views. Connector Views