Curiosii for ever!: Car repair manuals for everyone.

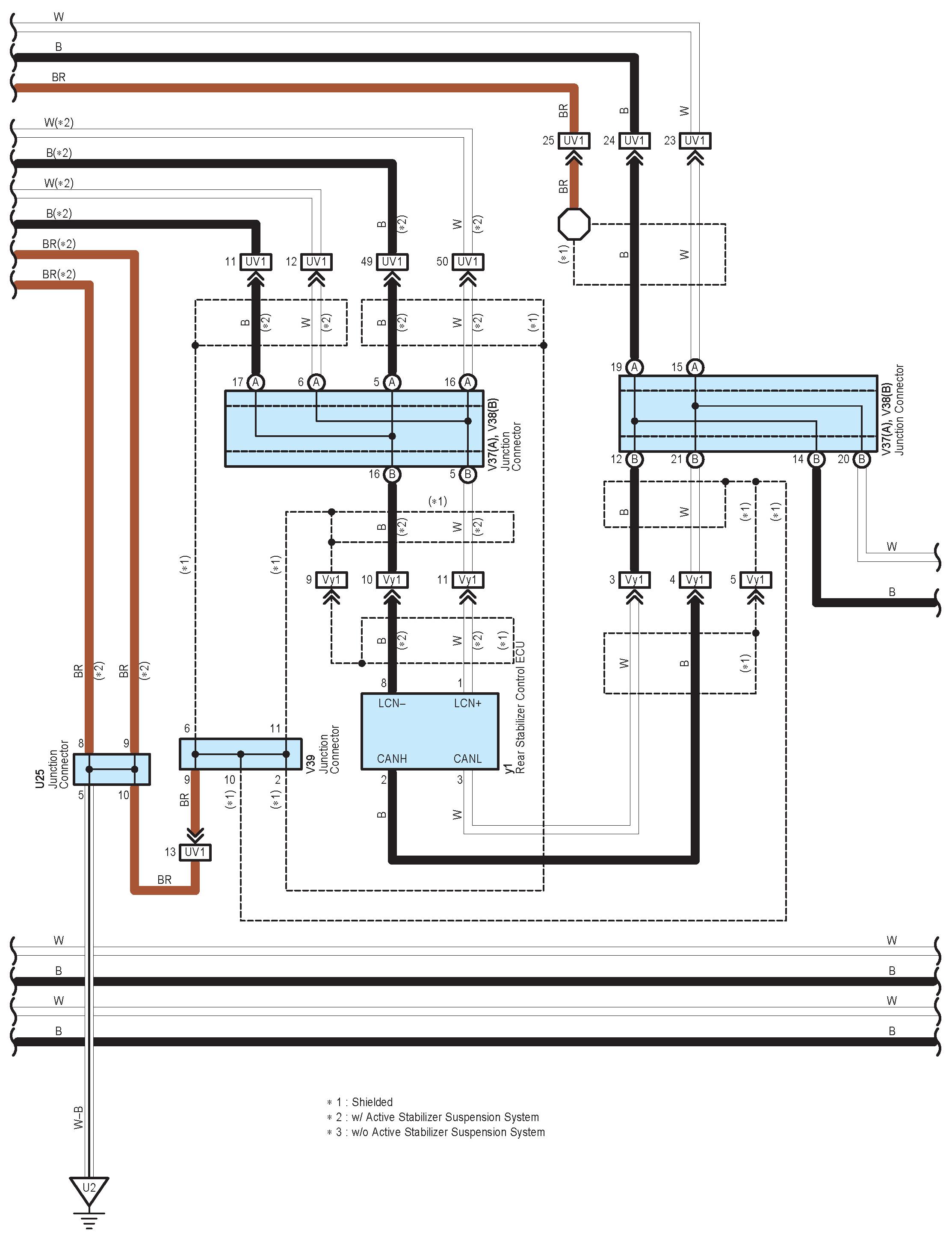
Multiplex Communication System - CAN Part 6

Multiplex Communication System - CAN Part 6:




Diagram Legend:






Next Diagram Multiplex Communication System - CAN Part 7

Previous Diagram Multiplex Communication System - CAN Part 5


Locations: The locations of components, connectors, ground points, and splices referred to within these diagrams can be found at Vehicle Locations. Locations

Connector Views: The connector views for connectors referred to within these diagrams can be found at Vehicle level Connector Views. Connector Views