Key Luggage Compartment Lock-In Prevention Function Does Not Operate
Key Luggage Compartment Lock-in Prevention Function does not OperateDESCRIPTION
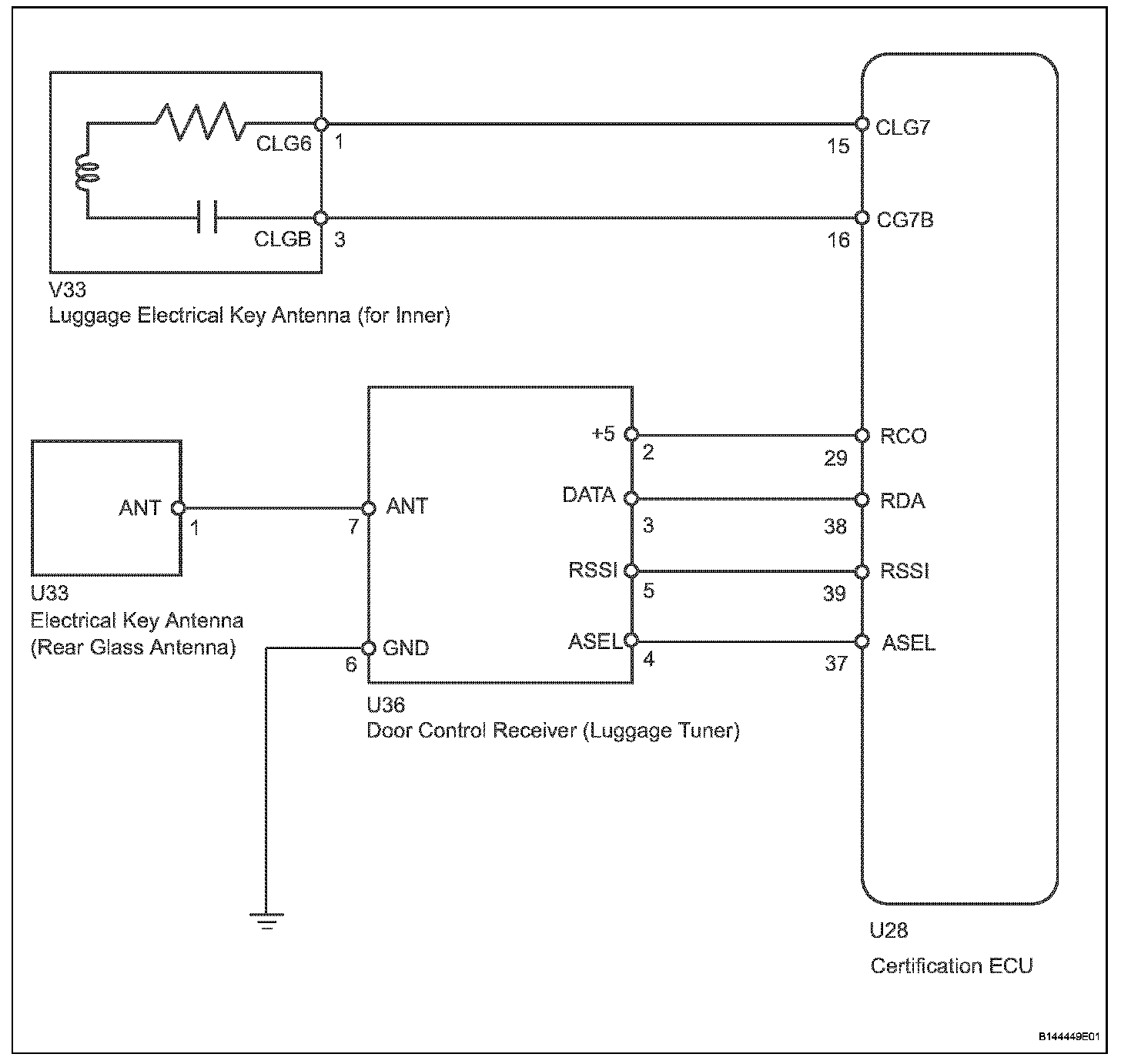
If the key is locked into the luggage compartment, the closing of the luggage door will cause the multiplex network rear ECU to send a luggage courtesy switch OFF signal to the certification ECU via the BEAN. The certification ECU then sends a request signal through the indoor electrical key antenna (for luggage). The key receives the request signal, and then sends its ID code to the door control receiver. The door control receiver then sends the ID code to the certification ECU, which confirms the ID code. If the ID code is verified, the following occurs: 1) the vehicle exterior warning (wireless door buzzer) sounds for 10 seconds; 2) a trunk open signal is sent to the luggage room junction block ECU via the BEAN; 3) the request signal is stopped; and 4) the multiplex network rear ECU unlocks the luggage door lock.
HINT:
*: The key luggage compartment lock-in prevention function does not operate for 100% of the luggage compartment.
Wiring Diagram:
Step 1-3:
Step 3 (Continued)-4:
Step 5-6:
Step 7-8:
Step 9-11:
Step 12-13:
INSPECTION PROCEDURE