Curiosii for ever!: Car repair manuals for everyone.

Rear Door RH Entry Unlock Function Does Not Operate

Rear Door RH Entry Unlock Function does not Operate

DESCRIPTION

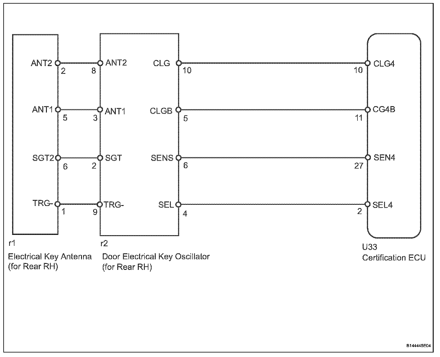
When an ID code from the door electrical key oscillator rear RH matches an ID code from the key, the certification ECU outputs a SEL signal (Lo when output) to the door electrical key oscillator rear RH, activates the touch sensor inside the outside door handle, and enters unlock standby mode. When the touch sensor is touched, the door electrical key oscillator rear RH sends a SENS signal (Lo when output)) to the certification ECU and the certification ECU sends an unlock signal to the rear door RH lock.

Wiring Diagram:






Step 1:




Step 1 (Continued)-4:




Step 4 (Continued)-7:




Step 8:




Step 9:




INSPECTION PROCEDURE