Curiosii for ever!: Car repair manuals for everyone.

Entry Functions Do Not Operate At All

Entry Functions do not Operate at All

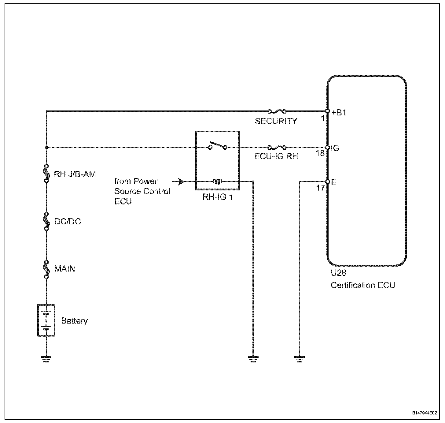
DESCRIPTION

When the entry functions do not operate at all, it is possible that the certification ECU is malfunctioning or that the wire harness leading to the certification ECU is short-circuited.

Wiring Diagram:






Step 1:




Step 1 (Continued)-3:




INSPECTION PROCEDURE