Curiosii for ever!: Car repair manuals for everyone.

Driver Side Door Entry Unlock Function Does Not Operate

Driver Side Door Entry Unlock Function does not Operate

DESCRIPTION

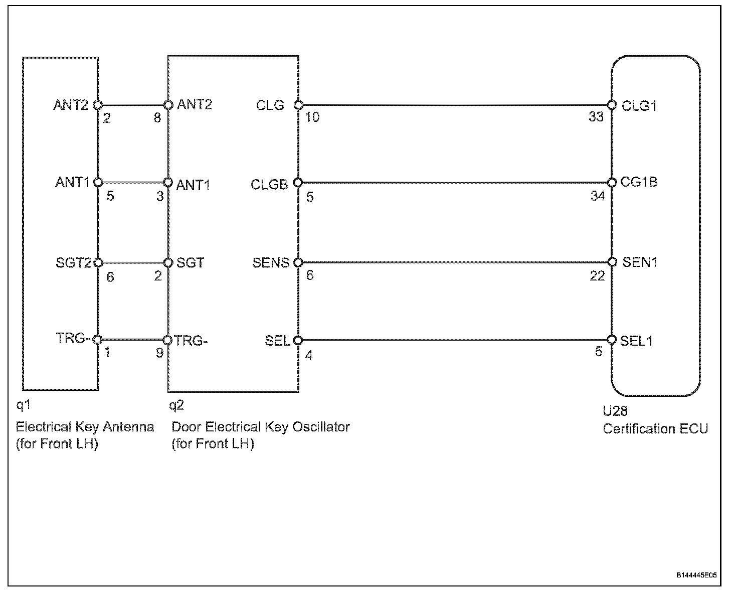
When an ID code from the door electrical key oscillator front LH matches an ID code from the key, the certification ECU outputs a SEL signal (Lo when output) to the door electrical key oscillator front LH, activates the touch sensor inside the outside door handle, and enters unlock standby mode. When the touch sensor is touched, the door electrical key oscillator front LH sends a SENS signal (Lo when output) to the certification ECU and the certification ECU sends an unlock signal to the driver side door lock.

Wiring Diagram:






Step 1:




Step 1 (Continued)-4:




Step 4 (Continued)-7:




Step 8:




Step 9:




INSPECTION PROCEDURE