Curiosii for ever!
: Car repair manuals for everyone.
Home
>>
Lexus
>>
2007
>>
GS 430 V8-4.3L (3UZ-FE)
>>
Repair and Diagnosis
>>
Starting and Charging
>>
Starting System
>>
Testing and Inspection
>>
Component Tests and General Diagnostics
>>
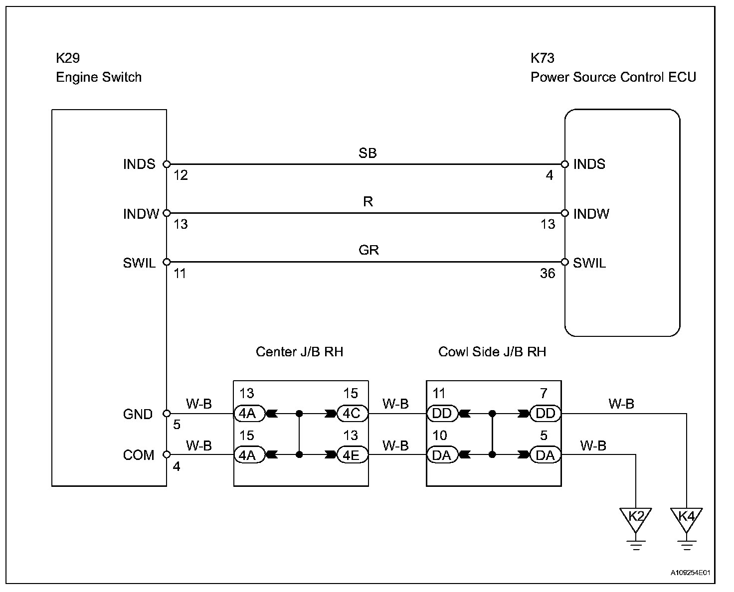
Engine Switch Indicator Circuit
Engine Switch Indicator Circuit
Engine Switch Indicator Circuit
DESCRIPTION
Engine start conditions or system malfunctions can be checked by the status of the engine switch indicator light.
Wiring Diagram:
INSPECTION PROCEDURE
Step 1:
Step 2: