Curiosii for ever!: Car repair manuals for everyone.

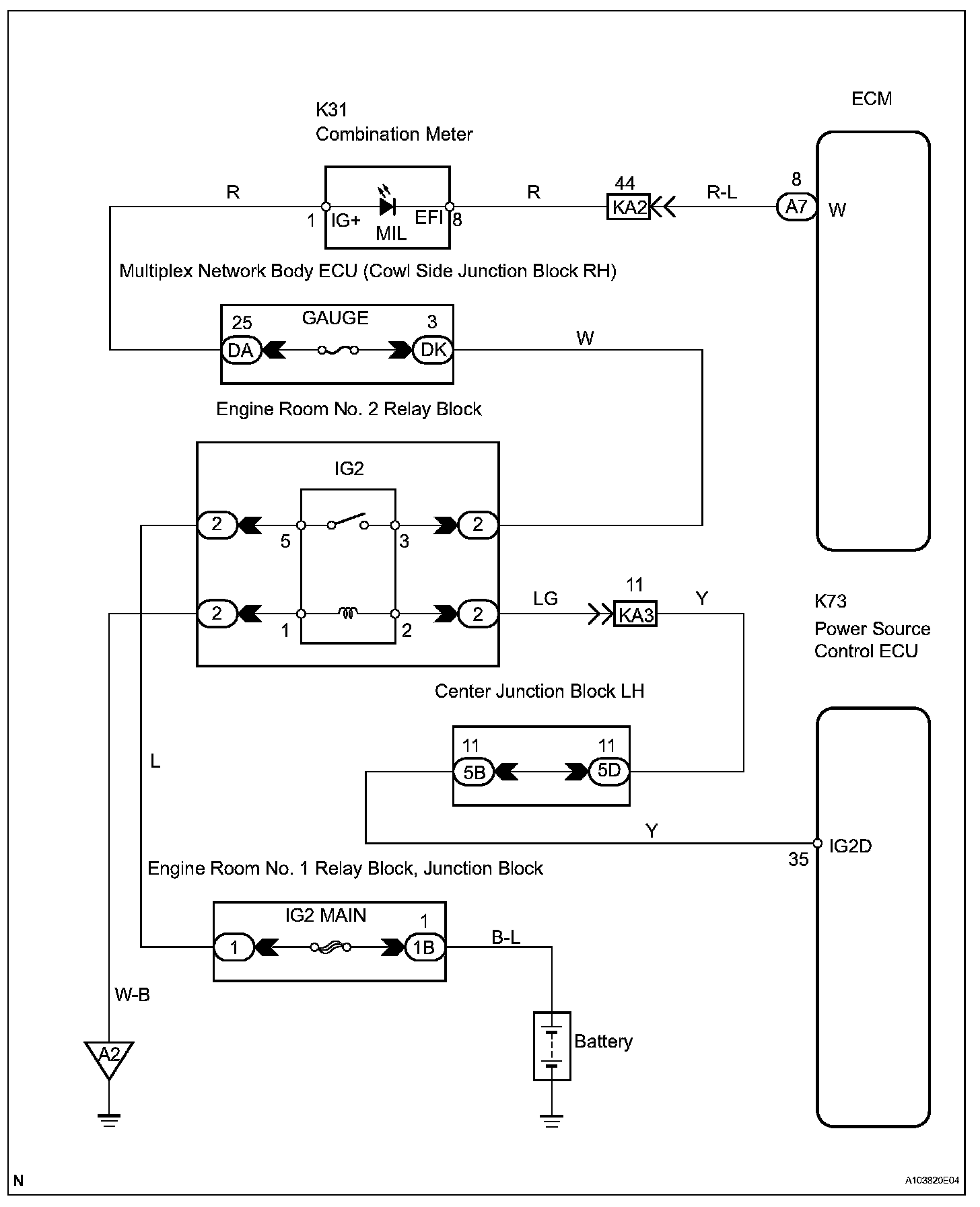
MIL Circuit

MIL Circuit

DESCRIPTION

The Malfunction Indicator Lamp (MIL) is used to indicate the ECM's detection of a vehicle malfunction. The instrument panel GAUGE fuse provides the circuit with power and the ECM provides the circuit ground that illuminates the MIL.

MIL operations should be checked visually:

The MIL should be illuminated when the engine switch is turned on (IG). If the MIL is always ON or OFF, use the intelligent tester and follow the procedures given to determine the cause of the problem. If the ECM detects trouble, the MIL illuminates. At this time, the ECM records a DTC in the memory.

Wiring Diagram:




Step 1-4:






Step 1-4:




Step 4(Continued)-7:




Step 7(Continued)-8:




INSPECTION PROCEDURE