Curiosii for ever!
: Car repair manuals for everyone.
Home
>>
Lexus
>>
2007
>>
GS 430 V8-4.3L (3UZ-FE)
>>
Repair and Diagnosis
>>
Powertrain Management
>>
Computers and Control Systems
>>
Description and Operation
Computers and Control Systems: Description and Operation
System Diagram (Part 1):
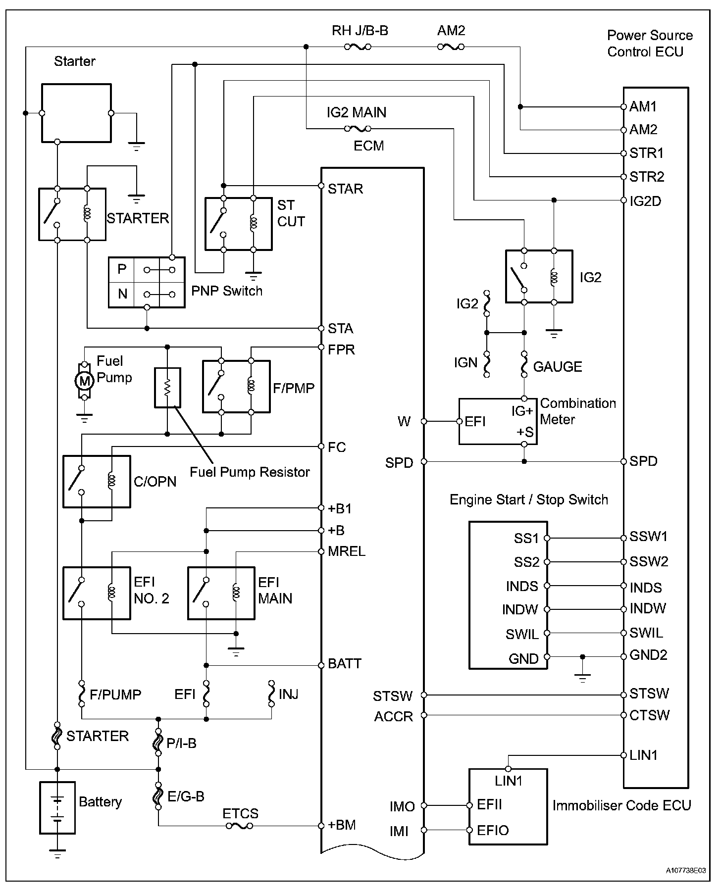
System Diagram (Part 2):
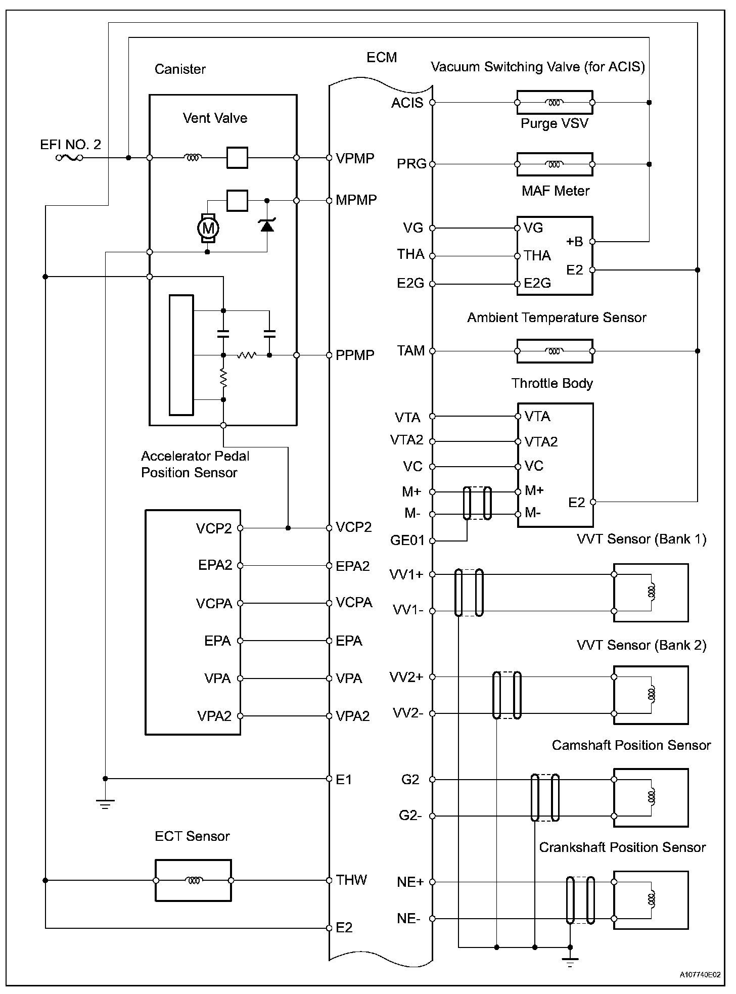
System Diagram (Part 3):
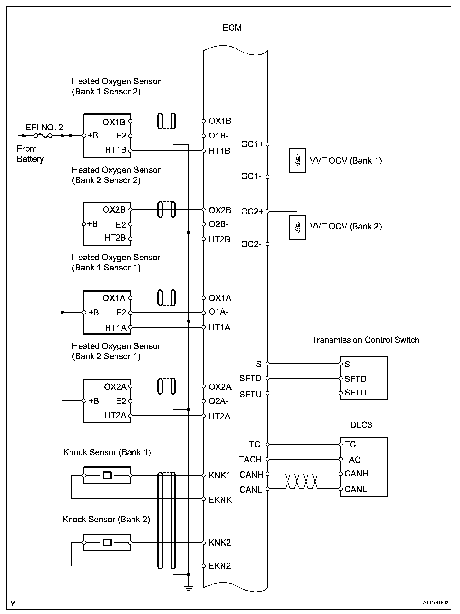
System Diagram (Part 4):
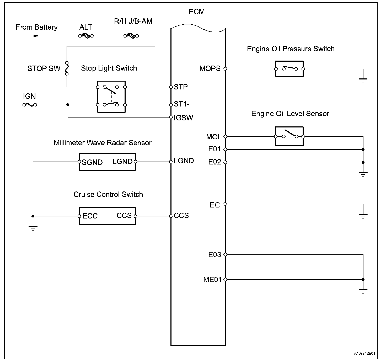
System Diagram (Part 5):