Curiosii for ever!: Car repair manuals for everyone.

Electrical Diagrams

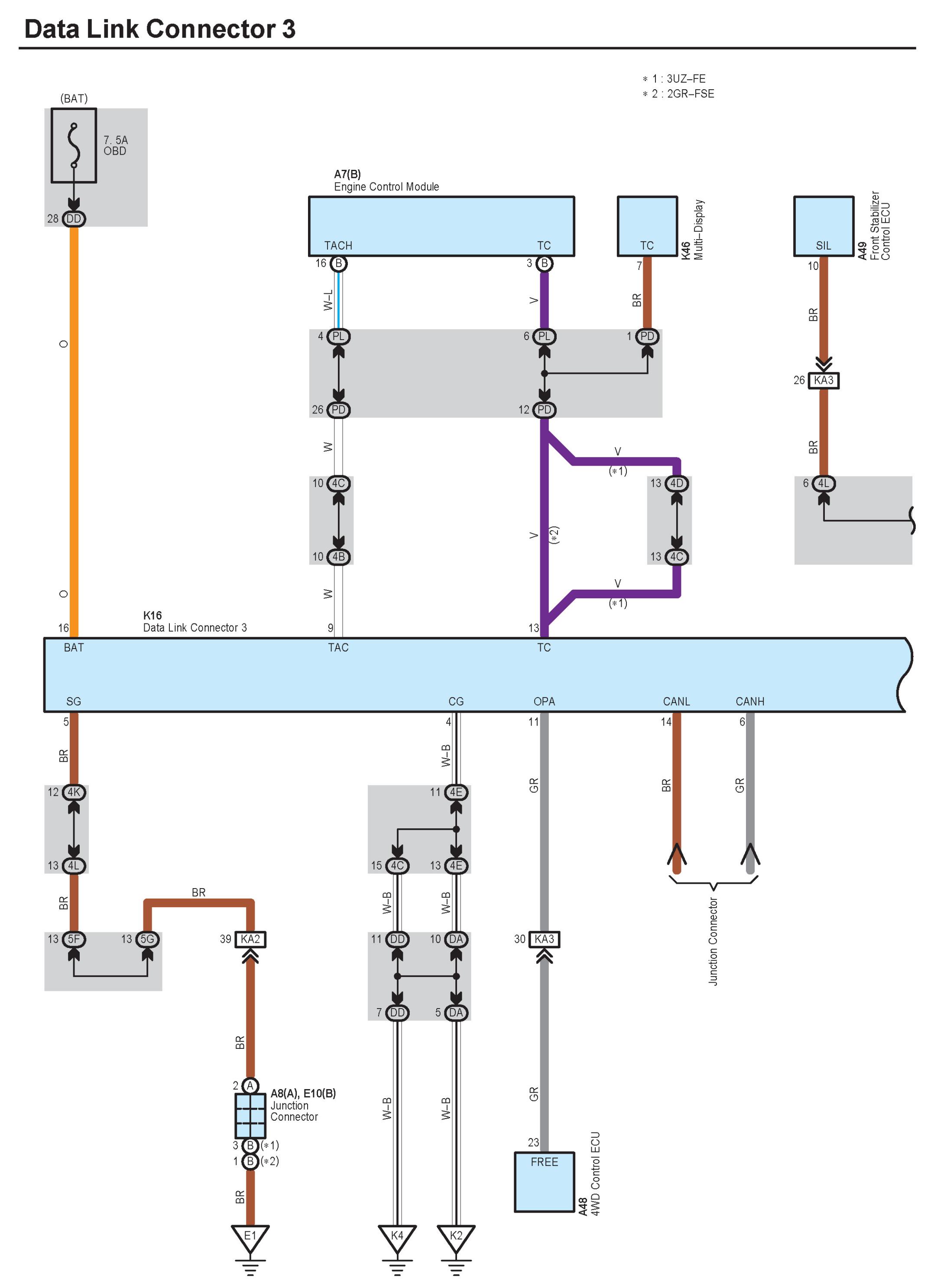
Data Link Connector 3 Part 1:




Data Link Connector 3 Part 2:




Diagram Legend:






Locations: The locations of components, connectors, ground points, and splices referred to within these diagrams can be found at Vehicle Locations. Locations

Connector Views: The connector views for connectors referred to within these diagrams can be found at Vehicle level Connector Views. Connector Views