Curiosii for ever!: Car repair manuals for everyone.

Driver Side Door Entry Lock and Unlock Functions Do Not Operate

Driver Side Door Entry Lock and Unlock Functions do not Operate

DESCRIPTION

Both the entry lock and unlock functions do not operate when: 1) nothing is output from the door electrical key oscillator front LH, 2) the smart access system with push-button start is disabled through customization, or 3) the entire power door lock control system is malfunctioning.

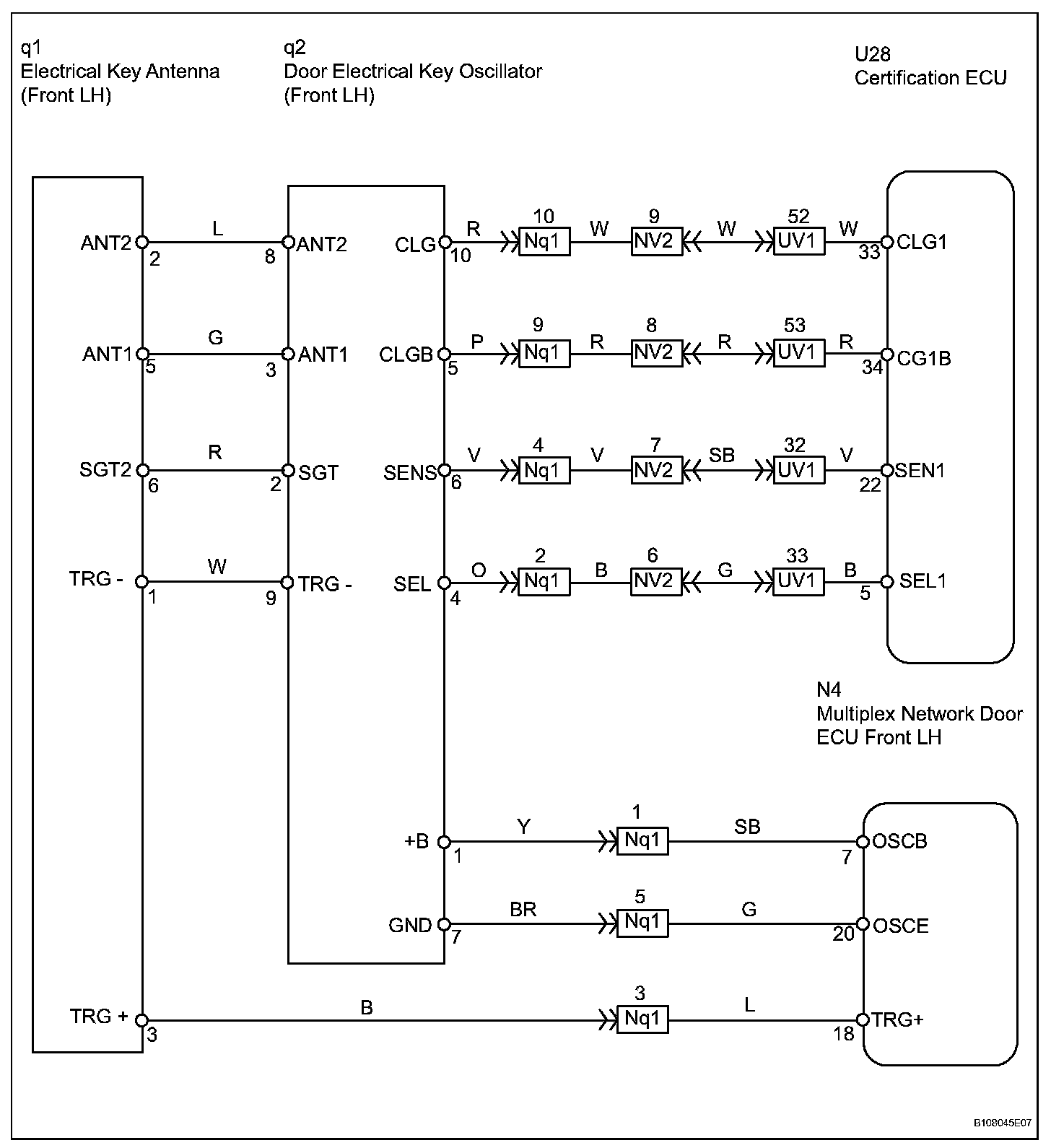
Wiring Diagram:






Step 1-2:




Step 3:




Step 4:




Step 5:




Step 6-7:




Step 8:




INSPECTION PROCEDURE