Curiosii for ever!
: Car repair manuals for everyone.
Home
>>
Lexus
>>
2007
>>
GS 430 V8-4.3L (3UZ-FE)
>>
Repair and Diagnosis
>>
Accessories and Optional Equipment
>>
Antitheft and Alarm Systems
>>
Alarm Module
>>
Testing and Inspection
Alarm Module: Testing and Inspection
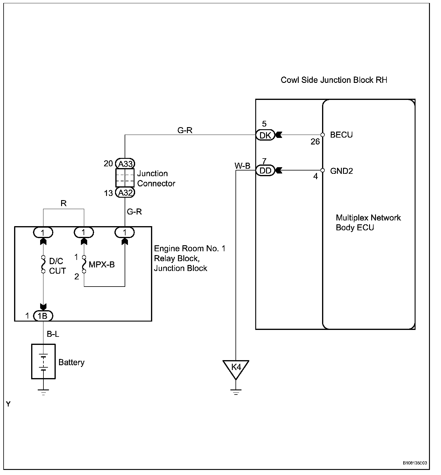
ECU Power Source Circuit
DESCRIPTION
This circuit provides power to operate the cowl side junction block (multiplex network body ECU).
Wiring Diagram:
INSPECTION PROCEDURE
Step 1-2: