Curiosii for ever!: Car repair manuals for everyone.

Front Passenger Side Power Window Auto Up / Down Function Does Not Operate With Front Passenger Side Power Window Switch

Front Passenger Side Power Window Auto Up / Down Function Does Not Operate With Front Passenger Side Power Window Switch

DESCRIPTION
If the AUTO UP/DOWN function does not operate, the cause may be one or more of the following.
- The recorded power window fully closed position, which is stored in the multiplex network switch, was erased as a result of: 1) a fuse or relay related to the passenger side power window being replaced; or 2) the battery cable and the switch's connector being disconnected.
- The switch has a malfunction.
- The pulse sensors in the passenger side power window regulator motor have a malfunction.
- The wiring between the switch and the passenger side power window regulator motor is open or short.

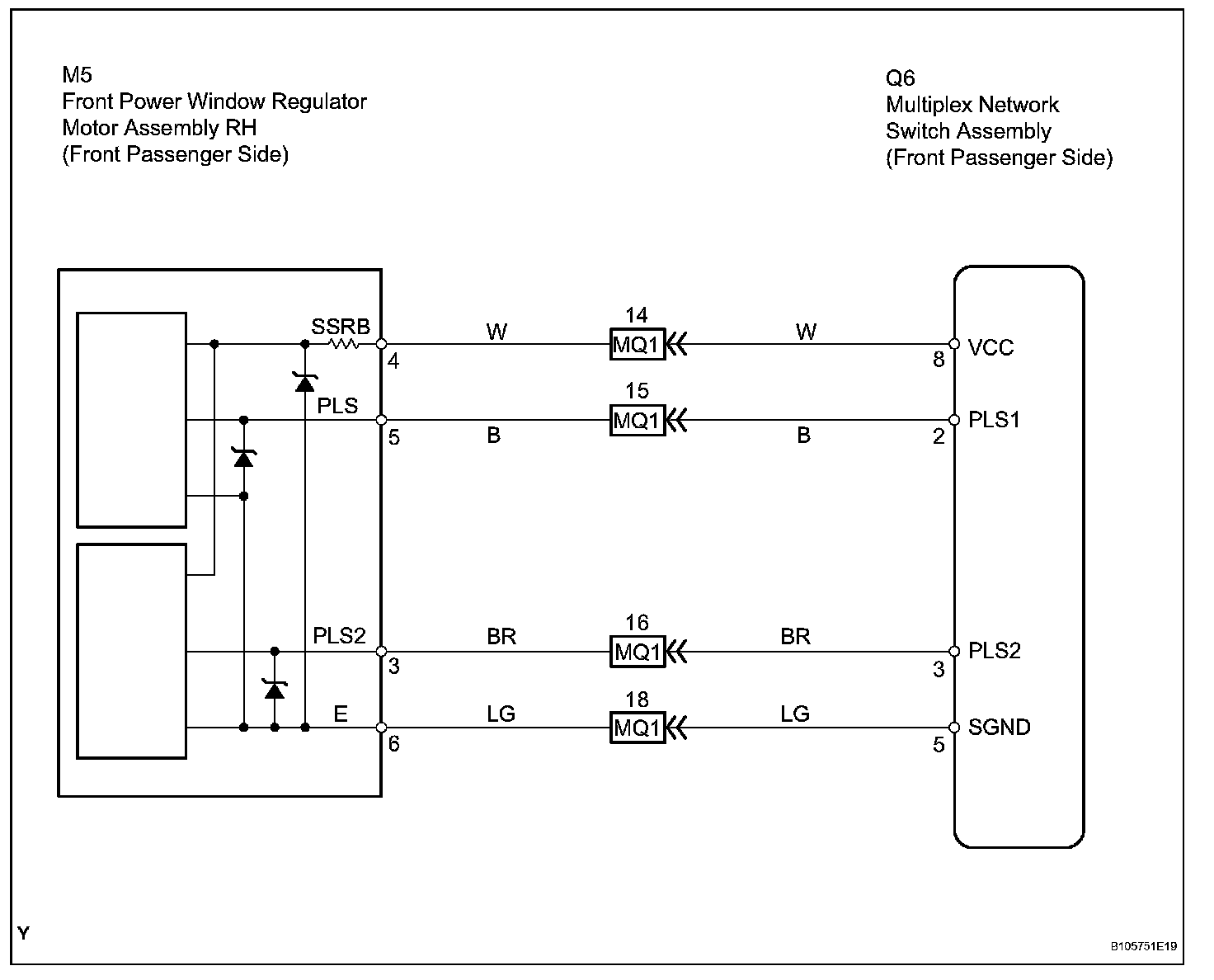
WIRING DIAGRAM

Wiring Diagram:





INSPECTION PROCEDURE

Step 1 - 2:




Step 2(Continued) - 4: