Curiosii for ever!: Car repair manuals for everyone.

Cranking Holding Function Circuit

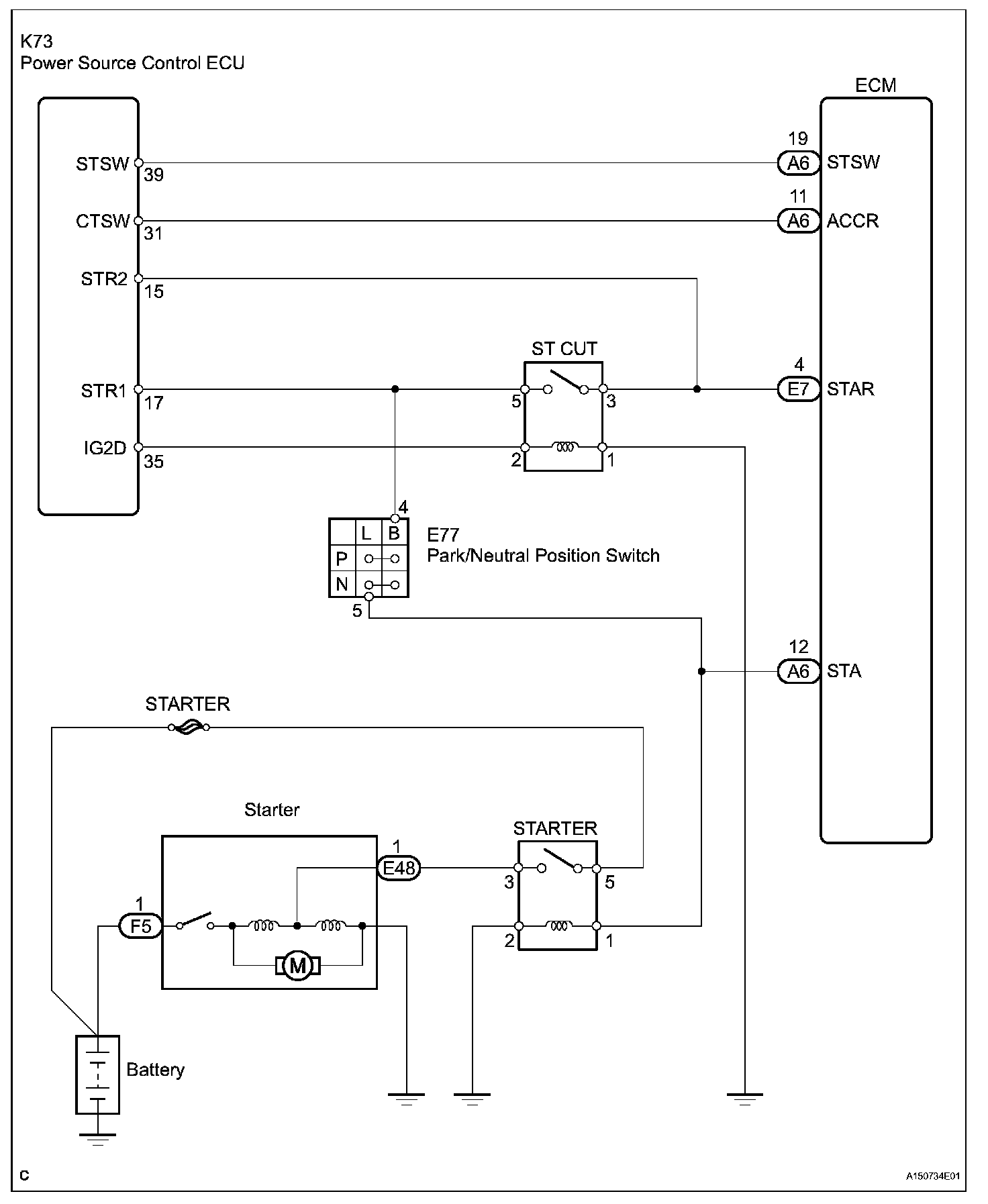
Cranking Holding Function Circuit

DESCRIPTION




The cranking holding control system provides current to the starter when the ECM detects the engine switch's start signal (STSW). When the ECM performs a firing judgment, the system cuts current to the starter. When the ECM receives the STSW signal, it turns on the ST CUT relay, which prevents flickering of the combination meter, clock, audio system, etc. Also, the ECM sends a signal to the ECM's STAR terminal. Then the STAR output signal travels through the park/neutral position (PNP) switch to the STARTER relay, causing the starter to activate.

When the engine is cranking, the starter operation signal is sent to the ECM's STA terminal.

Wiring Diagram:






Step 1-3:




Step 4-5:




Step 6-7:




Step 7(Continued)-9:




Step 10:




INSPECTION PROCEDURE