Curiosii for ever!: Car repair manuals for everyone.

Open In One Side of CAN Sub Bus Line

Open in One Side of CAN Sub Bus Line

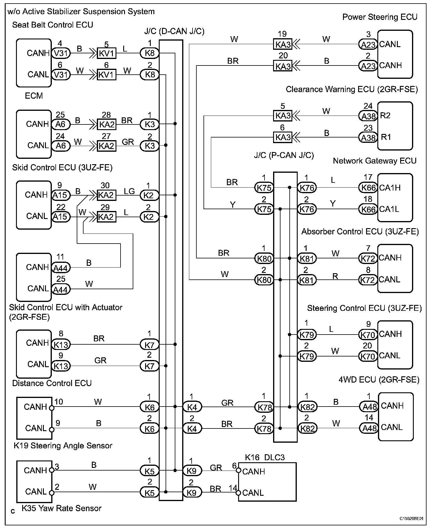
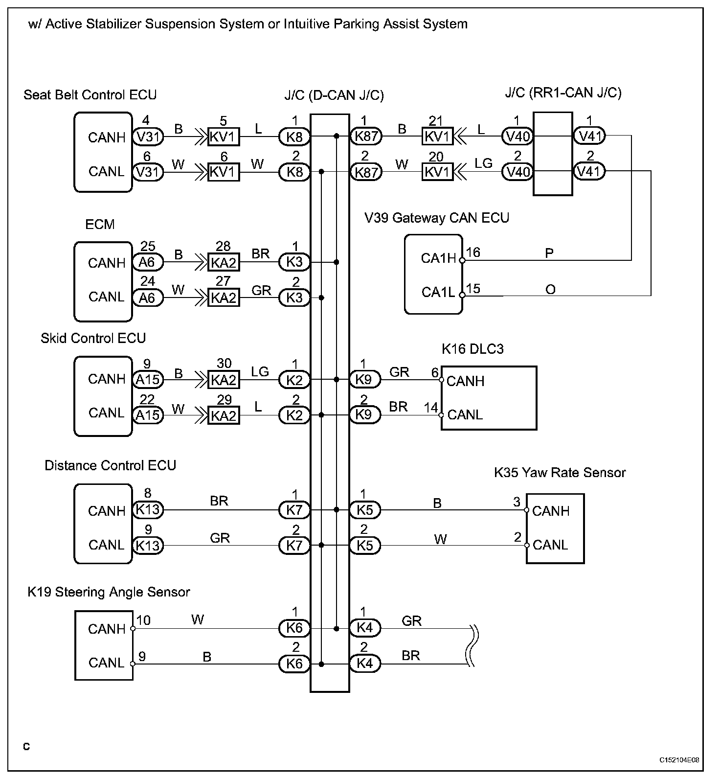
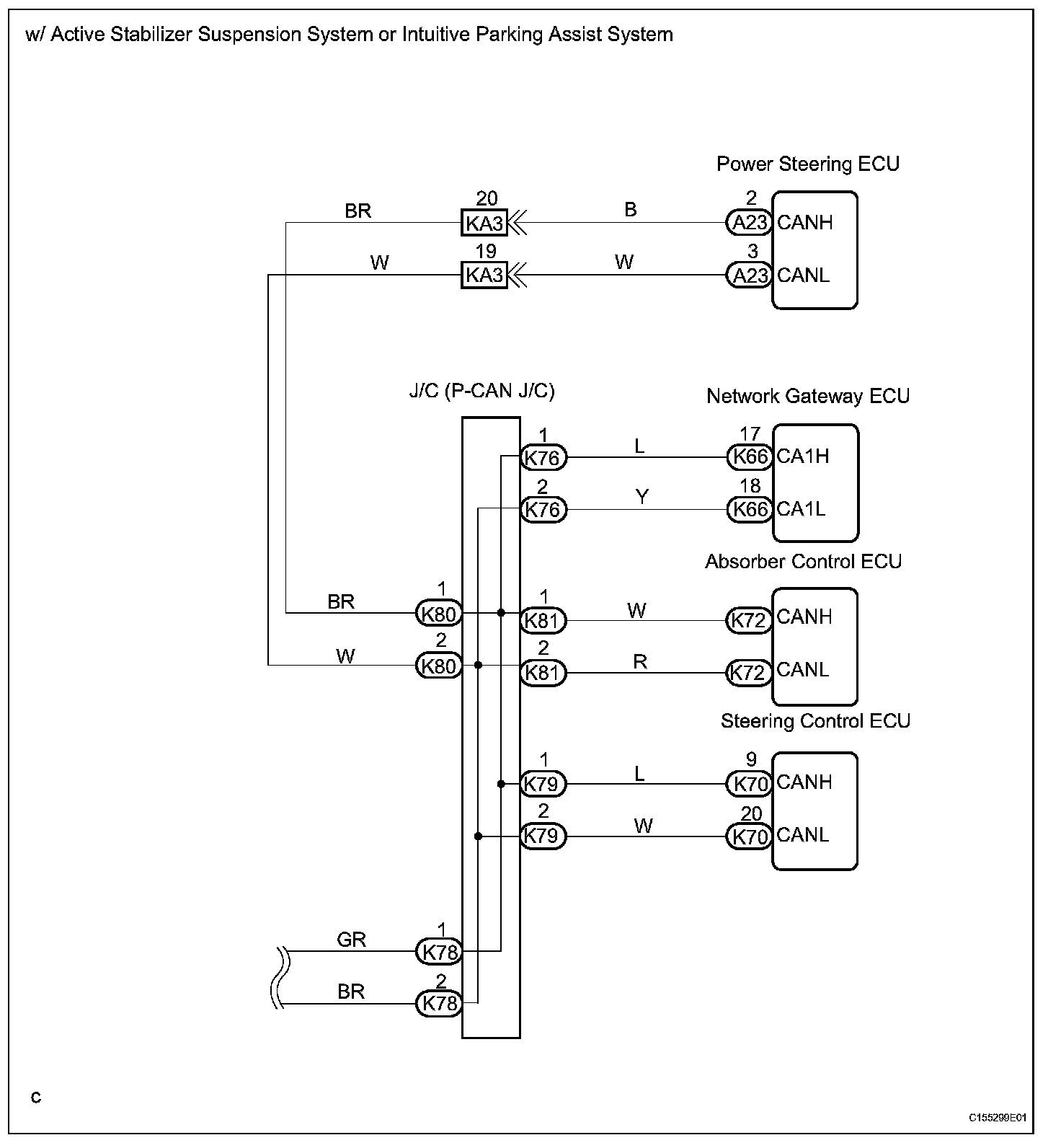
DESCRIPTION




If 2 or more ECUs and/or sensors do not appear on the "BUS CHECK" screen of the intelligent tester via the CAN VIM, one side of the CAN sub-bus line may be open. (One side of the CAN-H [sub-bus line] / CAN-L [sub-bus line] of the ECU and/or sensor is open.)

Wiring Diagram (Part 1):




Wiring Diagram (Part 2):




Wiring Diagram (Part 3):






Step 1-2:




INSPECTION PROCEDURE

HINT:
- The given is the troubleshooting procedures of an open in either CANH or CANL of the ECU A (SENSOR A).
- Perform the given inspection for the ECUs (sensors) which are not displayed on the intelligent tester. If malfunction cannot be identified, then perform the given inspections for the ECUs (sensors) connected to the CAN communication.