Curiosii for ever!: Car repair manuals for everyone.

Multiplex Communication System - CAN Part 1

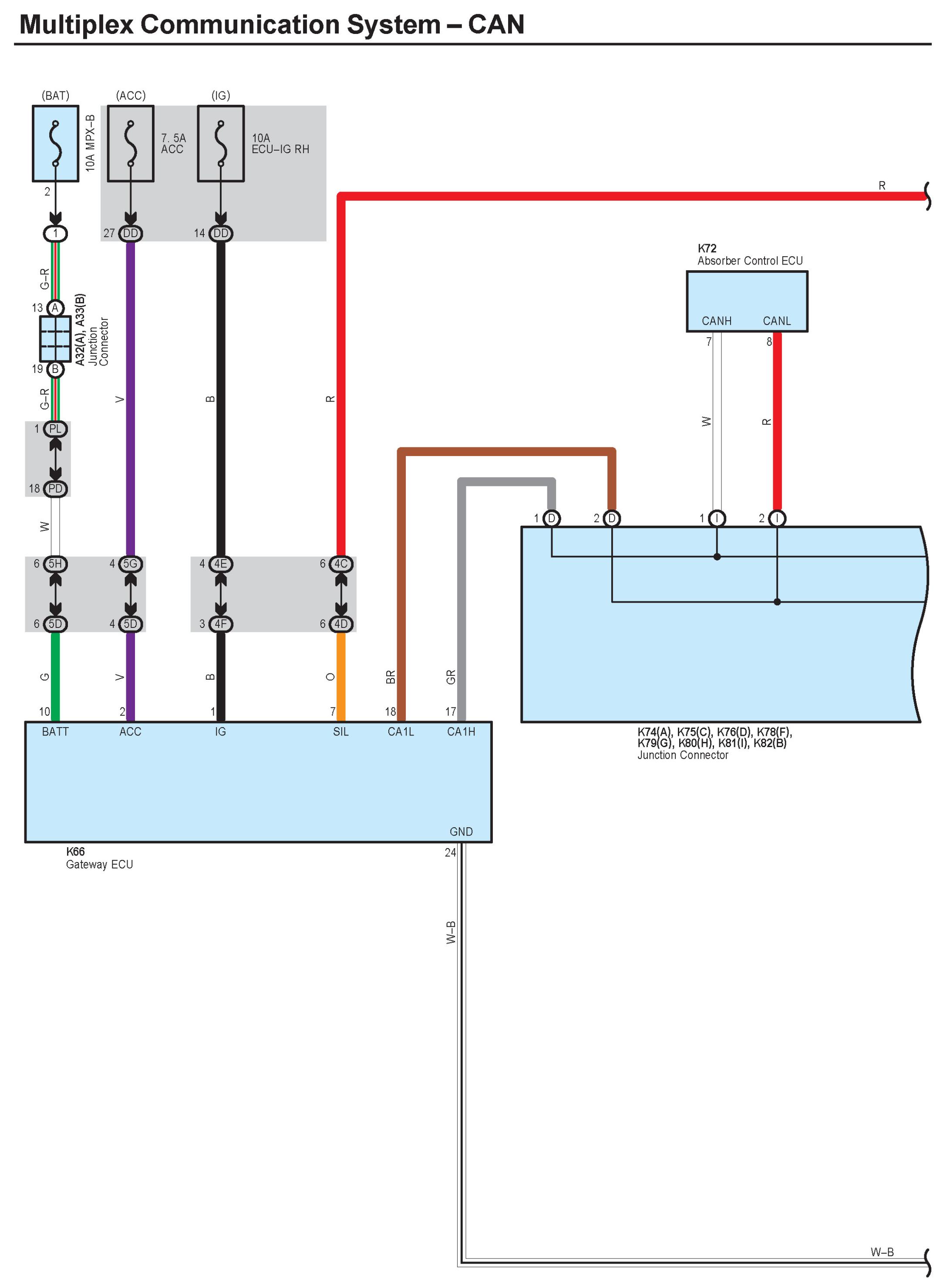
Multiplex Communication System - CAN Part 1:




Diagram Legend Part 1:




Diagram Legend Part 2:






Next Diagram Multiplex Communication System - CAN Part 2

Locations: The locations of components, connectors, ground points, and splices referred to within these diagrams can be found at Vehicle Locations. Locations

Connector Views: The connector views for connectors referred to within these diagrams can be found at Vehicle level Connector Views. Connector Views