Curiosii for ever!: Car repair manuals for everyone.

Front Power Seat Does Not Operate With Front Power Seat Switch

Front Power Seat Does Not Operate With Front Power Seat Switch

DESCRIPTION
Signals of the front power seat switch are monitored by the position control ECU & switch assembly. The position control ECU & switch assembly then activates the driver and passenger side motors.

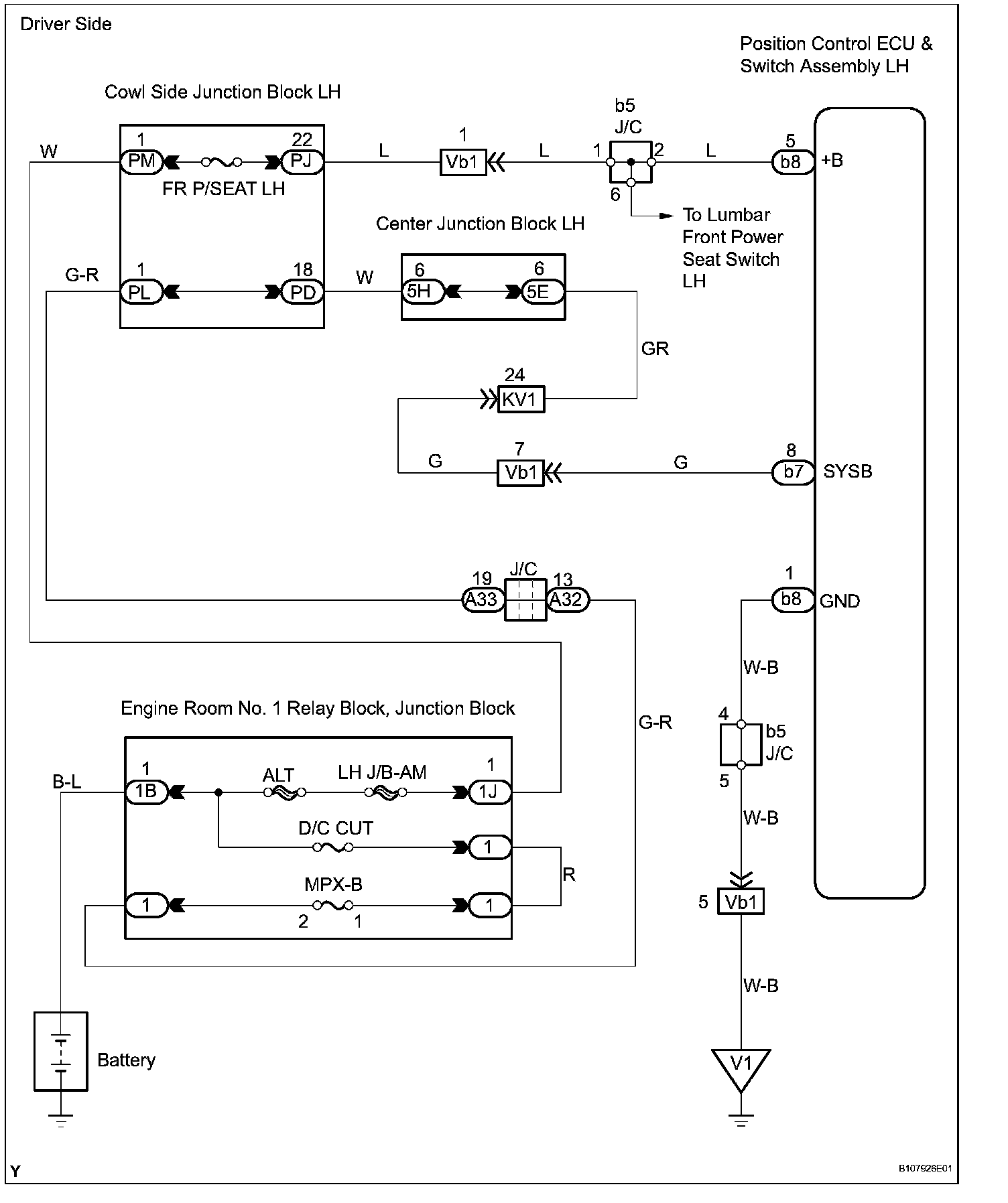
WIRING DIAGRAM

Wiring Diagram (Part 1):




Wiring Diagram (Part 2):





INSPECTION PROCEDURE

Step 1 - 2: