Curiosii for ever!
: Car repair manuals for everyone.
Home
>>
Lexus
>>
2007
>>
GS 350 RWD V6-3.5L (2GR-FSE)
>>
Repair and Diagnosis
>>
Accessories and Optional Equipment
>>
Navigation System
>>
Testing and Inspection
>>
Component Tests and General Diagnostics
>>
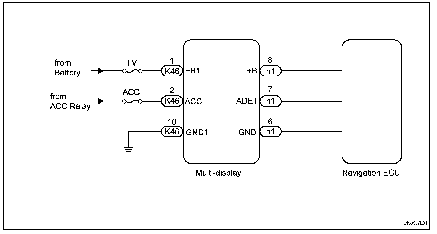
Navigation ECU Power Source Circuit
Navigation ECU Power Source Circuit
Navigation ECU Power Source Circuit
DESCRIPTION
This is the power source circuit to operate the navigation ECU.
Wiring Diagram:
INSPECTION PROCEDURE
Step 1: