Curiosii for ever!
: Car repair manuals for everyone.
Home
>>
Lexus
>>
2007
>>
GS 350 RWD V6-3.5L (2GR-FSE)
>>
Repair and Diagnosis
>>
Accessories and Optional Equipment
>>
Antitheft and Alarm Systems
>>
Testing and Inspection
>>
Component Tests and General Diagnostics
>>
Engine Immobilizer System
>>
ID Code Box Power Source Circuit
ID Code Box Power Source Circuit
ID Code Box Power Source Circuit
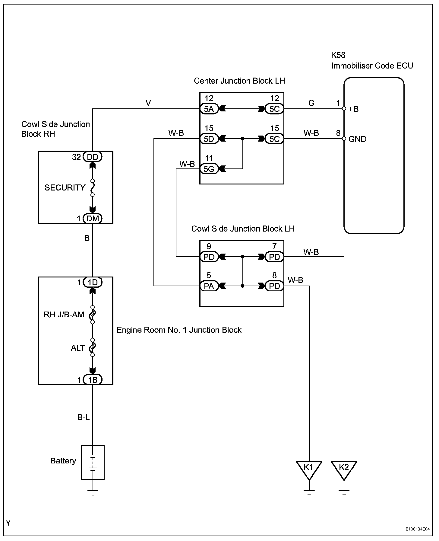
DESCRIPTION
This circuit provides power to operate the immobiliser code ECU.
Wiring Diagram:
Step 1-2:
INSPECTION PROCEDURE