Curiosii for ever!: Car repair manuals for everyone.

Electrical Diagrams

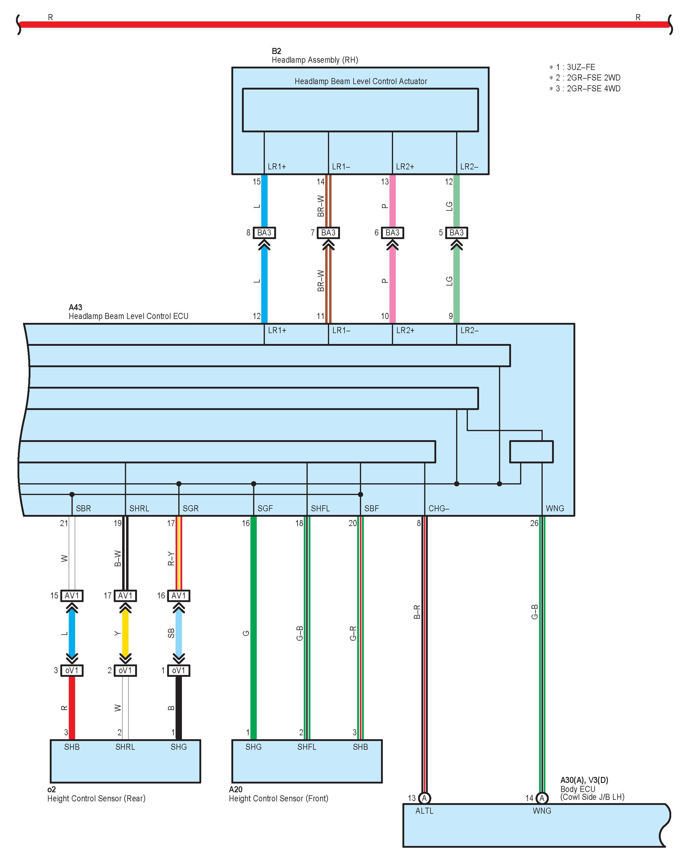
Headlight Beam Level Control Part 1:




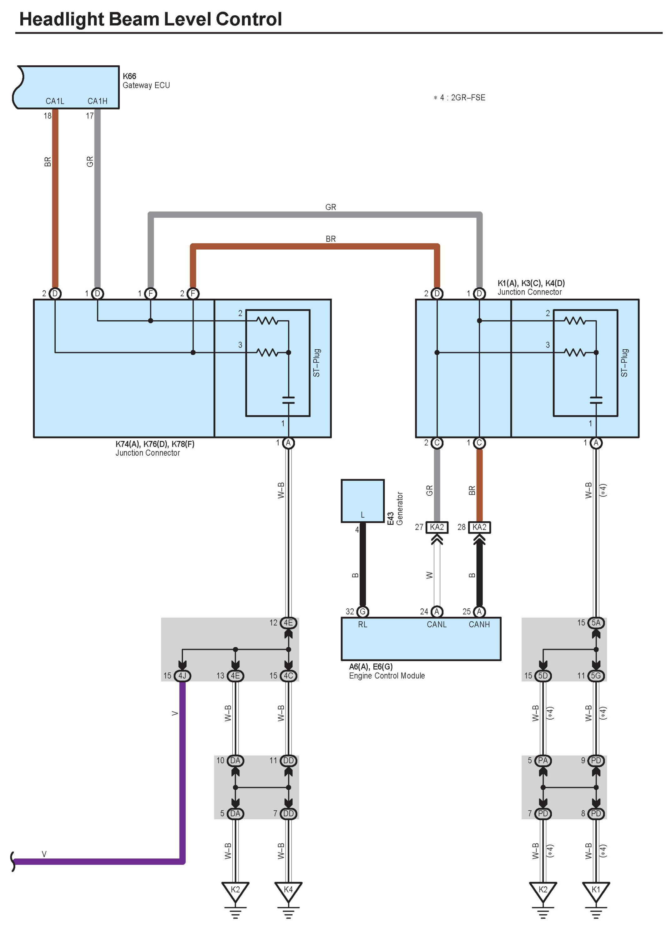
Headlight Beam Level Control Part 2:




Headlight Beam Level Control Part 3:




Headlight Beam Level Control Part 4:




Headlight Beam Level Control Part 5:




Diagram Legend Part 1:




Diagram Legend Part 2:






Locations: The locations of components, connectors, ground points, and splices referred to within these diagrams can be found at Vehicle Locations. Locations

Connector Views: The connector views for connectors referred to within these diagrams can be found at Vehicle level Connector Views. Connector Views