Main Relay (Computer/Fuel System): Testing and Inspection
INSPECTION1. INSPECT INTEGRATION RELAY
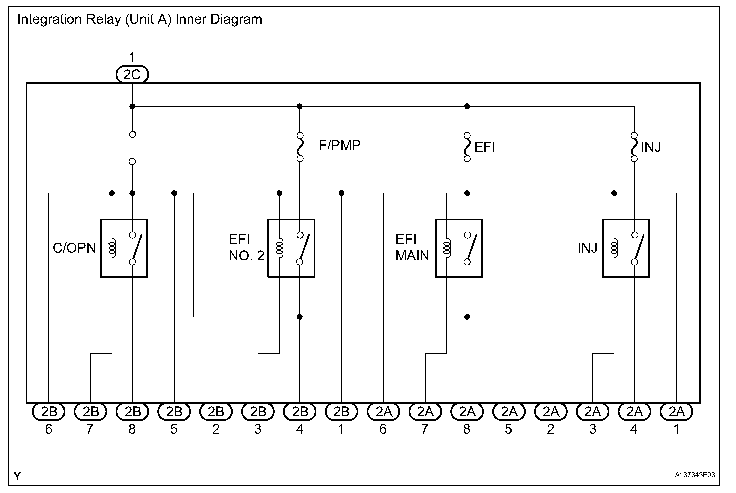
NOTE:
- Some relays are built into the integration relay (unit A). The integration relay cannot be disassembled. If there is a malfunction in the circuit of the integration relay, replace the integration relay.
- The internal circuit of the integration relay is as shown in the illustration. Inspect the integration relay using the given procedures.
a. Measure the resistance of the C/OPN relay.
1. Connect the battery's positive (+) lead to terminal 2A-8 and negative (-) lead to terminal 2B-2. Check the resistance between the terminals when battery voltage is applied between the terminals.
2. Connect the battery's positive (+) lead to terminals 2A-8 and 2C-1, and negative (-) lead to terminal 2B-3 and 2B-7. Measure the resistance between terminals 2C-1 and 2B-8 when battery voltage is applied between the terminals.
b. Measure the resistance of the EFI MAIN relay.
1. Remove the EFI fuse.Measure the resistance between the terminals.
2. Connect the battery's positive (+) lead to terminal 2A-6 and negative (-) lead to terminal 2A-7. Measure the resistance between EFI fuse terminal 2 and terminal 2A-8 when battery voltage is applied between the terminals.
c. Measure the resistance of the EFI NO. 2 relay.
1. Measure the resistance between the terminals.
2. Connect the battery's positive (+) lead to terminal 2A-8 and negative (-) lead to terminal 2B-2. Measure the resistance between terminals 2B-7 and 2C-1 when battery voltage is applied between the terminals.
d. Measure the resistance of the INJ relay.
1. Remove the INJ fuse.Measure the resistance between the terminals.
2. Connect the battery's positive (+) lead to terminal 2A-1 and negative (-) lead to terminal 2A-2. Measure the resistance between the INJ fuse terminals 2 and terminal 2A-4 when battery voltage is applied between the terminals.