Curiosii for ever!: Car repair manuals for everyone.

Open in CAN Main Bus Line

Open in CAN Main Bus Line

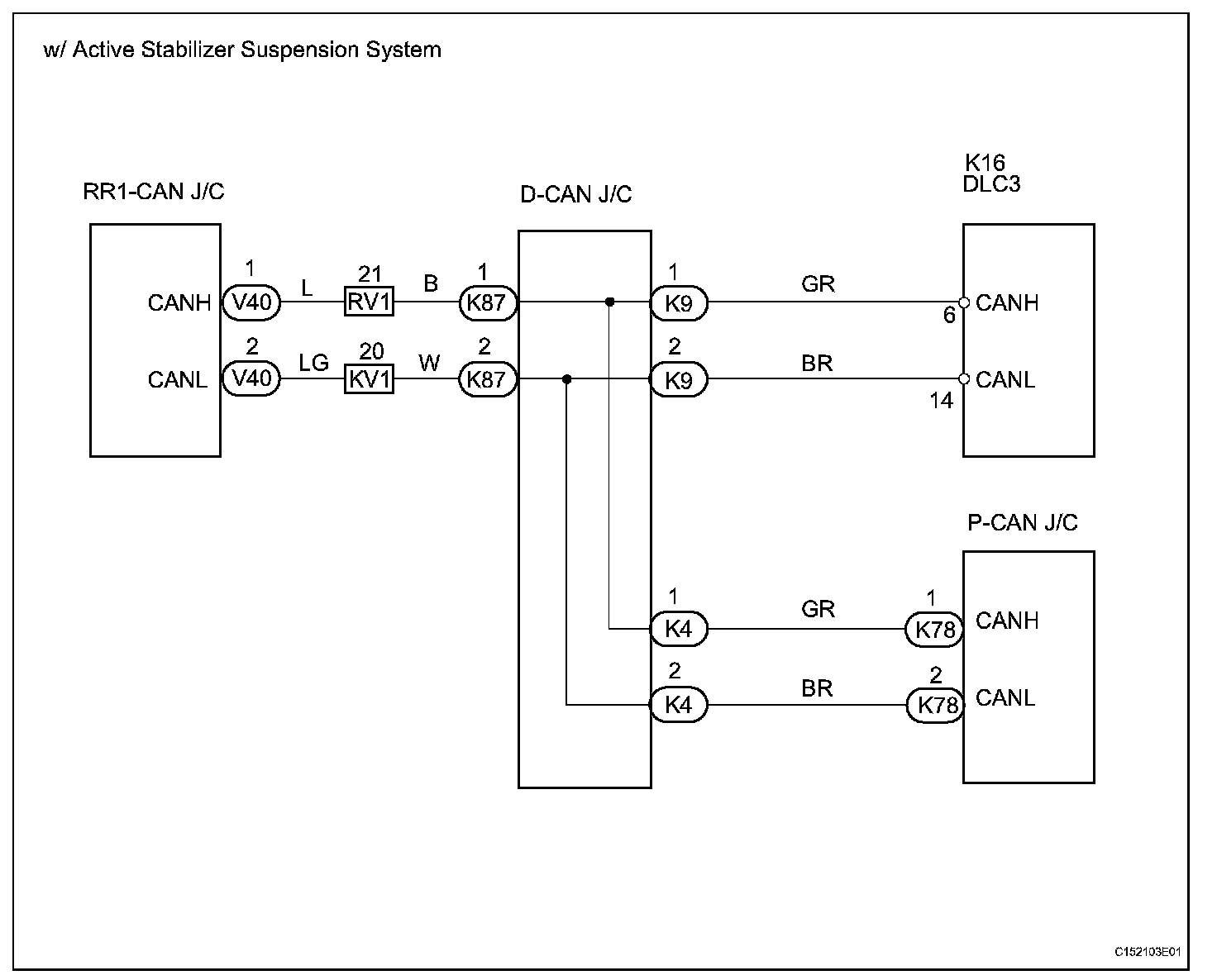
DESCRIPTION




There may open circuit in the CAN main bus line and/or the DLC3 sub bus line when the resistance between terminals 6 (CANH) and 14 (CANL) of the DLC3 is 69 ohms or more.

Wiring Diagram (Part 1):




Wiring Diagram (Part 2):






Step 1:




Step 1 (Continued)-3:




Step 4-6:




Step 7-8:




INSPECTION PROCEDURE