Curiosii for ever!
: Car repair manuals for everyone.
Home
>>
Lexus
>>
2007
>>
GS 350 AWD V6-3.5L (2GR-FSE)
>>
Repair and Diagnosis
>>
Powertrain Management
>>
Computers and Control Systems
>>
Information Bus
>>
Testing and Inspection
>>
Component Tests and General Diagnostics
>>
4WD Control ECU Communication Stop Mode
4WD Control ECU Communication Stop Mode
4WD Control ECU Communication Stop Mode
DESCRIPTION
HINT:
With vehicles with 2GR-FSE only.
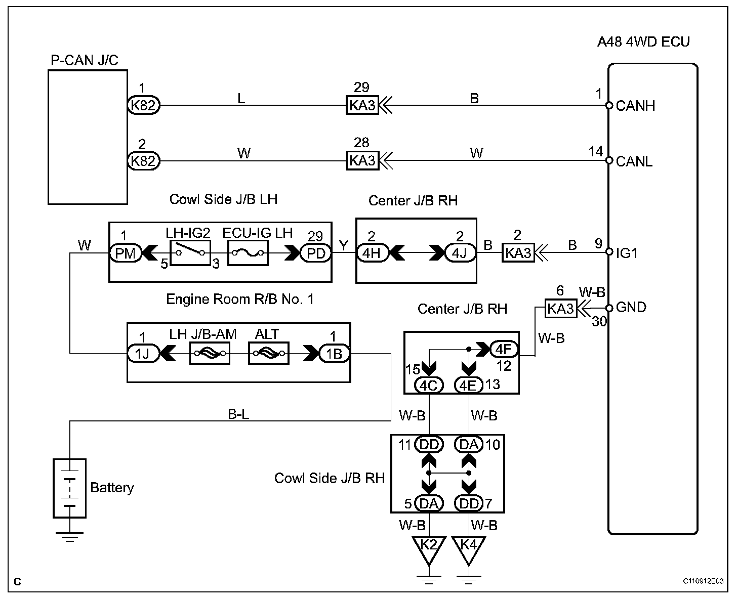
Wiring Diagram:
Step 1:
Step 1 (Continued)-2:
INSPECTION PROCEDURE