Curiosii for ever!: Car repair manuals for everyone.

Distance Control ECU Power Source Circuit

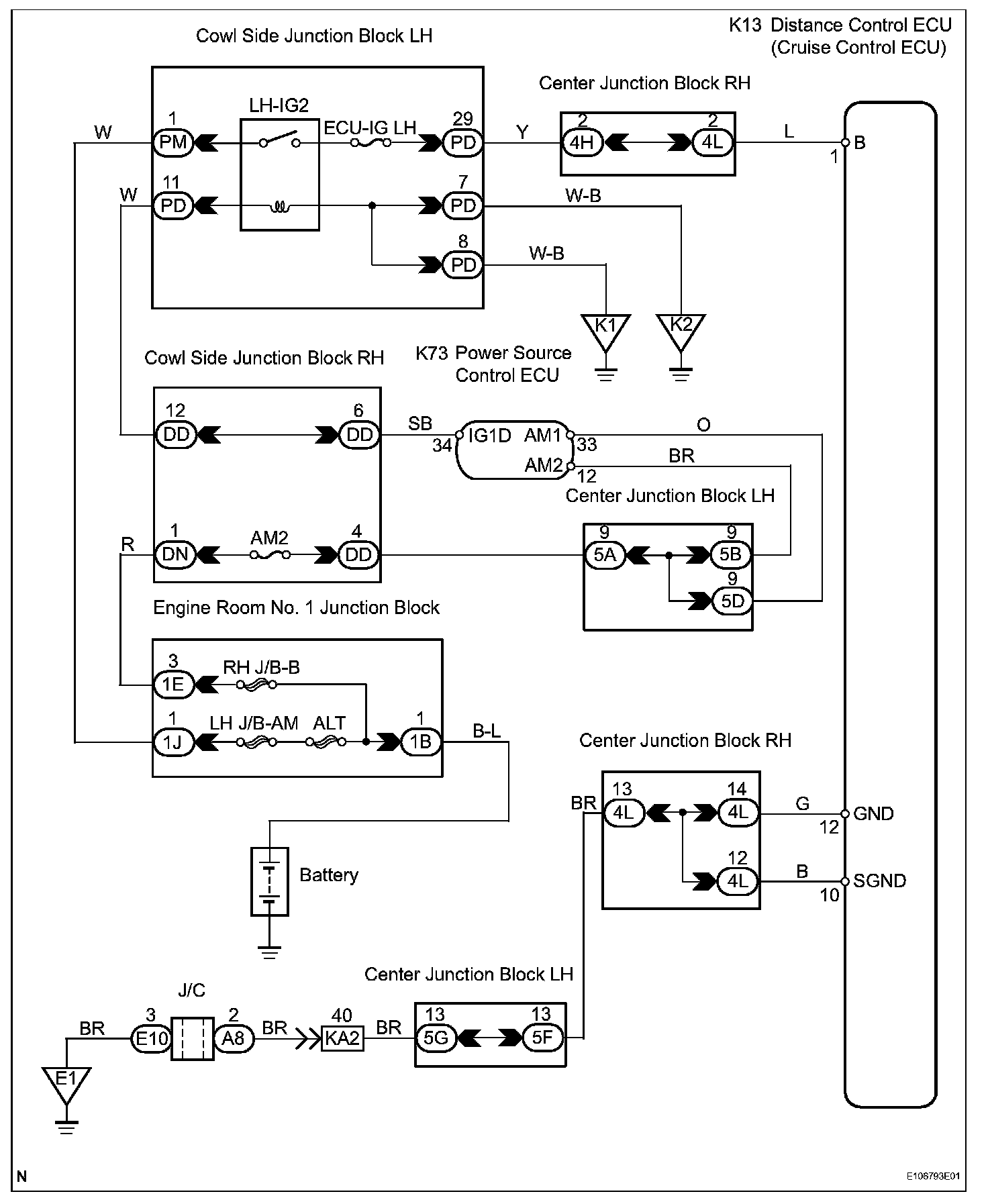
Distance Control ECU Power Source Circuit

DESCRIPTION

This circuit provides power to operate the distance control ECU (cruise control ECU). The distance control ECU determines information about the vehicle in front based on data from the radar sensor, and then decides how much acceleration and / or deceleration is needed to maintain the set distance. The distance control ECU also requests the skid control ECU to apply braking and sound the buzzer.

Wiring Diagram:






Step 1:




INSPECTION PROCEDURE