Curiosii for ever!
: Car repair manuals for everyone.
Home
>>
Lexus
>>
2007
>>
ES 350 V6-3.5L (2GR-FE)
>>
Repair and Diagnosis
>>
Relays and Modules
>>
Relays and Modules - Powertrain Management
>>
Relays and Modules - Ignition System
>>
Ignition Relay
>>
Testing and Inspection
>>
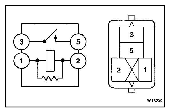
IG2 Relay
IG2 Relay
INSPECTION
1.
INSPECT IG2 RELAY
a.
Using an ohmmeter, measure the resistance according to the value(s) in the table.
If the result is not as specified, replace the relay.