Curiosii for ever!: Car repair manuals for everyone.

How to Read Ground Points

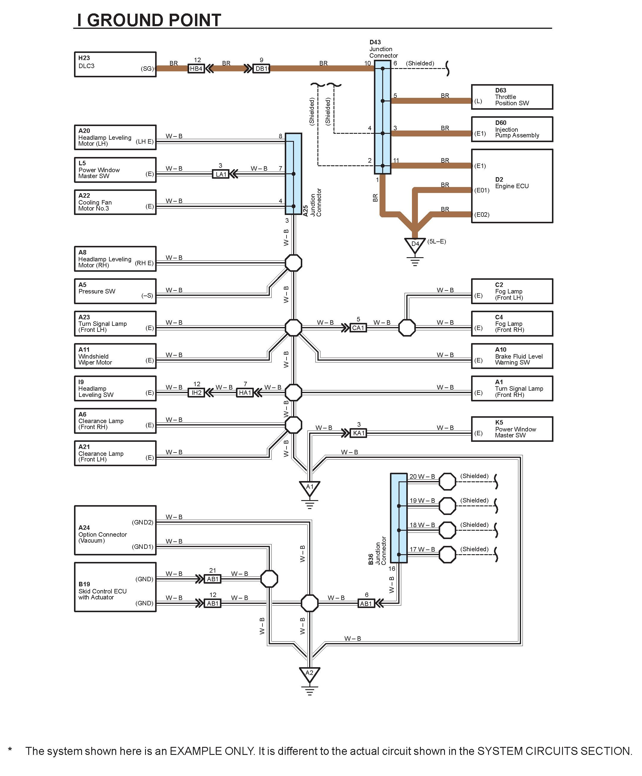
HOW TO READ GROUND POINTS




The ground points circuit diagram shows the connections from all major parts to the respective ground points. When troubleshooting a faulty ground point, checking the system circuits which use a common ground may help you identify the problem ground quickly. The relationship between ground points (A1, A2 and D4) can also be checked this way.