Curiosii for ever!: Car repair manuals for everyone.

Gateway ECU Communication Stop Mode

Gateway ECU Communication Stop Mode

DESCRIPTION






HINT: "GATEWAY" refers to the circuit that includes the gateway ECU.

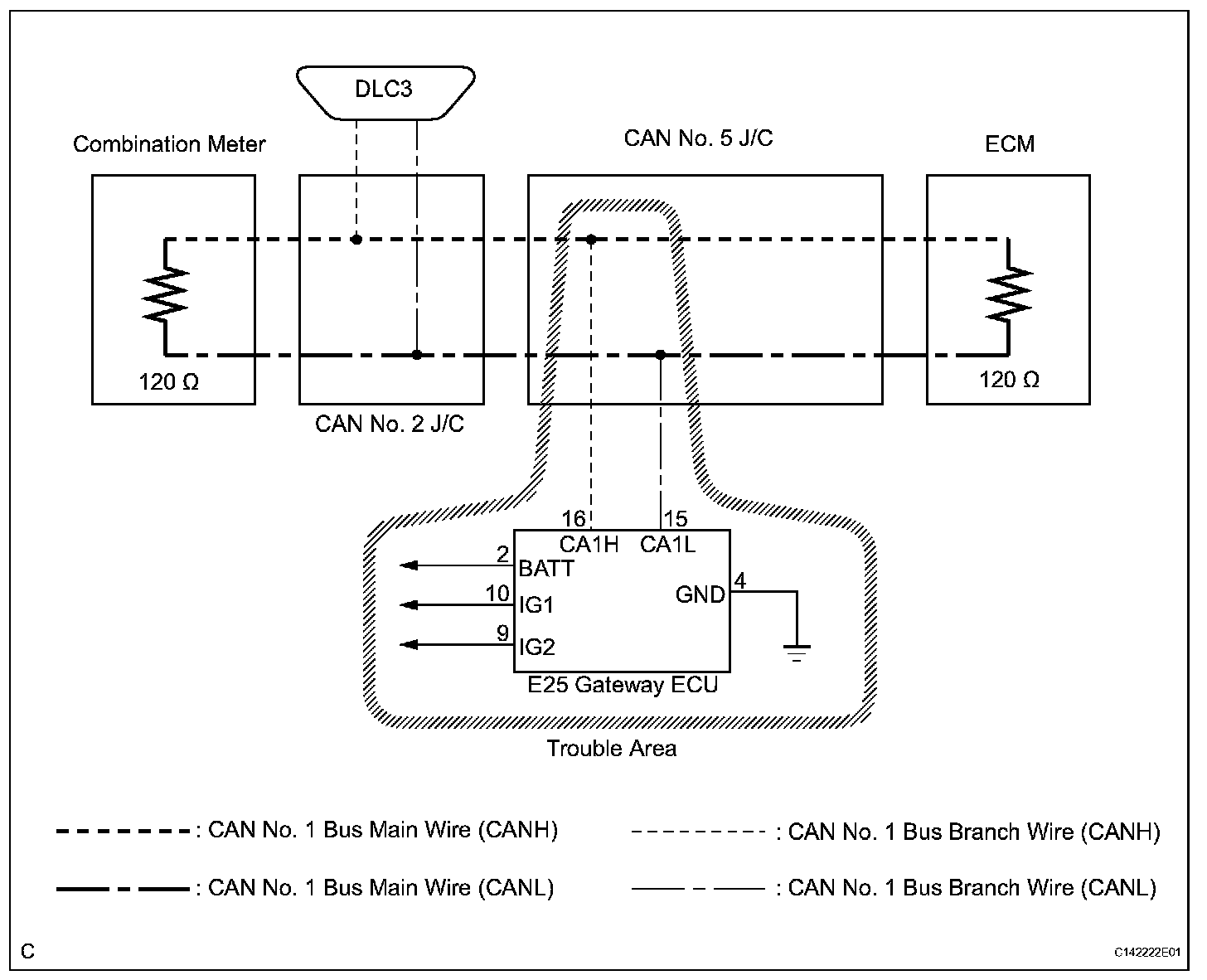
Wiring Diagram:






Step 1-2:




INSPECTION PROCEDURE

NOTE:
- Turn the engine switch off before measuring the resistances of CAN bus main wires and CAN bus branch wires.
- After the engine switch is turned off, check that the key reminder warning system and light reminder warning system are not in operation.
- Before measuring the resistance, leave the vehicle as is for at least 1 minute and do not operate the engine switch, any other switches, or the doors. If any doors need to be opened in order to check connectors, open the doors and leave them open.