Curiosii for ever!
: Car repair manuals for everyone.
Home
>>
Lexus
>>
2006
>>
SC 430 V8-4.3L (3UZ-FE)
>>
Repair and Diagnosis
>>
Power and Ground Distribution
>>
Power Distribution Relay
>>
Testing and Inspection
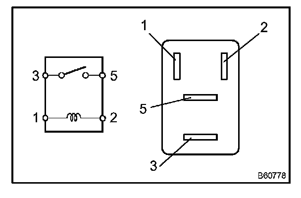
Power Distribution Relay: Testing and Inspection
INSPECT RELAY (Marking: ACC, AC/COMP)
a.
Measure the resistance of the relay. If the result is not as specified, replace the relay.